logo elektroda
logo elektroda
X
logo elektroda
REKLAMA
REKLAMA
Adblock/uBlockOrigin/AdGuard mogą powodować znikanie niektórych postów z powodu nowej reguły.

Jak przestroić Cobra 38 WXST z USA na polskie częstotliwości?

Mlody_92 25 Maj 2012 20:02 3413 4
REKLAMA
  • #1 10933880
    Mlody_92
    Poziom 2  
    Wujek przywiózł z USA Cobra 38 WXST. Chciałbym go przestroić na polskie warunki bo ponoć na innej częstotliwości działają. W Polsce 0,5 a Ameryce 1?lub odwrotnie. Pytałem się gościa to ponoć nie można go przestroić ręcznie tylko trzeba coś wymienić w środku albo dolutować.Czy ktoś wie co z tym zrobić?
  • REKLAMA
  • #2 10933897
    kriss51
    VIP Zasłużony dla elektroda
    To radio pracuje 4W w AM na całych 40-stu kanałach? Teraz tyle wynalazków że głowa mała.
  • REKLAMA
  • #3 10934208
    Mlody_92
    Poziom 2  
    kriss51 napisał:
    To radio pracuje 4W w AM na całych 40-stu kanałach? Teraz tyle wynalazków że głowa mała.



    Wiesz co nie mam zielonego pojęcia.
    Może to pomoże:
    Jak przestroić Cobra 38 WXST z USA na polskie częstotliwości?
  • REKLAMA
  • #4 10934806
    kriss51
    VIP Zasłużony dla elektroda
    Jak to nie masz zielonego pojęcia? Nie masz tego radia w ręku? Samo przestrojenie z tzw. piątek do zer nie stanowi żadnego problemu, ale skoro nie wiesz nawet czy pracujesz w FM lub AM to możesz mieć problem z tak prostą robotą jaką jest rzeczone przestrojenie. Generalnie polega to na szeregowym podłączeniu indukcyjności do rezonatora PLL. W zasadzie to wszystko by mieć tzw. zera.
  • #5 10935453
    SP5ANJ
    Spoczywaj w Pokoju
    Witam.
    Mlody_92 napisał:
    Wiesz co nie mam zielonego pojęcia.

    Z obowiązku muszę przypomnieć, że jest to dział Serwisowy i musisz mieć jakiekolwiek rozeznanie o czym piszesz , abyś potrafił poprawnie odczytać podpowiedz tu piszących. :!:

    Cytat:
    Pytałem się gościa to ponoć nie można go przestroić ręcznie tylko trzeba coś wymienić w środku albo dolutować.

    W trybie pilnym zmień ten serwis, który jak widać "nawleka Cię" na kasę. :cry:

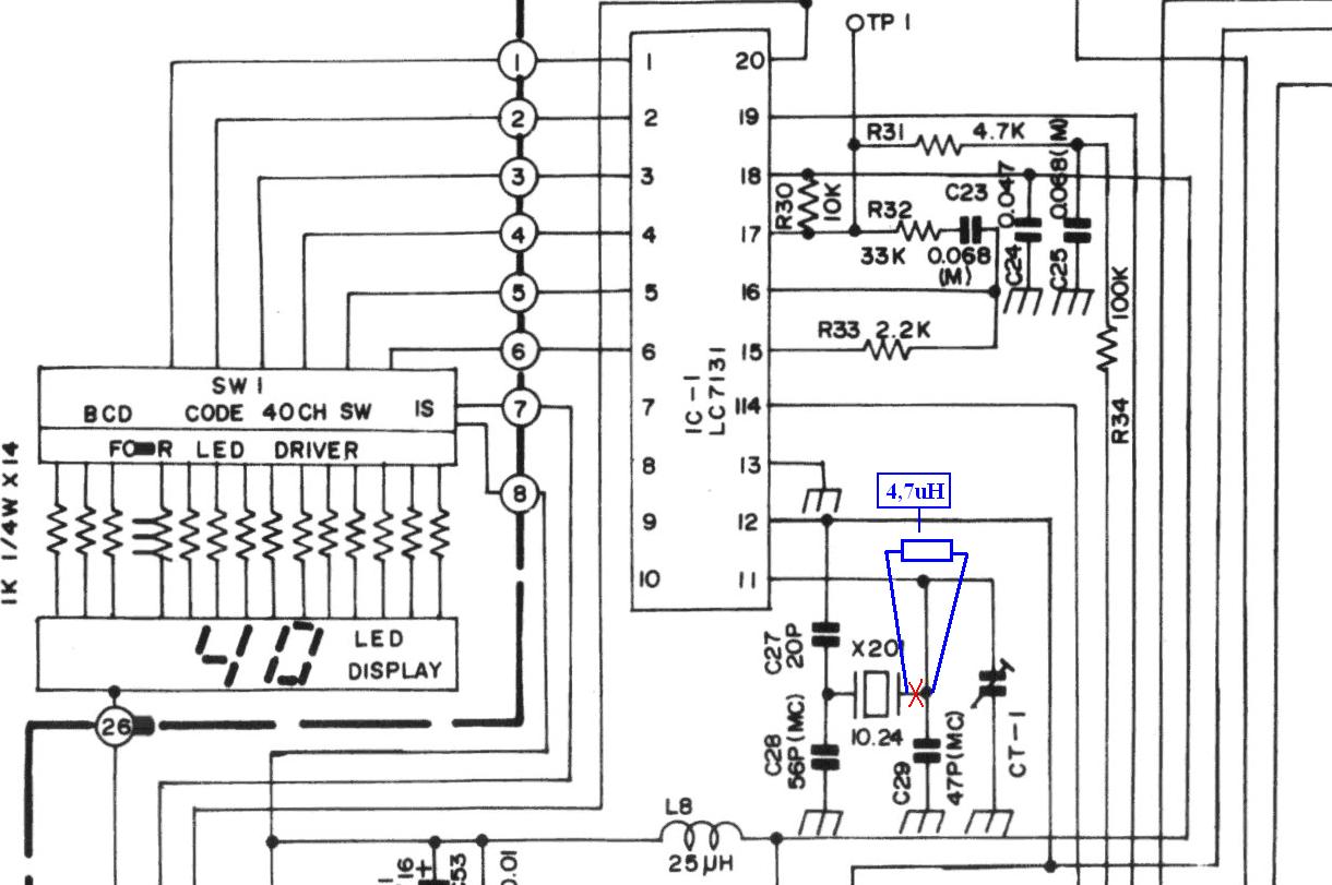
    Zobacz na jakim układzie scalonym jest wykonany PLL.

    Jeżeli na LC7131, to zrób tak :

    Jak przestroić Cobra 38 WXST z USA na polskie częstotliwości?
    Bardzo często spotykany w wersjach WX Cobry.

    Jeżeli na LC5121, to :

    Jak przestroić Cobra 38 WXST z USA na polskie częstotliwości?

    Aby sprawdzić jaki masz układ syntezera częstotliwości PLL, musisz rozkręcić obudowę w radiu i przeczytać napis na tym PLL.


    Pozdrawiam.
REKLAMA