logo elektroda
logo elektroda
X
logo elektroda
REKLAMA
REKLAMA
Adblock/uBlockOrigin/AdGuard mogą powodować znikanie niektórych postów z powodu nowej reguły.

Ford Focus II 1,6 2005 rok nie działa klimatyzacja

rafal-30 26 Maj 2012 19:49 17965 3
REKLAMA
  • #1 10936637
    rafal-30
    Poziom 1  
    Witam mam problem z klimatyzacją, a mianowicie nie załancza się sprężarka i na kablu wchodzącym do sprężarki nie ma napięcia. Jest to klimatronik. Proszę o pomoc :)
  • REKLAMA
  • #2 10938054
    daro131313
    Poziom 14  
    A napelniona.
  • REKLAMA
  • #3 10938375
    dimitriew
    Poziom 16  
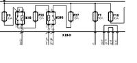
    Kolego sprawdź czy na odpiętej wtyczce do sprzęgiełka sprężarki na przewodzie koloru czarnego względem plusa akumulatora masz 12V w ten sposób sprawdzisz czy masz masę na czarnym przewodzie. Następnie odszukaj skrzynkę bezpiecznikowo - przekaźnikową w komorze silnika i sprawdź czy masz taki przekaźnik 11
    Ford Focus II 1,6 2005 rok nie działa klimatyzacja
    Następnie miernikiem uniwersalnym sprawdź po odłączeniu tego przekaźnika
    Ford Focus II 1,6 2005 rok nie działa klimatyzacja
    czy na pinach 1 względem masy na włączonym zapłonie uzyskasz napięcie 12V i to samo z pinem 3 względem masy akumulatora sprawdzasz czy masz 12V jeżeli nie ma gdzieś napięcia to masz uszkodzony bezpiecznik 27 lub 35 w tej samej skrzynce i dodam że są to bezpieczniki 10A.
    Poza tym zrób mostek na pinach 3 i 5 za pomocą przewodu i sprawdź czy się sprzęgło sprężarki załączyło. (Sprawdzisz w ten sposób instalację)

    Jeżeli to nie pomoże to pozostaje sprawdzić przełącznik niskiego ciśnienia i zrobić zworkę oraz na podwójnym przełączniku środka chłodniczego wysokiego ciśnienia posprawdzać przejścia 2 z 3 oraz 1 z 4. Dasz rade jak coś to pisz.
  • #4 11158035
    gervee
    Specjalista Automatyk
    Prawdopodobnie instalacja nie ma wystarczającej ilości czynnika, więc nie ząłącza się. Pewnie po nabiciu usłyszałbyś charakterystyczny dźwięk sprzęgiełka załączającego sprężarkę.
REKLAMA