logo elektroda
logo elektroda
X
logo elektroda
REKLAMA
REKLAMA
Adblock/uBlockOrigin/AdGuard mogą powodować znikanie niektórych postów z powodu nowej reguły.

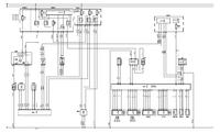
Schemat elektryczny dwustrefowego climatronika Peugeot 207 1.6 HDI 2009

blind1991 28 Maj 2012 17:56 10315 5
REKLAMA
  • #1 10942560
    blind1991
    Poziom 9  
    Witam poszukuję schematu elektrycznego do mojej 207-ki z 2009r 1.6 hdi do climatronika dwustrefowego. Posiada ktoś taki schemat?[/img]
  • REKLAMA
  • #2 10944151
    zeimp
    Moderator na urlopie...
    Jaką masz tam regulację (automatyczną, czy manualną)?
  • REKLAMA
  • #3 10944557
    blind1991
    Poziom 9  
    jest regulacja elektryczna.
  • REKLAMA
  • #4 10947339
    zeimp
    Moderator na urlopie...
    Jeśli Ci się przyda, to łap:
    Schemat elektryczny dwustrefowego climatronika Peugeot 207 1.6 HDI 2009
  • REKLAMA
  • #5 10991562
    blind90
    Poziom 9  
    to jednak nie jest odpowiedni schemat ma może ktoś inny? U mnie w mojej klimatyzacji do regulatora obrotów oznaczonym symbolem A176 na pinie pierwszym i drugim kable do silnika na trzecim zasilanie na czwartym i piątym sterowanie a na szóstym masę zupełnie inaczej niż na schemacie.. numeru vin nie mam bo dokładam climatronika w miejsce zwykłej klimy manualnej.
  • #6 11041253
    blind90
    Poziom 9  
    Witam czy nikt nie posiada innego schematu prosze o pomoc.
REKLAMA