logo elektroda
logo elektroda
X
logo elektroda
REKLAMA
REKLAMA
Adblock/uBlockOrigin/AdGuard mogą powodować znikanie niektórych postów z powodu nowej reguły.

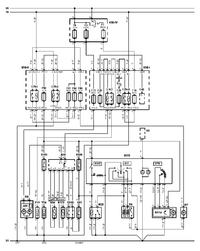
Schemat manualnej klimatyzacji do Ford Transit '07 2.2 TDCi

Andiv 28 Maj 2012 21:17 6265 4
REKLAMA
  • #1 10943423
    Andiv
    Poziom 32  
    Witam, poratuje ktoś schematem klimy do wozidła jak w temacie.
  • REKLAMA
  • Pomocny post
    #2 10943890
    zeimp
    Moderator na urlopie...
    A masz może oznaczenie silnika (dla pewności)?
  • REKLAMA
  • #3 10943905
    Andiv
    Poziom 32  
    Chyba QVFA bo to 110 zdaje się jest. Ale raczej we wszystkich klima jest ta sama.
  • REKLAMA
  • #4 10943965
    zeimp
    Moderator na urlopie...
    No to łap:
    Schemat manualnej klimatyzacji do Ford Transit '07 2.2 TDCi

    To jest do silnika QVFA! ;)
  • #5 10944069
    Andiv
    Poziom 32  
    Dzięki - a jednak jednak autodata cośtam ma nowego ;) Chyba kupię tą online.
REKLAMA