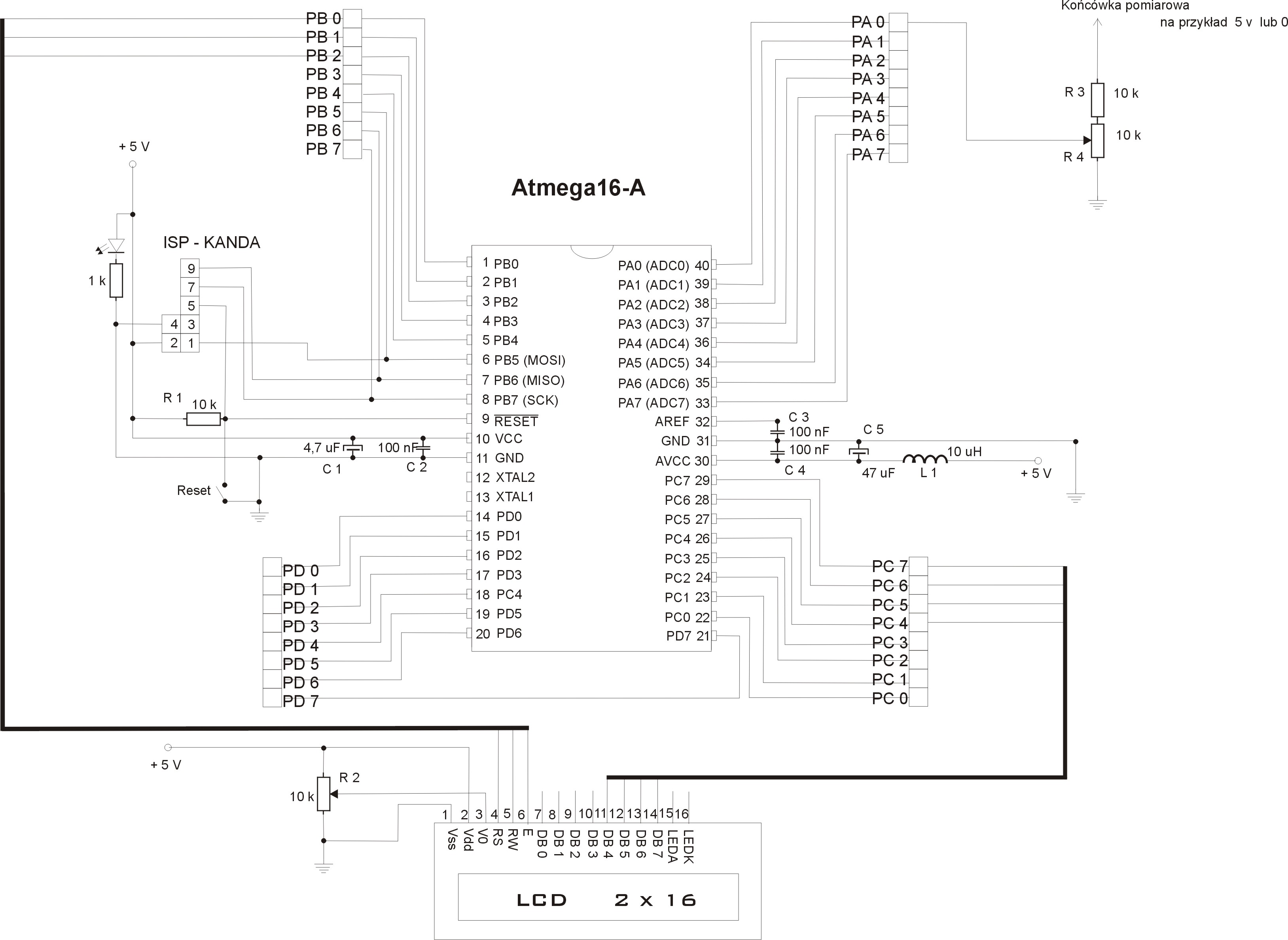
Uruchomiłem na Atmega16 przetwornik ADC . Zasilam układ napięciem stabilizowanym 5 V. Do zasilania VCC, AVCC, AREF podłączyłem kondesatory i dlawik 10 uH jak na załączonym rysunku.
F_CPU = 8 MHz preskaler = 128 pojedyncza konwersja
Problemem jest otrzymywany wynik pomiaru, który przy pomiarze 5,12 v (mierzone miernikiem) wskazuje mi na wyświetlaczu 5,07 do 5,5 V . Nie mogę też uzyskać pomiaru 0 V. Dostaje wynik 0,24 - 0,47 V.
Proszę o pomoc w rowiązaniu tego problemu. Doświadczenie w tej dziedzinie dopiero zdobywam - uczę się.
Co robię źle ?
Czy można w moim przypadku uzyskać stabilność przynajmniej do 2 miejsc po przecinku ?
Szukałem w internecie informacji w internecie i nie znalazłem .
F_CPU = 8 MHz preskaler = 128 pojedyncza konwersja
Problemem jest otrzymywany wynik pomiaru, który przy pomiarze 5,12 v (mierzone miernikiem) wskazuje mi na wyświetlaczu 5,07 do 5,5 V . Nie mogę też uzyskać pomiaru 0 V. Dostaje wynik 0,24 - 0,47 V.
Proszę o pomoc w rowiązaniu tego problemu. Doświadczenie w tej dziedzinie dopiero zdobywam - uczę się.
Co robię źle ?
Czy można w moim przypadku uzyskać stabilność przynajmniej do 2 miejsc po przecinku ?
Szukałem w internecie informacji w internecie i nie znalazłem .
Kod: C / C++
