logo elektroda
logo elektroda
X
logo elektroda
REKLAMA
REKLAMA
Adblock/uBlockOrigin/AdGuard mogą powodować znikanie niektórych postów z powodu nowej reguły.

Schematy elektryczne do Alfa Romeo 147 1,9JTD 115KM 2003r. - gdzie znaleźć?

basti4_2004 04 Cze 2012 13:53 8880 4
REKLAMA
  • #1 10965987
    basti4_2004
    Poziom 2  
    Szukam schematów elektrycznych do Alfy Romeo (jak w temacie)
  • REKLAMA
  • Pomocny post
    #2 10966033
    zeimp
    Moderator na urlopie...
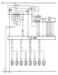
    Silnik: Schematy elektryczne do Alfa Romeo 147 1,9JTD 115KM 2003r. - gdzie znaleźć? ABS: Schematy elektryczne do Alfa Romeo 147 1,9JTD 115KM 2003r. - gdzie znaleźć?

    A najlepiej, to określ się jakie te schematy byś chciał.
  • REKLAMA
  • #3 10966064
    basti4_2004
    Poziom 2  
    Konkretnie to chodzi mi o instalacje audio i jak jest podłączone sterowanie radia z kierownicy z samym radiem.
  • REKLAMA
  • Pomocny post
    #4 10966088
    zeimp
    Moderator na urlopie...
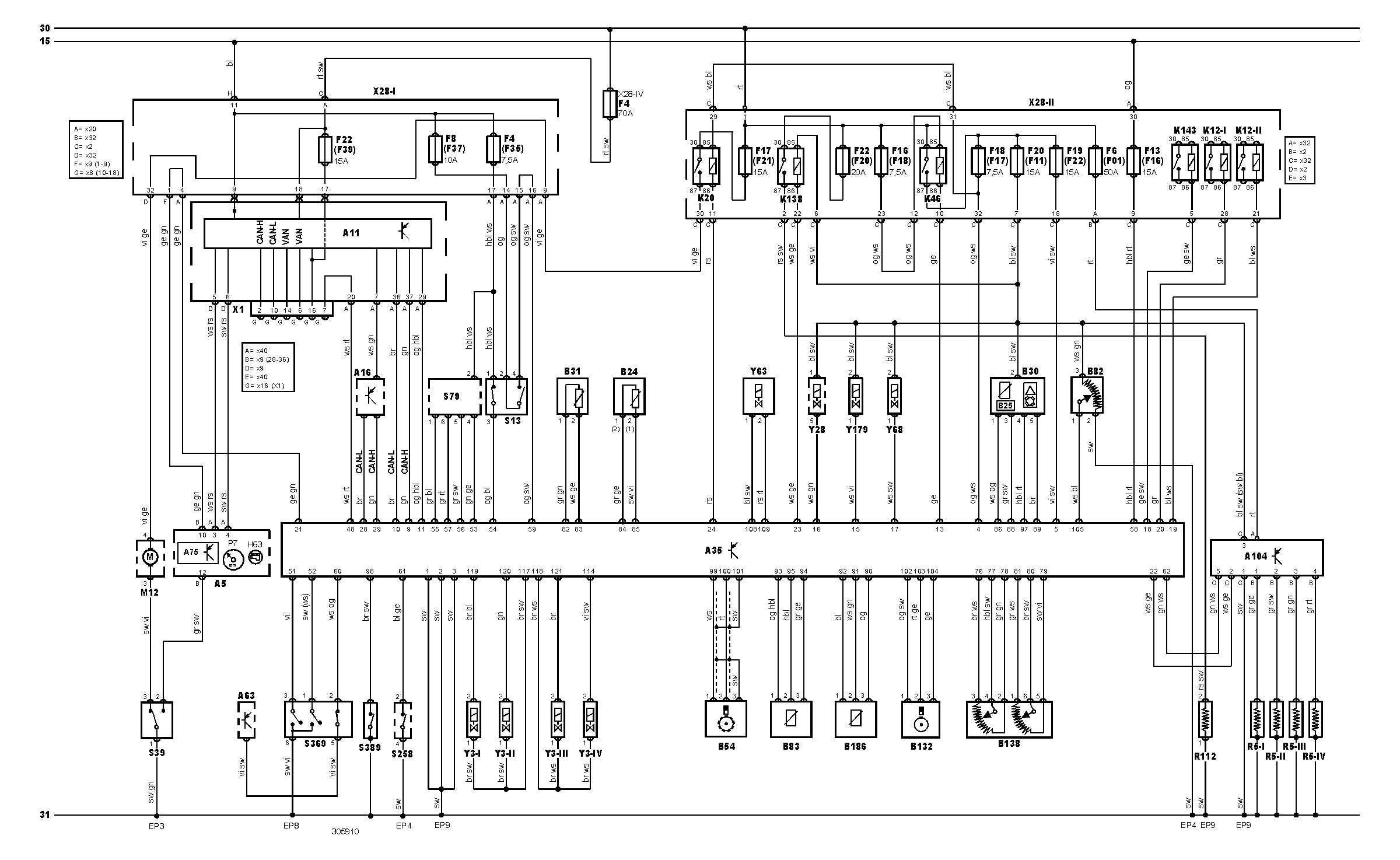
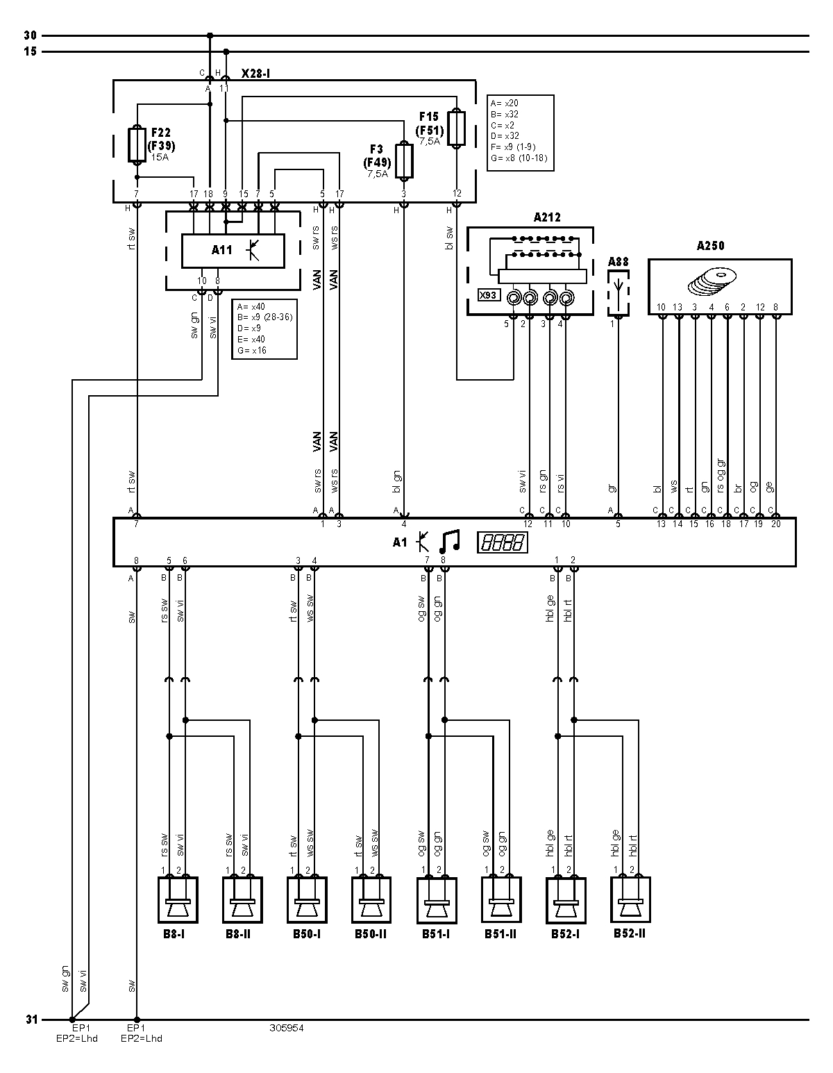
    To schemat multimedialny proszę:
    Schematy elektryczne do Alfa Romeo 147 1,9JTD 115KM 2003r. - gdzie znaleźć?
  • #5 10966096
    basti4_2004
    Poziom 2  
    Dzięki za pomoc :)
REKLAMA