logo elektroda
logo elektroda
X
logo elektroda
REKLAMA
REKLAMA
Adblock/uBlockOrigin/AdGuard mogą powodować znikanie niektórych postów z powodu nowej reguły.

Błąd sondy lambda 2 w VW Golf IV 1.4 16V AKQ - brak drugiej sondy?

proper_ganja 05 Cze 2012 12:24 24372 26
REKLAMA
  • #1 10833704
    proper_ganja
    Poziom 11  
    Witam ponownie.
    Już raz próbowałem swoich sił w szukaniu pomocy.
    Pomyślałem, że spróbować po raz drugi nie zaszkodzi.
    Pacjent to niezmiennie VW Golf IV 1,4 16V AKQ.

    Dziwię się, że wcześniej ani mechanicy ani nikt z tu się wypowiadających nie zwrócił uwagi na dość istotną jak się okazuje kwestię (dla przypomnienia - kontrolka check świeci nieustannie, przyczyną wg vag'a i kts'a jest sonda lambda, mimo, że została wymieniona na nową Boscha).
    Otóż ustaliliśmy, że w typie silnika AKQ, jest tylko jedna sonda lambda. Dlaczego w takim razie komputer podaje błąd (16525 O2 obwód ogrzewania czujnika - usterka (bank 1 sensor 2) oraz 17526?
    Podgrzewana sonda lambda 2 strona 1 - przerwa grzejnika brak osprzętu / nie związany ze sprzętem) drugiej sondy skoro jej fizycznie nie ma?
    Proszę o jakieś sugestie.
    Z góry dziękuję.
  • REKLAMA
  • #2 10834140
    ociz
    VIP Zasłużony dla elektroda
    Dziwne trochę, błędy sondy której tam nie ma fizycznie.
    Spróbował bym na początek po prostu odłączyć tą pierwszą i zobaczyć czy nowe błędy wywali.
  • REKLAMA
  • #3 10834149
    przem27
    Poziom 30  
    proper_ganja napisał:
    Otóż ustaliliśmy, że w typie silnika AKQ,


    Ależ nie prawda, mam Golfa IV w rodzinie z AKQ i dwoma sondami, jedna przed druga za katalizatorem, zdjęcia do wglądu dla niedowiarków.
    pozdr
  • #4 10834286
    proper_ganja
    Poziom 11  
    Sugerowałem się tym co pisał kolega Jarewa w moim poprzednim wątku - "...AKQ to 4AV wiec posiada jedną sondę..." I tak też u mnie jest, sprawdziłem pod autem i drugiej sondy za katalizatorem faktycznie nie ma, dlatego zachodzę w głowę co z komputerem pokładowym, może widzi niewidzialne?;)

    Dodano po 1 [minuty]:

    ociz napisał:
    ... czy nowe błędy wywali.


    Tak, komputer pokazuje błędy dla sondy 1 i 2.
  • #5 10836076
    kidu22
    Poziom 35  
    AKQ posiada jedną sonde.

    Tych silników jest 9 rodzai więc sie zdecyduj jaki masz.

    Daj nr sterownika, pod szybą przednią jest.
  • #6 10836143
    proper_ganja
    Poziom 11  
    No ja się upieram, że mam AKQ:)

    Numer sterownika to 036 906 032 P
  • Pomocny post
    #7 10836170
    kidu22
    Poziom 35  
    proper_ganja napisał:
    No ja się upieram, że mam AKQ:)

    Gdzie to wyczytałeś?

    Podejżewam że masz od AXP.


    Daj foto bez osłony to poradzimy.
  • #8 10836248
    proper_ganja
    Poziom 11  
    Ściągnąłem VAGiem, auto w garażu a ja pod kołdrą. Da się jakoś w sterowniku wyłączyć 'poszukiwanie' sondy 2?
  • #9 10836465
    ociz
    VIP Zasłużony dla elektroda
    proper_ganja napisał:
    Numer sterownika to 036 906 032 P

    Według moich źródeł ten sterownik jest od AXP, a ten ma dwie sondy...
  • REKLAMA
  • #10 10836538
    kidu22
    Poziom 35  
    proper_ganja napisał:
    wyłączyć 'poszukiwanie' sondy 2?


    Pytanie podstawowe, co sie dzieje niefajnego z silnikiem że piszesz posta?
  • REKLAMA
  • #12 10836578
    zeimp
    Moderator na urlopie...
    kidu22 napisał:
    AKQ posiada jedną sonde.

    Potwierdzam - to prawda!
  • Pomocny post
    #13 10836587
    kidu22
    Poziom 35  
    Więc tak skoro ci nie umarł śmiercią naturalną podczas mrozów, więc możesz wywiercić otwór w wydechu i włożyć tam sonde dedykowaną do tego modelu.

    Mnie za to interesuje jak obszedł egr bo z nim zawsze jest problem, AXP ma w głowicy egr z potencjometrem, a AKQ ma podciśnieniowy w wydechu.
  • #15 10836608
    zeimp
    Moderator na urlopie...
    Może ktoś kiedyś wymieniał sterownik?
  • Pomocny post
    #16 10836632
    ociz
    VIP Zasłużony dla elektroda
    Tak na szybko zerknąłem pin date, raczej nie możliwe że ktoś po prostu przełożył sterownik bo by to nie odpaliło nawet. Wtyki niby takie same ale rozmieszczenie całkiem inne. Wiązka musi być zgodna ze sterownikiem.
  • Pomocny post
    #17 10836645
    zeimp
    Moderator na urlopie...
    Ja o tym wiem, ale już wiele w życiu widziałem :D... Pozostaje rozwiązanie, które zapodał Kidu22
    kidu22 napisał:
    wywiercić otwór w wydechu i włożyć tam sonde dedykowaną do tego modelu.
  • #18 10836770
    proper_ganja
    Poziom 11  
    Dzięki za zainteresowanie i tak liczne odpowiedzi. A czy nie sądzicie, że zakupienie sterownika do AKQ nie byłoby korzystniejsze? Pomijam ile pracy pochłonęłoby przywrócenie pierwotnej formy wiązki, być może przy Waszej pomocy nie byłoby tak źle, wydaje mi się po prostu, że skoro silnik jest akq i w dniu produkcji miał też doń sterownik, to powrót do ładu byłby na miejscu. Jeżeli tak jak napisał Ociz wtyki są jednakowe, to, o ile nadążam, kwestia przepięcia/przelutowania kabli nie stanowiłaby wyzwania, pod warunkiem, że dysponujecie i podzielicie się mądrymi schematami.
  • #19 10836830
    zeimp
    Moderator na urlopie...
    Już Ci pomogliśmy, po części :D Co do schematów, to znajdą się bez większych problemów, kwestia tylko, czy będzie Ci się chciało działać. Trochę to żmudne, ale jak najbardziej - do zrobienia! Podoba mi się, że chcesz (naprawdę) temat ogarnąć :)
  • #20 10836874
    proper_ganja
    Poziom 11  
    Pewnie, że tak, doceniam i bardzo dziękuję za ten etap, w którym jestem.

    Jak coś pójdzie nie tak, to Ci tego golfa zaniosę do Bergen. Poproszę te schematy.

    Kidu22 wspomniał o zaworze EGR i jego różnicach przy AXP i AKQ w... no właśnie w czym? W jakim sposobie ta różnica wpływa na wiązkę przy sterowniku? Jest więcej takich niespodzianek/różnic?
  • #21 10836902
    zeimp
    Moderator na urlopie...
    proper_ganja napisał:
    Poproszę te schematy.

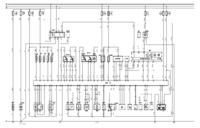
    Sterowanie silnika:
    Błąd sondy lambda 2 w VW Golf IV 1.4 16V AKQ - brak drugiej sondy?


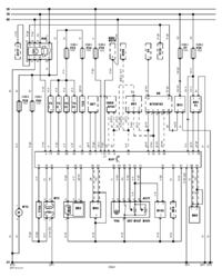
    Do AXP wygląda nieco inaczej:
    Błąd sondy lambda 2 w VW Golf IV 1.4 16V AKQ - brak drugiej sondy?

    Reszta, to tylko wkład własny ;)
  • #22 10837274
    kidu22
    Poziom 35  
    Jest tu za dużo znaków ? , żeby bez 100% pewności zamieniać to o czym piszesz.

    A wieśwagen zapewnił duuuużo różnic w poszczegulnych typach silników 1,4 16V.
  • #23 10837400
    przem27
    Poziom 30  
    przem27 napisał:
    proper_ganja napisał:
    Otóż ustaliliśmy, że w typie silnika AKQ,


    Ależ nie prawda, mam Golfa IV w rodzinie z AKQ i dwoma sondami, jedna przed druga za katalizatorem, zdjęcia do wglądu dla niedowiarków.
    pozdr


    A ja odszczekuję co napisałem, sorry za wprowadzenie w błąd, oczywiście auto ma dwie sondy ale to AXP.
    pozdr
  • #24 10837689
    kidu22
    Poziom 35  
    Sterowniki sie różnią wewnętrznie i nie przegra wsadu, anie nie zaadoptuje.

    Silnik na 99% masz AXP, zresztą podaj jaki VIN jest w sterowniku a jaki na karoserii.
    Nierealne żeby sterownik AXP chodził na osprzęcie AKQ.

    Ponawiam pytanie skąd wiesz że masz AKQ?
  • #25 10842415
    proper_ganja
    Poziom 11  
    kidu22 napisał:
    Ponawiam pytanie skąd wiesz że masz AKQ?


    Z nalepki w książce serwisowej i tej obok klapy przy kole zapasowym. AKQ jak wół. Foty do wglądu na żądanie.
  • #26 10842589
    kidu22
    Poziom 35  
    proper_ganja napisał:
    kidu22 napisał:
    Ponawiam pytanie skąd wiesz że masz AKQ?


    Z nalepki w książce serwisowej i tej obok klapy przy kole zapasowym. AKQ jak wół. Foty do wglądu na żądanie.


    To teraz popatrz na silnik z boku pod kolektorem wodnym na styku z głowicą .
  • #27 10969412
    proper_ganja
    Poziom 11  
    Witam!

    Tak jak w temacie chciałbym dokończyć wątek, który wreszcie został wyjaśniony. Nie brałem pod uwagę, że silnik może być inny niż ten z opisu w książce i serwisowej i wlepki obok kosza na koło zapasowe (AKQ), jednak taka jest rzeczywistość - AXP, oto co zostało wmontowane, do tego sterownik 036 906 032 P w pełni kompatybilny.

    Do rozpoznania doszło po tym jak auto szarpało już tak intensywnie, że jazda sprawiała ból, punktem kulminacyjnym był brak rozruchu w ogóle - doszło do przepalenia elementów wewnątrz sterownika. Przyczyną była przetarta wiązka kabli "dochodzących" i "wychodzących" ze sterownika. Stąd z początku auto szarpało głównie w deszczowe dni, w miarę postępu usterki nie dało się już nim jeździć, aż padło. Mechaników zastanowił fakt, że po punkcie kulminacyjnym, błędy w komputerze dotyczyły 7 czujników (położenia wału, temperatury cieczy, potencjometr przy pedale gazu itd.), podczas gdy wcześniej z mojej opinii nie było z nimi jakichkolwiek problemów. Mało prawdopodobne wydało się więc uszkodzenie ich wszystkich naraz.

    Piszę to jako wskazówkę dla ludzi poszukujących rozwiązań dla objawów podobnych do moich, a nuż się przyda.

    PS do kidu22: Miałeś rację, mam AXP i to na 100%
REKLAMA