logo elektroda
logo elektroda
X
logo elektroda
REKLAMA
REKLAMA
Adblock/uBlockOrigin/AdGuard mogą powodować znikanie niektórych postów z powodu nowej reguły.

Poszukuję schematu jak oszukać czujnik oleju w Fabii.

alfaton 11 Cze 2012 01:04 12256 24
REKLAMA
  • #1 10988670
    alfaton
    Poziom 16  
    Zrobiłem elektryczne autko i poszukuję prostego schematu układu elektronicznego, który by oszukał komputer silnika samochodowego o nieprawidłowej pracy czujnika oleju. Niestety po usunięciu silnika spalinowego, teraz komputer informuje mnie na desce rozdzielczej o uszkodzeniu czujnika oleju w mojej elektrycznej Skodzie Fabii nieprzyjemnym (bo głośnym) sygłałem dźwiękowym i optycznym.
    Obecnie czujnik jest na stałe zwarty do masy (tak jakby było ciśnienie oleju, by oszukać komputer gdy silnik pracuje) lecz gdy silnik elektryczny przestaje pracować (np. po zatrzymaniu na skrzyżowaniu) załącza się alarm dźwiękowy, że czujnik jest uszkodzony, bo silnik nie pracuje, a jest ciśnienie oleju (KOMPUTER WYKRYWA NIEPRAWIDŁOWOŚĆ).
    Podejrzewam, że rozwiązaniem mógłby być jakiś pomiar obrotów silnika np. z koła zamachowego i przy obrotach poniżej 400/min zadziałał by przekaźnik, który rozłącza z masą przewód od czujnika olejowego.
    Rozwiązaniem byłby także pomiar napięcia na silniku BLDC (napięcie jest zmienne czyli AC) bo gdy silnik pracuje jest pod napięciem od 6 do 85V. Gdy jest przedział napięcia 6-85V czujnik by dostawał prawidłowy sygnał o właściwym ciśnieiu oleju, a przy napięciu poniżej 6V następowałoby wyłączenie masy ciśnienia oleju, co komputer wykrywałby jako prawidłową pracę czujnika.

    Proszę o jakąś pomoc w tej sprawie.
  • REKLAMA
  • #2 10988788
    emeryt2
    Poziom 42  
    Bardzo prosto , przekaźnik , który będzie podawał masę po "uruchomieniu" nowego silnika!
    Przekaźnik sterowany komparatorem , ze wzmacniacza operacyjnego, skonfigurowanego na zadziałanie powyżej 6V.
  • #3 10988817
    alfaton
    Poziom 16  
    Nie ma sprawy, tylko proszę coś bardziej konkretnego jak w tytule schemat.
  • REKLAMA
  • #4 10988828
    emeryt2
    Poziom 42  
    Masz rację , schemat.
    Nie mam pod ręka skanera i mieć nie będę. Do najbliższego elektronika skieruj kroki i daj mu mój opis , narysuje Ci schemat od reki!
    Mam nadzieje ,że ktoś z forum to też zrobi!
  • #5 10988844
    alfaton
    Poziom 16  
    Może być od ręki nawet z Corela czy innego programu graficznego lub fotka z komórki ;)
  • #6 10989711
    wojtek2812
    Poziom 22  
    Chyba nie zrozumiałeś aluzji kolegi emeryt2.
  • REKLAMA
  • #7 10989757
    alfaton
    Poziom 16  
    wojtek2812 napisał:
    Chyba nie zrozumiałeś aluzji kolegi emeryt2.

    Aluzję zrozumiałem, jak również to, że ktoś może mi pomoże...
  • #8 10990264
    bartek_j
    Poziom 35  
    Zrobiłeś auto elektryczne a nie wiesz jak obejść ten prosty problem ?
    A czy sygnał o obrotach silnika na zegary podłączyłeś ? ;)
  • #9 10990339
    alfaton
    Poziom 16  
    Tak, to wszystko działa tzn. obroty silnika się wyświetlają oraz działa elektryczne wspomaganie kierownicy.
    Nie jest błędem przyznawanie się do czegoś, że nie wiem jak zrobić. Mam pomysły na zrobienie tego przy pomocy np. diod zenera 6,3V ułożonych tak by "przepuszczały" napięcie powyżej tej wartości i sterowały bramką tranzystora, a ten z kolei wysterowałby przekaźnik, a on z kolei załączał masę od czujnika oleju.
    Ale szukam czegoś już może sprawdzonego, by zbytnio nie błądzić.
    Czy są tu mądrzejsi ode mnie ;)
  • #10 10990448
    emeryt2
    Poziom 42  
    Żadnej aluzji ukrytej nie napisałem , "od ręki" znaczy na poczekaniu / też po polsku/. Skanera nie mam , a w moim wieku Corel lub jakiś PAD , to wyższa szkoła jazdy. Ja na komputer mam amatorskie A + B.

    Rozwiązania z diodą Zenera niewypał , bo "puści" ona nawet 80V na bazę lub bramkę ,chociaż rozwiązanie w innym przypadku prawidłowe.
  • #12 10990694
    emeryt2
    Poziom 42  
    Kidu , nic , a nic , ale gość nie chce mieć krzyczącej szafy!!!
    Masz inne rozwiązanie - daj!
  • #13 10990767
    alfaton
    Poziom 16  
    Nie powinno być źle, oczywiście planuję to zrobić przez opory na tyle duże, by nie zwalić tranzystora ;)
    Może ktoś jakiś pomysł jak to zrealizować i mi podsunie.
  • #15 10992561
    emeryt2
    Poziom 42  
    Jak myslisz , przez telepatię. W pierwszym poście jest informacja!

    Alfaton , oporami zmniejszysz prąd , napięcie nie. Baza sterowana jest tez prądem i jak pamiętam większość takich tranzystorów ma max napięcie emiter - baza 5V.
  • #16 10992591
    alfaton
    Poziom 16  
    A zastosowanie dodatkowej diody zenera przy bazie powinno chyba rozwiązac problem?

    Dodano po 1 [minuty]:

    kidu22 napisał:
    Skąd licznik wie że silnik

    Bo obroty silnika zczytywane są z pracy koła zamachowego a ono oryginalnie zostało ;)
  • #17 10992612
    bartek_j
    Poziom 35  
    alfaton napisał:



    kidu22 napisał:
    Skąd licznik wie że silnik

    Bo obroty silnika zczytywane są z pracy koła zamachowego a ono oryginalnie zostało ;)


    No i właśnie tej informacji mi brakowało ;)
    Teraz już rozumiem.

    Czyli faktycznie, silnik się zatrzymuje a "ciśnienie" jest -> błąd.
    A odnośnie układu załaczającego przekaźnik, to ja bym zrobił tak:

    z miejsca gdzie silnik jest zasilany, dioda prostownicza, opornik 10k dioda zenera 6V, na bazę tranzystora NPN.
    za opornikiem a przed zenerem można dać kondensator 1uF do masy.
  • #19 10993547
    emeryt2
    Poziom 42  
    Masz rację Kidu , a 555 będzie zasilany napięciem od 6V do 80V.

    Alfaton pisze ; ma do wykorzystania napięcia od 6V do 80V , i je należy zagospodarować.
  • #20 10993577
    mczapski
    Poziom 40  
    Oj chyba brakuje uściśleń w tej inwencji. Przecież napięciem w zakresie 6 - 80 V nie zasila oswietlenia, pulpitu, dmuchaw itp. Zreszto pewno generalnie sterowanie ma jakieś bardziej ustalone napięcie.
    Ponadto dzielnikami oporowymi i diodami Zenera lub transilami można trochę regulować.
  • REKLAMA
  • #21 10993599
    grzemach
    Poziom 21  
    alfaton, jakie masz parametry teraz tego autka? Warto robić taką przeróbkę? Gdzie schowałeś akumulatory? Jaki masz zasięg auta?
  • #22 10993956
    carrot
    Moderator Samochody
    Ja bym zamiast bawić się ze zmiennym napięciem jako żródło danych wykorzystał czujnik wału. Prosty układ: prostownik ładuje kondensator do pewnego napięcia, które otwiera tranzystor= info o ciśnieniu, brak impulsów - brak ciśnienia
  • #23 10995125
    alfaton
    Poziom 16  
    carrot napisał:
    Ja bym zamiast bawić się ze zmiennym napięciem jako żródło danych wykorzystał czujnik wału. Prosty układ: prostownik ładuje kondensator do pewnego napięcia

    Obawiam się, że taka wersja zakłóciłaby wskazania obrotów silnika (bo zamiast impusów byłoby napięcie kondesatora.

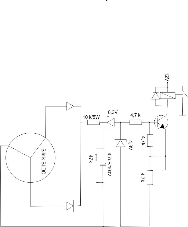
    Dodano po 5 [minuty]:

    Narysowałem schemat. Prosze o opinie znawców tematu, co trzeba poprawić by działał. Poszukuję schematu jak oszukać czujnik oleju w Fabii.
  • #24 10995163
    ociz
    VIP Zasłużony dla elektroda
    Ja bym zastosował NE555 jako przetwornik częstotliwość-napięcie, a podłączone to do obrotomierza. Schematu to możesz poszukać jakiegoś obrotomierza na led-ach.
    Tak w ogóle jaki tam silnik siedział, i do czego jest teraz podpięty obrotomierz w zegarach?
  • #25 10995181
    alfaton
    Poziom 16  
    ociz napisał:
    Ja bym zastosował NE555 jako przetwornik częstotliwość-napięcie,

    Na tym też mógłbym się skupić. Ciekawie to brzmi. Masz może coś takiego już gotowego? Lub gdzie mam szukać.
REKLAMA