logo elektroda
logo elektroda
X
logo elektroda
REKLAMA
REKLAMA
Adblock/uBlockOrigin/AdGuard mogą powodować znikanie niektórych postów z powodu nowej reguły.

Stare wskaźniki z samochodu GAZ. Jak podłączyć?

fred77 16 Cze 2012 19:27 11270 19
REKLAMA
  • #1 11008521
    fred77
    Poziom 12  
    Mam trzy wskaźniki, które chcę podłączyć do mojej drezyny.
    Silnik ze skrzynią pochodzi z Malucha i chciałbym się upewnić co do podłączenia.

    Jeżeli chodzi o wskaźnik paliwa to już wiem jak, bo kiedyś tu o to pytałem.

    Jeżeli chodzi o wskaźnik ciśnienia oleju to też jest to proste.

    Nie bardzo jestem pewien tego, jak podłączyć wskaźnik ładowania.
    Wygląda on tak:
    Stare wskaźniki z samochodu GAZ. Jak podłączyć?
    Zaciski oznaczone są (+) po lewej i (-) po prawej.

    Wiadomym jest, że w Maluchu jest tylko kontrolka ładowania.

    Rozpatruję dwie wersje.

    Pierwsza zakłada zamontowanie samego wskaźnika. Czy wystarczy go po prostu podpiąć zamiast kontrolki?

    Druga wersja zakłada zamontowanie wskaźnika i kontrolki. Bardziej zależy mi na tej drugiej wersji.
    Jak podłączyć i wskaźnik i kontrolkę?
  • REKLAMA
  • #2 11008547
    Konto nie istnieje
    Konto nie istnieje  
  • REKLAMA
  • #3 11008598
    fred77
    Poziom 12  
    Motronic napisał:
    A to jest woltomierz czy amperomierz?


    A tego to nie wiem.
    Nie mam bladego pojęcia.
  • #4 11008604
    Konto nie istnieje
    Konto nie istnieje  
  • REKLAMA
  • #5 11008661
    fred77
    Poziom 12  
    Motronic napisał:
    Pokaż jak wygląda cyferbat.


    Nie zrobiłem zdjęcia cyferblatu.

    Na allegro znalazłem zdjęcie takiego wskaźnika z Uaza. Podejrzewam, że są identyczne, bo ten co mam nie ma żarówki podświetlającej i pochodzi z samochodu GAZ.

    Stare wskaźniki z samochodu GAZ. Jak podłączyć?
  • #7 11008912
    Konto nie istnieje
    Konto nie istnieje  
  • #8 11009433
    fred77
    Poziom 12  
    Motronic napisał:
    Czyli amperomierz, już wiesz jak podpiąć.


    No to jeżeli chciałbym podpiąć sam wskaźnik to podpinam go w miejsce kontrolki.

    A jak podłączyć zarówno kontrolkę i wskaźnik? Mam się dodatkowo wpiąć w obwód kontrolki?
  • #9 11009446
    emeryt2
    Poziom 42  
    Ludziska , Fred77 , nic z tego nie rozumie , przenieście ten temat na oślą łączkę , gdyż sam zrobi sobie krzywdę i podpali samochód!
  • #10 11009453
    blazej.1994
    Poziom 24  
    Szeregowo między alternatorem a akumulatorem. Dobrze mówię?
  • #11 11009557
    kierbedz4
    Poziom 36  
    Tak. Odkręć nakrętkę M6 ze śruby alternatora po odłączeniu akumulatora od instalacji a następnie zdejmij ten kabel z tej śruby. Zarób kawałek przewodu o przekroju od 6 do 10 mm2 o długości takiej aby od tej śruby alternatora z jednej strony a z drugiej strony abyś go podpioł na śrubę tego zabudowanego amperomierza .Ten poprzednio odpięty przewód od śruby alternatora podepnij pod drugi zacisk śrubowy tego amperomierza.Jeżeli amperomież będzie pokazywał rozładowanie zamiast ładowania to zamień miejscami te dwa przewody na amperomierzu a następnie załóż ponownie klemę na akumulatorze.Dlaczego przy tej operacji trzeba zdjąć jedną klemę z akumulatora ano dlatego że na tej śrubie tylnej pokrywy alternatora i przykręconym do tej śruby kablem występuje stale napięcie i odłączenie masy lub dodatniego przewodu od akumulatora na czas przeróbki nie spowoduje zwarcia na instalacji.Oświetlenie tego amperomierza otrzymasz montując styk oprawki żarówki przewodem na wyjście świateł pozycyjnych przy czym metalowa obudowa tego amperomierza powinna być uziemiona do masy pojazdu.Jego metalowa konstrukcja jest drugim przewodem dla żarówki.
  • #12 11009592
    fred77
    Poziom 12  
    emeryt2 napisał:
    Ludziska , Fred77 , nic z tego nie rozumie , przenieście ten temat na oślą łączkę , gdyż sam zrobi sobie krzywdę i podpali samochód!


    A Ty oczywiście wszystko zawsze rozumiesz. Mniej więcej wiem ale nie jestem stuprocentowym znawcą dlatego wolę się dopytać, po to żeby nie bawić się metodą prób i błędów, tracić czas lub żeby nic nie uszkodzić.

    kierbedz4 napisał:
    Tak. Odkręć nakrętkę M6 ze śruby alternatora po odłączeniu akumulatora od instalacji a następnie zdejmij ten kabel z tej śruby. (...) Oświetlenie tego amperomierza otrzymasz montując styk oprawki żarówki przewodem na wyjście świateł pozycyjnych przy czym metalowa obudowa tego amperomierza powinna być uziemiona do masy pojazdu.Jego metalowa konstrukcja jest drugim przewodem dla żarówki.


    OK. Wszystko jasne. Tylko, że nie chodzi mi o podświetlenie samego wskaźnika. Chodzi mi o dodatkowe podłączenie lampki kontrolnej ładowania. :wink: Tak żeby i wskaźnik i lampka kontrolna sygnalizowały ładowanie lub jego brak.
  • #13 11009619
    kierbedz4
    Poziom 36  
    Fred 77 przychamuj nieco bo dla jednych jest to i owo piekielnie proste jak budowa cepa a dla drugiego to zagadnienie stanowi problem. Właśnie od tego jest Elektroda aby te tematy poruszać.

    Dodano po 6 [minuty]:

    Jeżeli jest lampka zabudowana fabrycznie w układzie ładowania to zostaw ją w spokoju tak jak jest podłączona.Ona będzie bez problemu pracować jak poprzednio.
  • #14 11009666
    kwantor
    Poziom 38  
    Zico63 wkleił link, zamiast głupio się kompromitować, wpierw poczytajcie co tam jest napisane.
    Tego typu amperomierz wpina się tak, aby mieć obraz ładowania i poboru prądu z akumulatora. Takim miejscem na pewno nie jest alternator.
    Miejscem takim może być dowolne, (Ale wygodne i sensowne) "przecięcie" kabla prowadzącego od śruby zaciskowej + na rozruszniku- do instalacji odbiorczej samochodu, może być przed stacyjką, zależy czy jest przekaźnik główny.
    Kiedyś taka Syrenka , czy Zuk, miały minimalny pobór prądu i amperomierz 30A spokojnie wystarczał.
    Dzisiaj- nie wiem, ale konkretny wentylator chłodnicy potrafi wziąć ponad 20 A i stosuje się jak już, amperomierze bocznikowe, gdzie bocznikiem jest odcinek wspomnianego przewodu, od rozrusznika.
    Myślę, że jest to jasne, że nie mierzymy prądu zużywanego przez rozrusznik.
  • REKLAMA
  • #15 11010317
    emeryt2
    Poziom 42  
    Fred77 , zamiast przywołanego miernika / amperomierza / i związane z tym problemy doprowadzenia przewodu o dużym przekroju do kabiny , złóż sobie na 4 -ech diodach LED wskaźnik poziomu napięcia. Tanie to i wygodne w użyciu.

    W poprzednim poście wyraziłem obawę o Twoje zdrowie i straty materialne po spalenia Twojego wehikułu! Kolega Kwantor dobrze pisze ; czytaj , czytaj i jeszcze raz duuużo czytaj , a potem zadaj pytania!
  • #16 11011593
    fred77
    Poziom 12  
    emeryt2 napisał:
    Fred77 , zamiast przywołanego miernika / amperomierza / i związane z tym problemy doprowadzenia przewodu o dużym przekroju do kabiny , złóż sobie na 4 -ech diodach LED wskaźnik poziomu napięcia. Tanie to i wygodne w użyciu.

    Nie znam się na elektronice, na diodach, opornikach itp. Potrafię jedynie pojąć proste układy elektryczne i sam je wykonać. Nie chcę żadnych diod itp, bo mi to nie odpowiada, nie podoba się i nie pasuje do moich założeń.

    emeryt2 napisał:

    W poprzednim poście wyraziłem obawę o Twoje zdrowie i straty materialne po spalenia Twojego wehikułu! Kolega Kwantor dobrze pisze ; czytaj , czytaj i jeszcze raz duuużo czytaj , a potem zadaj pytania!

    Drezyna jest cała stalowa także nie ma się tam co spalić. Ogólny układ elektryczny jest prymitywnie prosty także w przypadku pożaru jedyną stratą będzie zwęglona izolacja kabli. Ponieważ - jak wspomniałem wcześniej - nie znam się na zawiłościach elektrycznych dlatego pytam. Dla kogoś kto w tym całe życie siedzi, skończył jakąś szkołę w tym kierunku to może jest to proste ale ja zwyczajnie nie bardzo pojmuję niektórych dialogów, nazw, określeń prezentowanych na forum. Poza tym zależy mi na czasie i nie mam kiedy studiować forum.
    Niektóre sprawy trzeba mi po prostu "łopatologicznie" wytłumaczyć.

    A wydawało mi się, że zadałem dość proste pytanie dotyczące tego jak podłączyć widoczny na zdjęciach wskaźnik oraz dodatkowo kontrolkę ładowania tak żeby to działało.

    Przyznam, że czytając odpowiedzi kolegów kierbedz4 i kwantor to dalej mam mętlik w głowie.


    :wink:
  • #17 11011665
    Zico63
    Poziom 37  
    No to się dogadaliśmy. To jest to?:
    https://www.elektroda.pl/rtvforum/topic2313852.html#10993790
    To ponieważ instalacja i tak robiona jest od podstaw, proponuję gruby przewód z "B+ "alternatora (lub "30" regulatora napięcia jeśli jest to jeszcze "dynamo") podłączyć nie jak było w Maluchu do rozrusznika ale do śrubki "+" amperomierza. Do tej samej śrubki przykręcamy przewód do kabiny/deski rozdzielczej. Do śrubki "-" dajemy "dalszy ciąg" tego przewodu, do klemy dodatniej akumulatora.
    Jest to więc wariant "C" z tematu z wyżej podanego linku.
    Jeśli ma Kolega alternator - musi być jakaś forma "stacyjki", nwet zwykły włącznik hebelkowy na kilka amper do włączania kontrolki ładowania.
  • #18 11013317
    fred77
    Poziom 12  
    Zico63 napisał:
    No to się dogadaliśmy. To jest to?:
    https://www.elektroda.pl/rtvforum/topic2313852.html#10993790
    To ponieważ instalacja i tak robiona jest od podstaw, proponuję gruby przewód z "B+ "alternatora (lub "30" regulatora napięcia jeśli jest to jeszcze "dynamo") podłączyć nie jak było w Maluchu do rozrusznika ale do śrubki "+" amperomierza. Do tej samej śrubki przykręcamy przewód do kabiny/deski rozdzielczej. Do śrubki "-" dajemy "dalszy ciąg" tego przewodu, do klemy dodatniej akumulatora.
    Jest to więc wariant "C" z tematu z wyżej podanego linku.
    Jeśli ma Kolega alternator - musi być jakaś forma "stacyjki", nwet zwykły włącznik hebelkowy na kilka amper do włączania kontrolki ładowania.


    Kombinuję dalej i takie coś mi wyszło.

    A czy ten wskaźnik będzie działał cały czas? Bo zależy mi na tym by działał tylko po włączeniu zapłonu.

    Stare wskaźniki z samochodu GAZ. Jak podłączyć?
  • Pomocny post
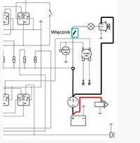
    #19 11013399
    Zico63
    Poziom 37  
    To jest amperomierz, bez połączenia z masą i jego połączenie nawet bez stacyjki NIE SPOWODUJE negatywnych konsekwecji, nie wyładuje akumulatora ani nic z tych rzeczy; przeciwnie: od razu będzie widział Kolega pobór prądu, np przez zapomniane światlo czy coś w tym stylu. Tylko dałbym go w inne miejsce (dorysowałem, bo i lampka jest źle) bo jeśli ma Kolega alternator to wydatek jego jest duży i pomiar pracy alternatora nie jest konieczny (dodatkowo mamy lamkpę). Bardziej przyda się kontrola bilansu.
    Włącznik MUSI być, bo by lampka stale świeciła!

    I zasilanie (również włączanie) rozrusznika musi omijać amperomierz. I będzie dobrze!

    Stare wskaźniki z samochodu GAZ. Jak podłączyć?
  • #20 11175752
    fred77
    Poziom 12  
    No i amperomierz podłączony.
    Wzorowałem się na schemacie elektrycznym z Żuka.
    Przy rozruszniku oprócz grubego kabla rozruchowego podłączyłem cieńszy kabel. Drugi koniec tego cieńszego kabla przymocowałem do jednego zacisku amperomierza. Do drugiego zacisku podłączyłem kabel zasilający wszystkie odbiorniki oraz kabel ładowania akumulatora.

    Wszystko pięknie działa.

    A oto krótki film.



REKLAMA