logo elektroda
logo elektroda
X
logo elektroda
REKLAMA
REKLAMA
Adblock/uBlockOrigin/AdGuard mogą powodować znikanie niektórych postów z powodu nowej reguły.

Jak zamontować lampkę sygnalizującą wyzwolenie poduszki SRS?

12pawel 18 Cze 2012 19:18 3244 22
REKLAMA
  • #1 11014979
    12pawel
    Poziom 34  
    Witam
    Potrzebuje podebrać sygnał ze sterownika poduszek powietrznych z informacją o wyzwoleniu poduszek (sygnał wyzwalający poduszkę)
    Dokładnie chodzi o to że chcę odłączyć poduszkę od sterownika i zamiast niej zamontować lampkę sygnalizującą wyzwolenie poduszki.Lampka po otrzymaniu sygnału ma się świecić do momentu skasowania zwykłym przyciskiem.
    Wszystko niby jest proste bo myślałem że zrobię podtrzymanie na zwykłym przekaźniku, ale pojawił się problem ponieważ żeby sterownik nie wykrył błędu to do jego wyjścia musi być podłączona rezystancja XXX (tyle co ma poduszka (nie wolno mierzyć poduszki!)), a przekaźnik ma większą rezystancję i sterownik wywala błąd obwodu.
    Jak można inaczej zrobić podtrzymanie impulsowego sygnału aby rezystancja wejściowa wynosiła ok 5Ω? Myślałem też o tyrystorze, ma ktoś jakiś pomysł jak to rozwiązać.

    Dodam tylko, że nie ingeruje w instalację SRS samochodu. Potrzebne mi to jest w innym celu, więc kwestie bezpieczeństwa pasażerów można pominąć.
  • REKLAMA
  • #2 11015543
    sandal7
    Poziom 21  
    wepnij przekażnik równolegle z opornikiem i będzie działać, oczywiście przekażnik odpowiednio podłączony aby sam się podtrzymał bo impuls na poduche jest krótki.
  • REKLAMA
  • #3 11683301
    12pawel
    Poziom 34  
    Witam ponownie. Rezystor z przekaźnikiem oczywiście trzyma określoną rezystancję lecz sygnał ze sterownika nie daje rady załączyć przekaźnika. Przekaźników jest kilka na każdą poduszkę osobny. Czy jest jakiś układ elektroniczny który dałby informacje o krótkim impulsie.
  • REKLAMA
  • Pomocny post
    #4 11683600
    kybernetes
    Poziom 39  
    Taki układ nazywa się przerzutnik.
  • Pomocny post
    #5 11683645
    ssb.mixer
    Poziom 17  
    12pawel napisał:
    Witam ponownie. Rezystor z przekaźnikiem oczywiście trzyma określoną rezystancję lecz sygnał ze sterownika nie daje rady załączyć przekaźnika. Przekaźników jest kilka na każdą poduszkę osobny. Czy jest jakiś układ elektroniczny który dałby informacje o krótkim impulsie.


    Podłącz sondę oscyloskopową pod opornik, tak aby mierzyć spadek napięcia na oporniku. W momencie wyzwolenia poduszek będziesz widział jaki jest impuls: ile trwa oraz jaki prąd przepływa przez opornik. Jeśli już będziesz widział jakie parametry ma impuls wyzwalający poduszkę to łatwo dodać jakiś wzmacniacz operacyjny i przerzutnik np. TTL albo CMOS.
  • #6 11683676
    12pawel
    Poziom 34  
    Jeśli nie będzie innego rozwiązania to będę musiał to wszystko pomierzyć tak jak napisałeś. Na razie jednak jest taki problem że dostęp do diagnoskopu żeby odpalić sterownika będę miał dopiero po sylwestrze, A przez ten czas chciałbym już zrobić jakiś układ podtrzymujący sygnał. To co wiem na pewno to sygnał wyzwalający to 12V, Jeśli chodzi o prąd to jest raczej znikomy gdyż energia na ten sygnał pochodzi z 2 kondensatorów 2200µF.
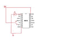
    Znalazłem na elektrodzie taki schemat przerzutnika RS Jak zamontować lampkę sygnalizującą wyzwolenie poduszki SRS?
    Czy takie coś się nada?
    A Wspominaliście o gotowych scalakach TTL. Są do kupienia gotowe przerzutniki?
  • #8 11683881
    12pawel
    Poziom 34  
    Przerzutnik #2 z linku byłby chyba rozwiązaniem, lecz jeśli by się dało kupić coś gotowego to byłoby o wiele lepiej bo trawić teraz 4 takie płytki i lutować to sporo roboty.
  • Pomocny post
    #9 11686523
    ssb.mixer
    Poziom 17  
    12pawel napisał:
    Przerzutnik #2 z linku byłby chyba rozwiązaniem, lecz jeśli by się dało kupić coś gotowego to byłoby o wiele lepiej bo trawić teraz 4 takie płytki i lutować to sporo roboty.


    Da się, są takie gotowe i w handlu od co najmniej 50 lat. Pewno coś z rodziny CMOS byłoby ok. bo można zasilać chyba do 15V (może CD4013 albo coś z rodziny CD4000).
  • Pomocny post
    #10 11686827
    emeryt2
    Poziom 42  
    Można tez wykorzystać rodzinę 4044 i4043. Noty aplikacyjne znajdziesz pod adresem; Elenota.
  • #12 11687657
    12pawel
    Poziom 34  
    Ok dzięki za informacje o scalakach, będzie to duże ułatwienie.
    Strumien swiadomosci swia napisał:
    a jak skasujesz sterownik poduszek, przycisk nie pomoże.

    To już nie jest żaden problem. Sterownik wpinam w diagnoskop i robię co chcę.
    Tematu na razie nie zamykam bo może będę miał pytania co do tych scalaczków, na razie wiem co robić dzięki.
  • #13 11690627
    Pati
    Poziom 27  
    12pawel napisał:
    Przerzutnik #2 z linku byłby chyba rozwiązaniem, lecz jeśli by się dało kupić coś gotowego to byłoby o wiele lepiej bo trawić teraz 4 takie płytki i lutować to sporo roboty.


    A ten sygnał wyjściowy nie powinien być czasem zawęzłowany z kolektorem tego tranzystora? Bo jak nie to średnio widzę sens obwodu z tranzystorem (ten na pierwszy od lewej).
  • #14 11692070
    12pawel
    Poziom 34  
    Cytat:
    rezystancja XXX (tyle co ma poduszka (nie wolno mierzyć poduszki!))

    Panie moderatorze drogi. Jak się nie wie czym mierzyć, jak mierzyć i co mierzyć to ok nie można, natomiast nie należy uogólniać mierników i poduszek gazowych. Możliwości są i to bezpieczne. Rozwijać się nie będę bo temat jest o czymś innym.

    Panie użytkowniku drogi. Moja uwaga jest dla tych co nie wiedzą, dla ich własnego bezpieczeństwa. Proszę też nie podawać publicznie sposobów na oszukanie sterownika SRS. [ociz]
  • #15 11796895
    12pawel
    Poziom 34  
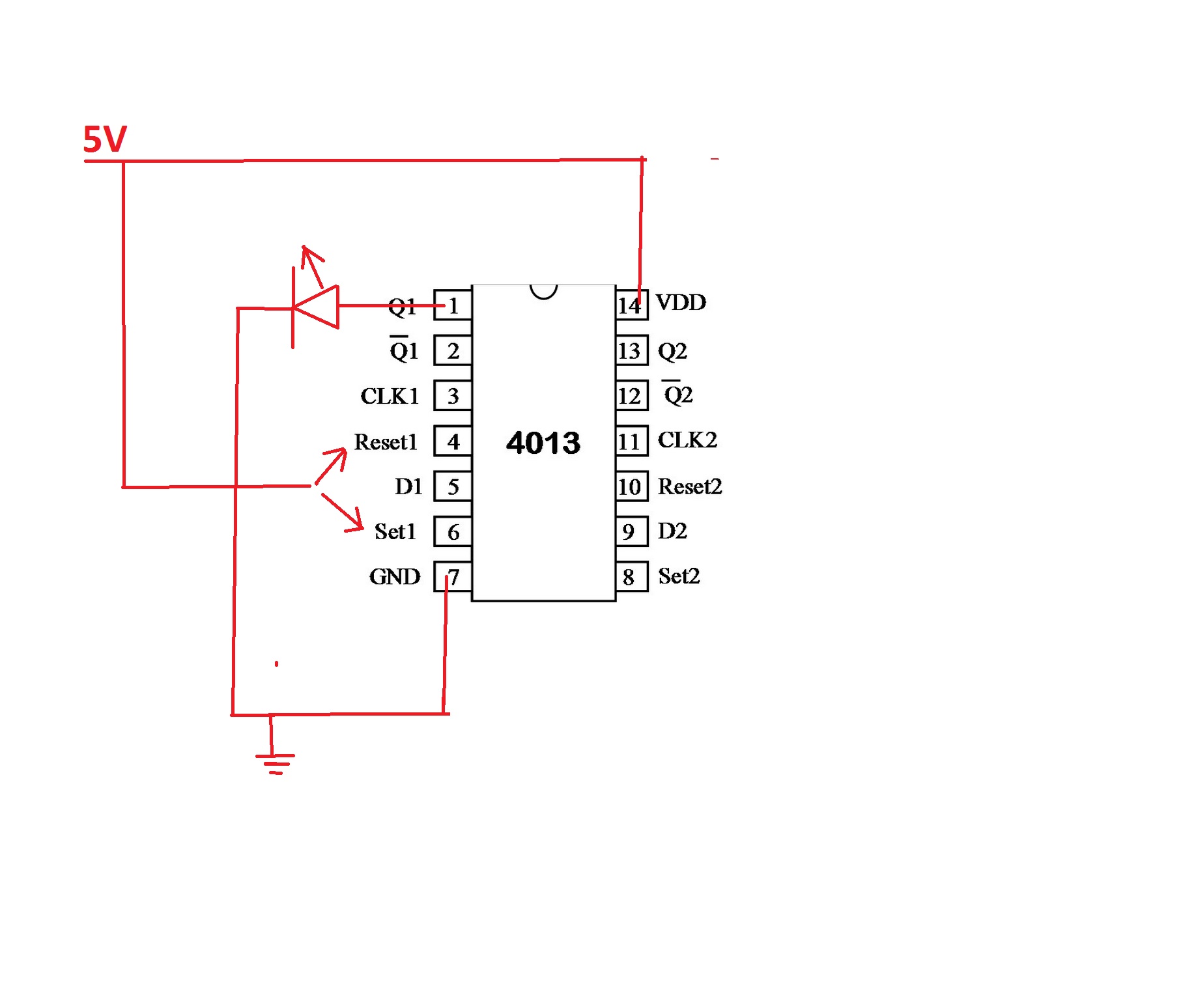
    Witam ponownie. Kupiłem scalaka CD4013 i mam problem. Zrobiłem na chwilę obecną coś takiego Jak zamontować lampkę sygnalizującą wyzwolenie poduszki SRS?

    Strzałkami zaznaczyłem że podaje raz sygnał na set raz na reset by wykonac przełączanie.
    Po podłączeniu zasilania dioda od razu się zapala i nie gaśnie po podaniu sygnału na reset, ani na podaniu sygnału na set.
    Czy czegoś jeszcze nie podłączyłem prawidłowo?
  • REKLAMA
  • #16 11796941
    ssb.mixer
    Poziom 17  
    12pawel napisał:


    Strzałkami zaznaczyłem że podaje raz sygnał na set raz na reset by wykonac przełączanie.
    Po podłączeniu zasilania dioda od razu się zapala i nie gaśnie po podaniu sygnału na reset, ani na podaniu sygnału na set.
    Czy czegoś jeszcze nie podłączyłem prawidłowo?


    A jak podajesz sygnał, zwierając wejście z +5V? Jak pamiętam tutaj niepodłączone wejście jest w stanie wysokim, więc podłączając do +5V nic nie zmieniasz. I brakuje kondensatora na zasilaniu, oraz przydałoby się podciągniecie bo wejścia CMOS mają wysoką impedancję.
  • #17 11797099
    12pawel
    Poziom 34  
    ssb.mixer napisał:
    A jak podajesz sygnał, zwierając wejście z +5V?

    Dokładnie tak. Czyli rozumiem że sygnał muszę wziąć z innego źródła zasilania?
    ssb.mixer napisał:
    I brakuje kondensatora na zasilaniu

    Tutaj mam zasilacz z kondensatorem więc to chyba już dublować nie trzeba?
    ssb.mixer napisał:
    przydałoby się podciągniecie bo wejścia CMOS mają wysoką impedancję.

    Domyślam się że brakuje jakiegoś rezystora. czy możesz napisać gdzie?
  • #18 11797267
    carrot
    Moderator Samochody
    Jak robiłem przerzutnik RS na bramkach ttl, to musiałem odseparować wyjście Q jedną bramką not, bo dioda led "podciągała" pod + jedno wejście bramki przerzutnika i nie działał prawidłowo, oczywiście wystarczy dać jakikolwiek tranzystor, ja akurat użyłem bramki logicznej, bo w 7400 miałem 2 zbędne
  • Pomocny post
    #19 11798079
    emeryt2
    Poziom 42  
    O czym bajdurzycie Koledzy , z tych podpowiedzi nic nie będzie.
    Do 12paweł ; źle masz skonfigurowany układ ; reset (4) łączysz z S (6) i masą , a sterowanie na CLK. Nie Q (takie z kreseczką na Q) z D. Pisze z pamięci. Podałem adres , gdzie masz różne konfiguracje , przeglądnij i dopasuj!
  • #20 11798155
    12pawel
    Poziom 34  
    No właśnie ja już tak patrzyłem na niektóre aplikacje i tam jest tak jak mówisz z tym łączeniem, a sterowanie na clk. Problem z tym że u mnie sterownik srs ma dawać sygnał a ja mam go resetować przyciskiem, stąd też właśnie zacząłem kombinować z tym set i reset. Chciałem na set dać sygnał ze sterownika a reset to mój przycisk. Jeśli zaś trzeba to robić na clk to zrobię tak że jeden sygnał będzie włączający ze sterownika a drugi będzie mój podłączony równolegle z przycisku (wyłączanie).
  • #21 11798238
    emeryt2
    Poziom 42  
    Nic nie przeszkadza w sprawdzeniu różnych konfiguracji. Na schemacie adaptacyjnym z tabelki logicznej wszystko wyczytasz!
  • #22 11798487
    ssb.mixer
    Poziom 17  
    12pawel napisał:
    ssb.mixer napisał:
    A jak podajesz sygnał, zwierając wejście z +5V?

    Dokładnie tak. Czyli rozumiem że sygnał muszę wziąć z innego źródła zasilania? [


    Przecież werjście jest w stanie wysokim więc podłączenie do +5 nic nie zmieni, trzeba do masy podlączć.

    12pawel napisał:

    ssb.mixer napisał:
    przydałoby się podciągniecie bo wejścia CMOS mają wysoką impedancję.

    Domyślam się że brakuje jakiegoś rezystora. czy możesz napisać gdzie?


    Podciągnąć do masy albo do zasilania.

    Ten post nadaje się do działu nauka elektroniki alboco po to są podstawy.
  • #23 11801070
    12pawel
    Poziom 34  
    Emeryt2 miał rację, jego opis zadziałał. Temat jak dla mnie już wyczerpany zamykam. Dzięki
REKLAMA