logo elektroda
logo elektroda
X
logo elektroda
REKLAMA
REKLAMA
Adblock/uBlockOrigin/AdGuard mogą powodować znikanie niektórych postów z powodu nowej reguły.

Johnny II ASC - brak odbioru, problem z filtrem 10,70MHz w 1 stopniu p.cz.

Szymon 21 Cze 2012 15:55 2707 2
REKLAMA
  • #1 11026537
    Szymon
    Poziom 20  
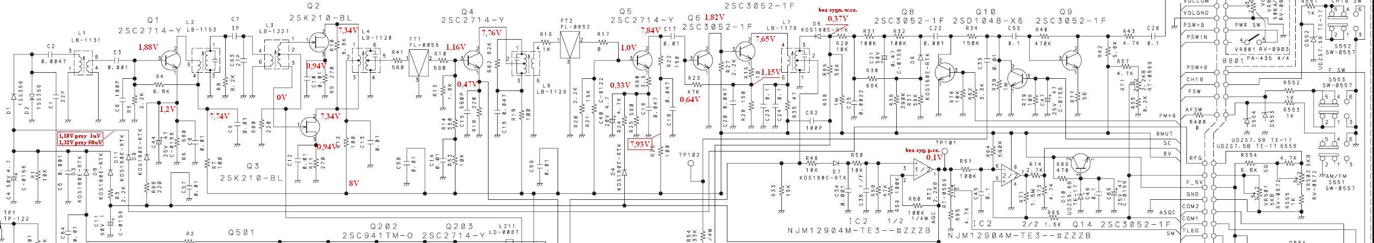
    Witam radio jak w temacie. Problem jest następujący , nadawanie ok , odbiór uszkodzony. Wymieniłem filtr 455kHz gdyż był uszkodzony w 2 stopniu p.cz. Metodą na "palec" drugi stopień działa już ok, gdyż słychać szum. Natomiast w 1 stopniu p.cz na filtrze 10,70Mhz dotykając wyjścia słychać szum , ale dotykając wejścia już nic nie słychać . Podmieniłem filtr i bez efektu. Sprawdziłem diody D1, D2 , C1, C2, C3 wszystko sprawne. Napięcia na kubkach L1-L4 także. Proszę o jakieś sugestie co mogę jeszcze sprawdzić gdyż szczerze nie mogę znaleźć żadnego defektu. Moim zdaniem dotykając wejścia filtru 10,70Mhz pośrednia powinna się generować a tu nic :cry: jak w przypadku 455kHz. Jakie powinny byc napiecia na D1 i D2 oraz linia VCO w 2 stopniu mieszacza, może ktoś mi podpowie .
  • REKLAMA
  • #2 11026932
    bc211
    Poziom 30  
    A może z innej beczki. Nieoryginalny głośnik i rozwalone (przerwane uzwojenia) L6 ?
  • #3 11028820
    SP5ANJ
    Spoczywaj w Pokoju
    Witam.
    Szymon napisał:
    Jakie powinny byc napiecia na D1 i D2 oraz linia VCO w 2 stopniu mieszacza, może ktoś mi podpowie .


    Johnny II ASC - brak odbioru, problem z filtrem 10,70MHz w 1 stopniu p.cz.


    Zwróć uwagę, że filtry ceramiczne 10,7MHz czasami się również psują.


    Pozdrawiam.
REKLAMA