logo elektroda
logo elektroda
X
logo elektroda
REKLAMA
REKLAMA
Adblock/uBlockOrigin/AdGuard mogą powodować znikanie niektórych postów z powodu nowej reguły.

Midland 1001z - Jakie podać napięcie na VCO żeby odbierać częstotliwość 27.555

kuran17 17 Lip 2012 16:03 3074 10
REKLAMA
  • #1 11115722
    kuran17
    Poziom 19  
    Witam tak jak w temacie jakie napięcie podać na VCO w tym cb radiu /jakie napięcie przestraja generator o 10 khz
  • REKLAMA
  • #2 11115894
    bc211
    Poziom 30  
    Po prostu: aby uzyskać tę samą f - w każdym innym egzemplarzu M-1001z strojące będzie miało inną wartość napięcia DC
    W tym wypadku przy 27.555MHz zawsze będzie kilkaset mV wyższe, niż na tzw. 'podstawie'
  • REKLAMA
  • Pomocny post
    #3 11116019
    SP5ANJ
    Spoczywaj w Pokoju
    Witam.
    kuran17 napisał:
    Witam tak jak w temacie jakie napięcie podać na VCO w tym cb radiu /jakie napięcie przestraja generator o 10 khz

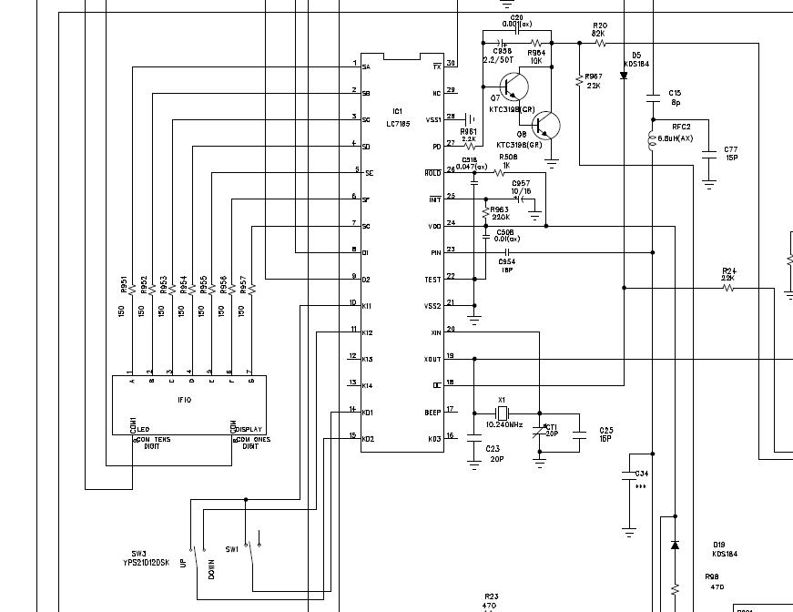
    Aby uzyskać częstotliwość 27,555 MHz - to nie jest problem w zasilaniu samego VCO a tylko w "kodzie" ustawień na wejściach PLL-a (pokazałem na czerwono) :

    Midland 1001z - Jakie podać napięcie na VCO żeby odbierać częstotliwość 27.555
    wyraźniejszy schemat :
    Midland 1001z - Jakie podać napięcie na VCO żeby odbierać częstotliwość 27.555

    Cytat:
    jakie napięcie przestraja generator o 10 khz

    Krok rastra 10kHz to wewnętrzny dzielnik :1024 z częstotliwości Wzorca 10,240 MHz, który jak widać dzieli właśnie (jako Wzorzec Kanałowy) na 10kHz.
    (10,240 MHz / 1024 = 0,010 MHz czyli 10kHz)

    Generator wzorca (10,240MHz) i mieszacza dla II p.cz. odbiornika (455kHz) :

    Midland 1001z - Jakie podać napięcie na VCO żeby odbierać częstotliwość 27.555

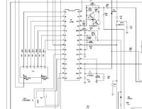
    Abyś mógł przestroić się na wymaganą częstotliwość - to powinieneś tylko sprawdzić/ustalić/zmodyfikować - kod wejściowy dzielnika na wejściu PLL układu LC7185 z "przełącznika kanałowego" IC10.

    Tu masz jak "działa" LC7185 :

    Midland 1001z - Jakie podać napięcie na VCO żeby odbierać częstotliwość 27.555

    i jego "status" podziału dla RX i TX :

    Midland 1001z - Jakie podać napięcie na VCO żeby odbierać częstotliwość 27.555

    Piny wejściowe do dzielników kanałowych to od pin 1 do pin 7 układu LC-7185 i jeżeli "wymusisz" stany logiczne na tych pin-ach (w szczególności na pin 7) to możesz zwiększyć częstotliwość "pracy" radia.

    Napięciem przestrajania na Varikap-ie (dioda pojemnościowa generatora przestrajanego napięciem) w układzie samego VCO , jest wyjście z pin 27 tego układu w ramach napięć od +1V do +4V .

    Midland 1001z - Jakie podać napięcie na VCO żeby odbierać częstotliwość 27.555


    Pozdrawiam.
  • REKLAMA
  • #4 11116335
    bc211
    Poziom 30  
    Teoretycznie byłoby to możliwe jakby wyjścia LED drive nie były typu otwarty dren i w rzeczywistości ten numer nie przejdzie.
    Napisz co kombinujesz, bo żeby odebrać SSB (tak przypuszczam) na tym radiu trzeba pogłówkować trochę.
  • Pomocny post
    #5 11119182
    green33

    Poziom 31  
    Prosta odpowiedź: różne, dla różnych ustawień rdzenia cewki w obwodzie LC generatora VCO. Może 1 V, może 1,23 V a może 3 V ... pomijam, że jak nie będziesz VCO "pilnować" pętlą PLL lub choć FLL to będzie to strasznie pływać.

    Marcin
  • #6 11119186
    kuran17
    Poziom 19  
    Tak właśnie o SSB mi chodzi. A filtru p.cz do SSB w zwykłym elektrycznym nie kupie
  • #7 11119201
    green33

    Poziom 31  
    Odbiór SSB to nie kwestia filtru, ale raczej braku odtworzenia nośnej i zdemodulowania tego. Nośną odtworzysz stosując BFO.

    Marcin
  • REKLAMA
  • #8 11119404
    kuran17
    Poziom 19  
    A Ma kolega schemat BFO na tą częstotliwość?
  • #9 11120644
    bc211
    Poziom 30  
    Wpisz w googla BFO 465kHz jest to f p.cz. w radiach unitry, do których radioamatorzy dokładają generator zeby odbierały ssb
    Vfo przestrajane z potencjometru będzie nie stabilne i można by pomyśleć o przestrajaniu referencyjnej 10,24MHz
  • #10 11122019
    green33

    Poziom 31  
    kuran17 napisał:
    A Ma kolega schemat BFO na tą częstotliwość?


    Twój provider internetu blokuje Ci domenę google.com czy wyszukiwarka na elektrodzie nie działa, czy to po prostu lenistwo ... ??

    Marcin
  • #11 11122869
    kuran17
    Poziom 19  
    Dziękuje kolegom za pomoc pomógł oczywiśćie dam.
REKLAMA