logo elektroda
logo elektroda
X
logo elektroda
REKLAMA
REKLAMA
Adblock/uBlockOrigin/AdGuard mogą powodować znikanie niektórych postów z powodu nowej reguły.

Help! Jak mam dobrac rezystory do diód ??

hayle 18 Sty 2005 12:48 1647 3
REKLAMA
  • #1 1149014
    hayle
    Poziom 11  
    Witam!
    Niejestem tak dobry jak wiekszosc chyba uzytkowników tego wforum w elektronice, dlatego mam własnie problem z dobraniem odpowiednich rezystorów do diód.
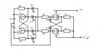
    Na poniższym rysunku widnieja 4 diody - w układzie ich kolory to 2 zielone i 2 czerwone. Chciałbym zmienic na syperjasna i na niebieska zamiast 2 czerwonych jednak one beda strasznie słabo swiecic a chciałbym zeby swieciły nieco mocniej dlatego trzeba inny rezystor niestety niewiem jaki
    Układ zasilany jest nap. stałym 5V (na moim zasilaczu stab. 4,5V)
    Elementy i ich parametry
    US1 - UCY 7400 (UCY74123)
    R1,R2 - 1K ohm
    R3, R4 - 2,1K ohm
    R5, R6 - 100 ohm
    C1, C2 - 100uF / 6,3V
    C3,C4 1nF KCP

    PS: Jest to układ do samodzielnego montazu jednak ten efekt świetlny jest niezadowalający...

    Prosze o pomoc!

    Pozdrawiam!

    HayleR
  • REKLAMA
  • Pomocny post
    #2 1149684
    Krawczak
    Poziom 31  
    Witaj ,aby zwiększyć prąd musisz zmniejszyć R5 iR6 a najlepiej wsadż poti 100ohm i regulując od największej rezystancji ustal intensywność świecenia ,oczewiscie kontroluj prąd abyś nie uszkodził bramek .Pozdr
  • REKLAMA
  • #3 1150041
    hayle
    Poziom 11  
    Krawczak napisał:
    Witaj ,aby zwiększyć prąd musisz zmniejszyć R5 iR6 a najlepiej wsadż poti 100ohm i regulując od największej rezystancji ustal intensywność świecenia ,oczewiscie kontroluj prąd abyś nie uszkodził bramek .Pozdr


    A myslalem ze to chodzi o R3 i R4 i ze nalezy je zmniejszyc do 1,8 K ohm i jush nawet takie rezystory kupiłem... :(
    PS: Bramek jako tako niema bo sa one w układzie scalonym ;)
    PS2: Moze ktoś jeszcze by sie wypowiedział ??
  • Pomocny post
    #4 1153312
    _jta_
    Specjalista elektronik
    UCY74123 to trochę co innego, niż UCY7400, może masz na myśli UCY74132?
    Jest pewien problem - gwarantowane napięcie na wyjściu bramkek TTL serii
    standard jest 2.4V; bez obciążenia zwykle dają około 3.5V, i tyle potrzebuje LED
    biały lub niebieski, żeby świecił... a pod obciążeniem napięcie siada, więc prąd
    będzie malutki - pozostaje zastosowanie innych bramek, i dobranie oporników
    R5, R6 tak, żeby dla dowolnego LED-a użytego w układzie opornik nie był
    mniejszy niż napięcie zasilania minus spadek napięcia na LEDzie przy 20mA,
    podzielone przez 20mA - wtedy przynajmniej nie spalisz LEDów...
REKLAMA