logo elektroda
logo elektroda
X
logo elektroda
REKLAMA
REKLAMA
Adblock/uBlockOrigin/AdGuard mogą powodować znikanie niektórych postów z powodu nowej reguły.

Acer V193HQ D - wartość oporu R605 w uszkodzonej przetwornicy?

janomo 20 Lip 2012 15:24 2749 2
REKLAMA
  • #1 11126225
    janomo
    Poziom 24  
    Witam.
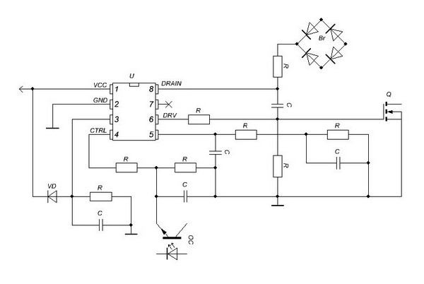
    Przetwornica została uszkodzona prawdopodobnie przez burzę. Rozerwany tranzystor Q601 - P7NK80ZFP i IC601 - najprawdopodobniej TEA1530 - ale proszę o potwierdzenie bo z obudowy niewiele zostało. Największy problem to opór R605 z 300V na nóżkę 8 IC601 oznaczoną DRAIN. Niestety nie znalazłem datasheet-u układu TEA1530 gdzie podana była by wartość tego opora. Schematu również nie posiadam. Rezystor pomimo spalenia pokazuje około 500Ω.
    Reszta monitora sprawna - uruchomiłem na zewnętrznym zasilaczu więc warto naprawiać.
  • REKLAMA
  • #2 11126981
    SLAVCO1983
    Poziom 18  
    Witam mam P195HQ nie wiem czy będę mógł pomóc podaj model zasilacza i zdiątko może pomogę.
  • #3 11127009
    lisek
    Serwisant RTV
    Zależnie od modelu bo V193HQ D to nazwa handlowa, był na róznych elementach
    to jest z 2012r.
    Cytat:
    ACER V193HQ D
    procek RTD 2120
    scaler RTD 2035L
    eeprom 24c16

    lub wczesniejsza wer. z 2011 / b.wadliwa
    Cytat:
    Version V193HQ Db
    Scaler NT68667FG
    matryca MT185GW01
    Flash Pm25LV010
    NVRAM ST24LC16


    Dokładnie scalak dobierz wg. opisu na
    https://www.elektroda.pl/rtvforum/viewtopic.php?p=11085961#11085961
    czyli znajdz gdzie idzie np. pin.1 , pin.2
    potem odmarkuj wg.klucza (na górze polecanej strony) i dostaniesz nazwe scalaka
    Czy to TEA 1530 (1533 ? na razie nie wiem ?

    Acer V193HQ D - wartość oporu R605 w uszkodzonej przetwornicy?

    Popatrz http://www.4shared.com/file/8CteaDhh/Acer_LCD_V193HQ_SM20090908v2.html

    lub w zasilacz od Acer-X193W jest na TEA1530 jako U201
    na pi.8 wg. datasheeta można podawać do 650V czyli opornik niewielkiej wartośći
    TEA1530, R202-22kOm, R209-15kOm

    Ponieważ 1530 raczej niedostępny jest możliwa zamiana na 1532/lub LTA303P po Przeróbce!
REKLAMA