Procesor PIC16F628A był zawsze pierwszym wyborem autora do zastosowania w wielu projektach. Jest on prosty w obsłudze, niedrogi i łatwy do dostania. Produkowany w „kompaktowej” obudowie DIP-18 zajmuje mało miejsca na płytce drukowanej i jest wystarczająco wydajny, aby zaspokoić potrzeby hobbystów. Układ PIC16F628A jest też dobrze przyjętym następcą procesorów PIC16x84, dlatego też wiele zasobów, przykładów i książek dotyczących procesora PIC16x84 może być zastosowana dla opisywanego mikrokontrolera. W dodatku, w ofercie Microchipa dostępny jest 8-bitowy procesor PIC16F(LF)1847 (-1827, z mniejszą ilością pamięci), który był w momencie tworzenia tego opisu przez autora najbardziej wydajnym procesorem w linii PIC16F. Jest w pełni kompatybilny pod względem wyprowadzeń z układem PIC16F628A, ma 14 kB wbudowanej pamięci flash i 1 kB pamięci RAM. Do prototypowania urządzeń w oparciu o opisane 2 nowe procesory autor przygotował własną płytkę testową.
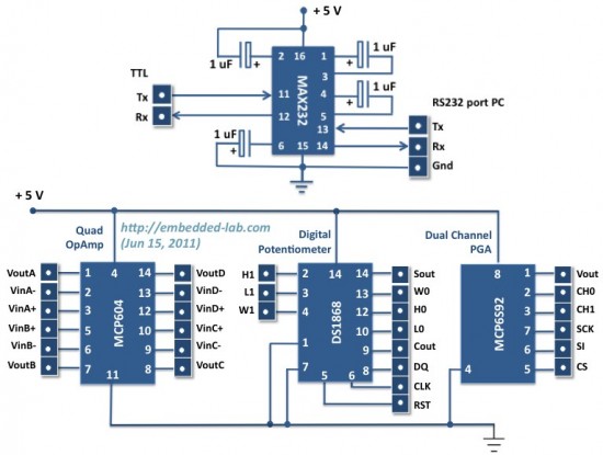
Omawiana płytka zawiera następujące elementy:
- Wyprowadzenie złącza ICSP do podłączania programatora PICkit3
- Stabilizator napięcia +5V
- Wyświetlacz LCD ze sterownikiem HD44780
- 8 diod LED
- 6 mikroswitch’y
- Potencjometr
- Konwerter poziomów TTL/RS232
- Zewnętrzna pamięć EEPROM 24LC512
- Ekspander portów MCP23008
- Poczwórny wzmacniacz operacyjny MCP602
- Potencjometr cyfrowy DS1868
- Wzmacniacz o programowanym wzmocnieniu MCP6S92
- Czujnik temperatury TC74A0
- Niewielką płytkę stykową
Płytkę testową zmontowano na uniwersalnej płytce drukowanej o wymiarach 18x12,8 cm. Wszystkie wyprowadzenia układów połączono z 2-rzędową listwą goldpinów. Poniżej pokazano rozmieszczenie komponentów na płytce uniwersalnej.
Etykiety wyprowadzeń zostały wydrukowane i przyklejone do płytki. Szczegóły połączeń przedstawione są na poniższych schematach. Całość może być zasilana z 9-woltowej baterii.
Autor przygotował również 2 programy dla mikroprocesora mające na celu przetestowanie działania poszczególnych elementów płytki. Na stronie źródłowej dostępne są także odnośniki do ćwiczeń z wykorzystaniem opisanej płytki
testowej.
Źródło
Fajne? Ranking DIY
