logo elektroda
logo elektroda
X
logo elektroda
REKLAMA
REKLAMA
Adblock/uBlockOrigin/AdGuard mogą powodować znikanie niektórych postów z powodu nowej reguły.

President Jimmy - Trzeszczenie i zakłócenia bez anteny, jarząca się dioda TX

amerdi 16 Sie 2012 08:39 2967 7
REKLAMA
  • #1 11214051
    amerdi
    Poziom 10  
    Dostałem od znajomego radio podobno miało być sprawne, nie było odsłuchu po sprawdzeniu wymieniłem głośnik i zaczęło wydawać dźwięki ale nie o takie dźwięki mi chodziło. Po oględzinach okazuje się że radyjko nadaje ale strasznie trzeszczy przy czym od czasu do czasu zaczyna jarzyć się dioda od TX (gruszka nie wciśnięta), grucha wzięta od innego radyjka i to samo. Jaka może być przyczyna takiego zachowania się radia, od czego mogą być takie zakłócenia skoro nie jest podpięta antena. Nawet jeśli podłącze dodatkowy głośnik do tylnego wejścia EXT jest ten sam efekt.

    Zgodnie z regulaminem naszego forum należy dbać o szacunek dla języka polskiego w swoich wypowiedziach. Przypominam również o punkcie 3.3 regulaminu. /Olek II/
  • REKLAMA
  • REKLAMA
  • #3 11215917
    amerdi
    Poziom 10  
    Dodam że trzeszczy na postoju i wyłączanym silniku tak że żadne ABS-y i alternatory nie wchodzą w rachubę, dołączając drugie takie samo radio pod tą samą wtyczkę jest wszystko w porządku. Dodam jeszcze że SQ minimum czy maximum tak samo trzeszczy.
    Proszę o wytłumaczenie co to jest ten układ m.cz i jeszcze jedno jak mam sprawdzić układ tda1220b bo zauważyłem że dwie ostatnie nóżki są lekko fioletowe, albo je coś przegrzało albo ktoś je przypalił jak wlutowywał, ( nie widać napraw).
    Moja wiedza o elektronice nie wielka tak że proszę o wyrozumiałość.
    ps. Szukałem ale jak coś znalazłem na forum to okazuje się że problem rozwiązany ale nikt nie napisał jak tego dokonał.

    Zmierzyłem tda1905 (wartość skacze) pierwsza noga od 1v do 2,5v druga noga od 6v do 7,5v dziwne bo w opisach piszą inaczej. Po dłuższym działaniu radia zaczęło wydawać piski sprzęgania.
  • REKLAMA
  • REKLAMA
  • #5 11218219
    amerdi
    Poziom 10  
    To był zły pomiar masę łapałem z obudowy a nie z płytki. Po zmierzeniu z właściwej masy wynik mi wyszedł taki na IC4 (tda 1905) pierwsza noga 6,7v druga noga 13,3v. Przy okazji zmierzyłem IC6 (L7808cv)1-13,2v 2-7,8v 3-0.
    Po przedmuchaniu potencjometru ON-OFF dioda od TX-a już się nie jarzy i się już nic nie sprzęga, zostały same trzaski.

    Dodano po 55 [minuty]:

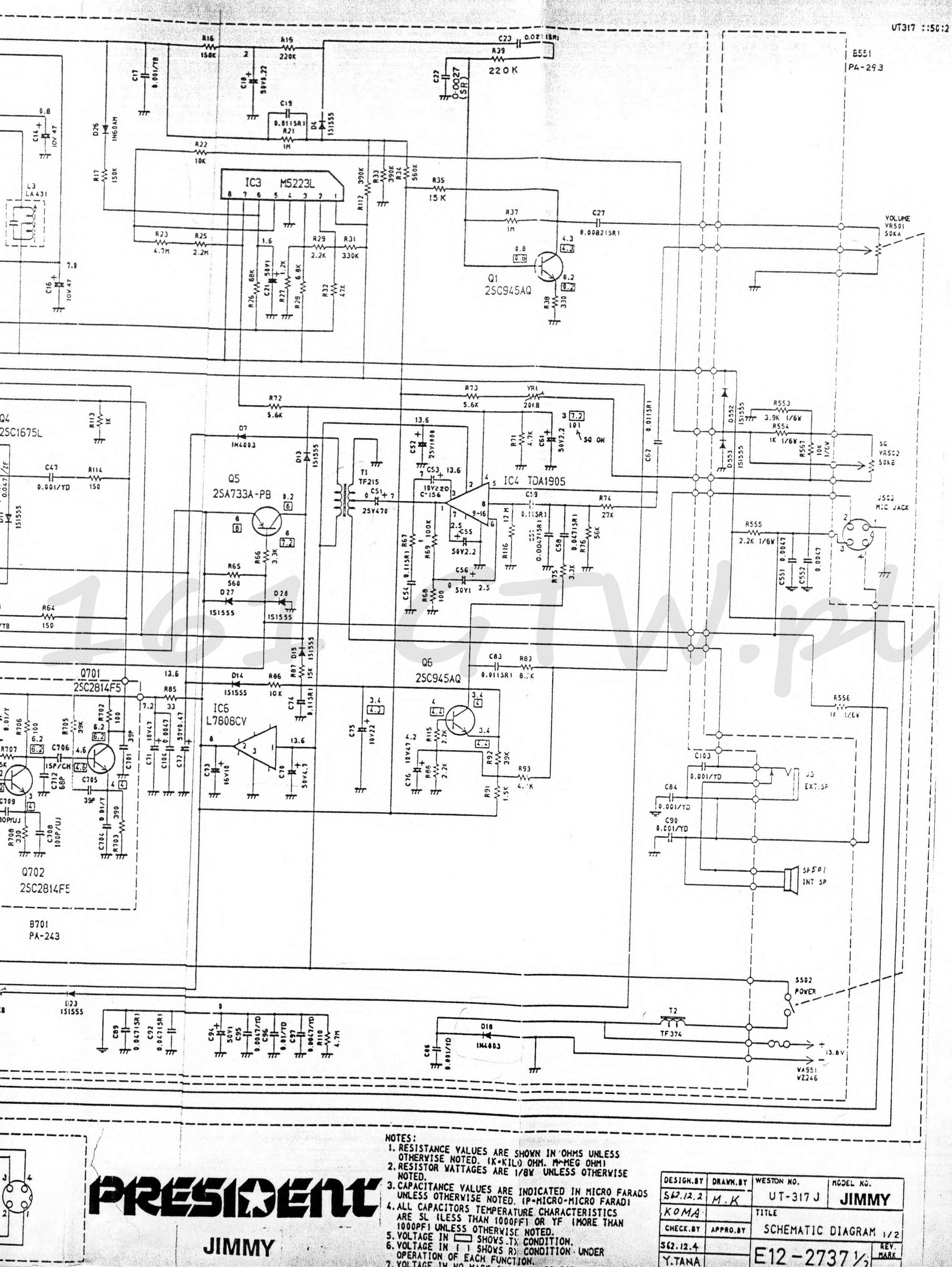
    Dodam schemat dla uproszczenia.

    https://obrazki.elektroda.pl/8325914000_1345207216.jpg
    https://obrazki.elektroda.pl/6130246800_1345207219.jpg
  • #6 11221688
    Olek II
    Moderator
    amerdi napisał:
    Po przedmuchaniu potencjometru ON-OFF dioda od TX-a już się nie jarzy i się już nic nie sprzęga, zostały same trzaski.


    Co ma potencjometr siły głosu, do żarzenia diody TX?
    amerdi napisał:
    Przy okazji zmierzyłem IC6 (L7808cv)1-13,2v 2-7,8v 3-0.


    Jeśli w obudowie TO220, to druga /środkowa/ noga jest na masie.
  • #7 11221866
    amerdi
    Poziom 10  
    nie wiem co ma potencjometr ale przestało się sprzęgać. A przy tym IC6 faktycznie złe to opisałem kolego masz racje pierwsza noga 13,2 środkowa było 0 i trzecia 7,8.
  • #8 11222004
    Olek II
    Moderator
    amerdi napisał:
    faktycznie złe to opisałem kolego masz racje pierwsza noga 13,2 środkowa było 0 i trzecia 7,8.


    No sam widzisz, jak ważne jest to, co pisze autor tematu. A jeśli chodzi o potencjometr, sam nie wiem. Wyroki Boskie są niezbadane.
    Pamiętaj jeszcze o:
    3.1.13. Zabronione jest publikowanie wpisów naruszających zasady pisowni języka polskiego, niedbałych i niezrozumiałych.
REKLAMA