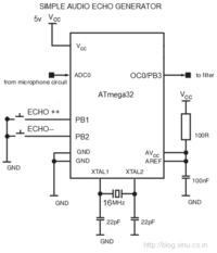
Autor, kiedy zajmował się jeszcze prostymi układami bazującymi wyłącznie na tranzystorach BC547 i BC557, nie był w stanie wyobrazić sobie, jak z tych elementów skonstruować efekt charakterystycznego echa, które można zaobserwować przy rozgłaszaniu komunikatów. W tej chwili odpowiedź stała się dla niego prosta – można wykorzystać mikrokontroler i cyfrowe przetwarzanie sygnałów. Do stworzenia echa wystarczy prosty bufor cykliczny i odpowiednia zwłoka pomiędzy zapisem i odczytem próbek. W tym celu autor zbudował urządzenie w oparciu o mikrokontroler ATMEGA32.
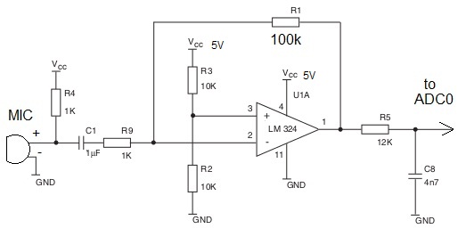
Wykorzystany w urządzeniu mikrokontroler wyposażony jest w przetwornik A/D i 2 kB pamięci RAM, co jest wystarczające do działania prostego echa. Do wychwytywania dźwięków służy mikrofon elektretowy. Sygnał dźwiękowy doprowadzany jest do przetwornika A/D przez odpowiedni wzmacniacz z dopasowaniem poziomów. Wbudowany w procesor przetwornik zamienia sygnał analogowy na cyfrowe próbki zgodnie z dobraną częstotliwością próbkowania. Następnie dane są wprowadzane do 1900-bajtowego buforu cyklicznego. Aby uzyskać opóźnienie pomiędzy wejściowym a wyjściowym sygnałem audio, wskaźniki zapisu i odczytu buforu znajdują się w różnych miejscach. Zasadę uzyskiwania maksymalnego opóźnienia z użyciem buforu przedstawiono na rysunku.
Aby uzyskać efekt echa, do zapisywanego sygnału należy dodać sygnał odczytywany, a ich stosunek powinien być mniejszy niż jeden. W ten sposób do danych w buforze dodawane jest echo. Odczytywane próbki sygnału przesyłane są do wyjścia procesora, aby uzyskać sygnał PWM. Sygnał jest demodulowany przy użyciu prostego filtru RC i może być podany na wejście wzmacniacza mocy.
Obserwacje dotyczące działania urządzenia są następujące: przy zwiększeniu szybkości próbkowania czas trwania echa maleje, za to rośnie jakość dźwięku; przy zwiększaniu opisanego powyżej stosunku sygnałów głośność echa rośnie, a przy stosunku większym niż 1 sygnał jest zakłócany oscylacjami; aby uzyskać lepiej działający efekt i wyższą jakość dźwięku, można użyć procesora o większej pamięci RAM i o większej szybkości próbkowania – np. ATMEGA2560 (8 kB RAM).
Schemat urządzenia jest następujący:
Kod procesora w języku C:
Źródło
Wykorzystany w urządzeniu mikrokontroler wyposażony jest w przetwornik A/D i 2 kB pamięci RAM, co jest wystarczające do działania prostego echa. Do wychwytywania dźwięków służy mikrofon elektretowy. Sygnał dźwiękowy doprowadzany jest do przetwornika A/D przez odpowiedni wzmacniacz z dopasowaniem poziomów. Wbudowany w procesor przetwornik zamienia sygnał analogowy na cyfrowe próbki zgodnie z dobraną częstotliwością próbkowania. Następnie dane są wprowadzane do 1900-bajtowego buforu cyklicznego. Aby uzyskać opóźnienie pomiędzy wejściowym a wyjściowym sygnałem audio, wskaźniki zapisu i odczytu buforu znajdują się w różnych miejscach. Zasadę uzyskiwania maksymalnego opóźnienia z użyciem buforu przedstawiono na rysunku.
Aby uzyskać efekt echa, do zapisywanego sygnału należy dodać sygnał odczytywany, a ich stosunek powinien być mniejszy niż jeden. W ten sposób do danych w buforze dodawane jest echo. Odczytywane próbki sygnału przesyłane są do wyjścia procesora, aby uzyskać sygnał PWM. Sygnał jest demodulowany przy użyciu prostego filtru RC i może być podany na wejście wzmacniacza mocy.
Obserwacje dotyczące działania urządzenia są następujące: przy zwiększeniu szybkości próbkowania czas trwania echa maleje, za to rośnie jakość dźwięku; przy zwiększaniu opisanego powyżej stosunku sygnałów głośność echa rośnie, a przy stosunku większym niż 1 sygnał jest zakłócany oscylacjami; aby uzyskać lepiej działający efekt i wyższą jakość dźwięku, można użyć procesora o większej pamięci RAM i o większej szybkości próbkowania – np. ATMEGA2560 (8 kB RAM).
Schemat urządzenia jest następujący:
Kod procesora w języku C:
Kod: C / C++
Źródło
Fajne? Ranking DIY