logo elektroda
logo elektroda
X
logo elektroda
REKLAMA
REKLAMA
Adblock/uBlockOrigin/AdGuard mogą powodować znikanie niektórych postów z powodu nowej reguły.

Midland/Alan 28 - Urwany wtyk po przylutowaniu wg. schematu przełącza kanały.

ainuin1 18 Sie 2012 22:36 5331 3
REKLAMA
  • #1 11222780
    ainuin1
    Poziom 10  
    Witam!
    Szukałem, szukałem i szukałem niestety nie znalazłem. A więc:
    Po wyszukaniu schematu "gruszki alana 28" przylutowałem przewody jak w schemacie znalezionym na naszym forum i niestety nie działa. Na radiu lecą kanały w dół i to wszystko. Być może mam coś w gruszce namieszane i to może być powód; nie wiem bo porównując schemat gruszki również z forum widzę że jest odrobinę inaczej, ale wcześniej wszystko działało więc pewnie tylko we wtyku mam coś namieszane.
    Wg. schematu powinienem przylutować tak:
    1- niebieski
    2- biały
    3- czerwony
    4- żółty w otoczce czarnej
    5- ekran żółtego
    6- fioletowy
    tak też przylutowałem ale zmieniały się samoczynnie kanały, nie dawało nic wciskanie nadawania. Czy coś zrobiłem źle? Uprzejmie proszę o pomoc.
  • REKLAMA
  • #2 11222895
    oj
    Poziom 42  
    Jeżeli, przy wyjętej wtyczce kanały się nie zmieniają i dają się zmienić poprzez pokrętło oraz UP/DOWN na panelu to masz źle okablowane lub zwarte uszkodzony przycisk (przycisk DOWN; zwarty jest pin 2 a pin 5 we wtyczce) kanałowy na mikrofonie.
  • REKLAMA
  • #3 11224413
    ainuin1
    Poziom 10  
    Oczywiście kolego kanały same się nie zmieniają bez wtyku włożonego do gniazda.
    Hmm ciekawa rzecz jest w moim radyjku. Otóż:
    Zdenerwowany całą sytuacją postanowiłem przylutować wszystko na nowo, czyli gruchę i wtyk. Mając odlutowany wtyk włożyłem go samego do gniazda i co ciekawe, dotykając palcem pinu nr 5 przełączam kanały - dziwne ale do wytłumaczenia, że np zwarcie jest we wtyku, ale dotykając palcem pinu nr 5 w gnieździe (bez wetkniętego wtyku) również przełączają się kanały. Nie dzieje się tak tylko, gdy jestem odizolowany od podłogi siedząc na drewnianym krześle. Czy to jest normalne? Całkiem zgłupiałem. Pomocy
  • #4 11225282
    PLEXI
    Poziom 24  
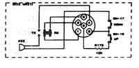
    Zgodnie ze schematem, który posiadam i jestem na niego pewny to masz zły schemat. Polutuj tak jak na moim i będzie dobrze.
    Midland/Alan 28 - Urwany wtyk po przylutowaniu wg. schematu przełącza kanały.

    Dodano po 2 [minuty]:

    Żółty powinien iść na 1, a oplot żółtego na 2, reszta kolorów nie jest mi znana na pamięć, ale żółty to napewno przedód od wkładki mikrofonowej, a oplot żółtego- to ekran- tzw. masa.

    Dodano po 15 [minuty]:

    Ze zdjęć znalezionych w necie wnioskuję, że fioletowy powinien być na 4, a biały na 3, pozostaną Tobie do podłączenia dwa przewody od przełączania kanałów.

    Grzegorz.
REKLAMA