logo elektroda
logo elektroda
X
logo elektroda
REKLAMA
REKLAMA
Adblock/uBlockOrigin/AdGuard mogą powodować znikanie niektórych postów z powodu nowej reguły.

CB Radio PRESIDENT JOHNNY 2 - nadaje, ale nie odbiera, cichy szum, napięcia FT2/Q5

szyba20 27 Sie 2012 22:04 4662 6
REKLAMA
  • #1 11252940
    szyba20
    Poziom 19  
    Witam
    Jak w temacie radio nadaje idealnie lecz nie odbiera słychać tylko cichutki szum.
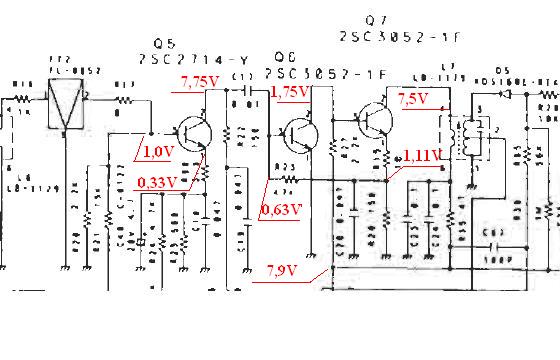
    Sprawdzałem inne tematy pokrewne z tymi objawami i u mnie na FT2 jest 0.20v a na Q5 7.9v :| albo coś źle zmierzyłem bo Q5 wydaje mi się kosmiczne...
    Zauważyłem ze c40 i r25 są strasznie zabrudzone lub podpalone przylutowałem je lecz radyjko nadal nie odbiera.
    Proszę o jakieś porady co sprawdzić.. czy od razu kupić ft2 (nie próbowałem jeszcze podłączać kondensatora).
  • REKLAMA
  • #2 11252946
    Tomex
    Poziom 20  
    Sprawdź kabel od mikrofonu i mikrofon (przełacznik TX-RX jest w nim)
  • REKLAMA
  • #3 11253740
    PLEXI
    Poziom 24  
    Kolego Johnny II z ASC czy bez? Jeśli chodzi o Q5, to gdzie masz takie napięcie? Jeśli na kolektorze to dobrze, dla pewności spróbuj zamiast filtra p.cz. wstawić kondensator.

    Dodano po 3 [minuty]:

    R25 powinien mieć 560Ω.
    Podając te wartości śledzę schemat od Johnny II ASC.
  • REKLAMA
  • REKLAMA
  • #5 11258101
    SP5ANJ
    Spoczywaj w Pokoju
    Witam.
    PLEXI napisał:
    Kolego Johnny II z ASC czy bez?

    To chyba nie ma związku z II p.cz. .
    Osobiście nie widziałem Johnny II - bez ASC (być może mało w życiu widziałem).

    Cytat:
    Jeśli chodzi o Q5, to gdzie masz takie napięcie?

    W ostatnich czasach dość znana niedogodność w RX-ie, przez fabryczne instalowanie złej partii filtrów II p.cz. , które w samej strukturze ceramicznej ostatniej pastylki (1-szej od wyjścia) - powoduje zmianę oporności nawet do 100Ω - czego wynikiem jest "dzielnik" napięcia i mała jego wartość na Bazie Q5.

    CB Radio PRESIDENT JOHNNY 2 - nadaje, ale nie odbiera, cichy szum, napięcia FT2/Q5

    Cytat:
    Jeśli na kolektorze to dobrze, dla pewności spróbuj zamiast filtra p.cz. wstawić kondensator.

    Nie ma co wstawiać a tylko wymienić filtr - jak napisał Olek II.

    Reasumując - szyba20 wymieniaj filtr, który możesz kupić w cenie od 8zł. do 12zł. / sztuka.


    Pozdrawiam.
  • #6 14194630
    xirus
    Poziom 11  
    Mam ten sam problem, gdzie można kupić filtr ? nie udało mi się łatwo go odszukać
    Moderowany przez Olek II:

    3.1.19. Zabronione jest publikowanie wpisów w dyskusjach archiwalnych.

REKLAMA