logo elektroda
logo elektroda
X
logo elektroda
REKLAMA
REKLAMA
Adblock/uBlockOrigin/AdGuard mogą powodować znikanie niektórych postów z powodu nowej reguły.

Seat Cordoba 1,6 AKL - brak połączenia z ECU, silnik nie odpala, możliwe IMO blokuje

szyniu 27 Sie 2012 22:04 6951 16
REKLAMA
  • #1 11252941
    szyniu
    Poziom 20  
    Witam wszystkich problem który posiadam jest właśnie z seatem 1,6 AKL i wygląda następująco.Dwa miesiące temu autko miało problem z biegiem jałowym, obroty falowały po wymianie przepustnicy i czujnika temperatury silnika wszystko pracowało ok, była zrobiona diagnostyka nie było błędów ogólnie po naprawie ok.

    Po tym czasie auto w przeciągu kilku dni zaczęło coraz gorzej odpalać aż definitywnie przestało odpalać, co jest najciekawsze teraz nie mogę zrobić diagnostyki komputerowej łączy mi się z innymi modułami a z silnikiem nie a tym samym urządzeniem diagnozuje co dwa miesiące temu.Zasilania sprawdzone na sterowniku i są w porządku może ktoś ma jakieś sugestie względem tego nieszczęsnego simosa. Dodam jeszcze że teraz jest taki objaw jak by imo blokowało to znaczy silnik złapie i zgaśnie.
  • REKLAMA
  • #2 11253032
    leonek4
    Poziom 29  
    A jak zachowuje się kontrolka od immo w liczniku.
  • #3 11253039
    wojtekryba
    Poziom 32  
    A wyciągałeś sterownik ?
    Jak wygląda wtyczka ?
    Co w środku ?
    Jego umiejscowienie jest idealne na "zieleniznę"

    Dodano po 36 [sekundy]:

    leonek4 napisał:
    A jak zachowuje się kontrolka od immo w liczniku.


    Nie ma takowej.
  • #4 11253644
    szyniu
    Poziom 20  
    Kontrolka od imo jest i normalnie gaśnie.
    Sterownik nie posiada żadnych z korodowanych styków
  • #5 11253814
    emeryt2
    Poziom 42  
    Sprawdź przekaźnik nr.10 , przedostatni na dole.
  • REKLAMA
  • #6 11256121
    szyniu
    Poziom 20  
    Zastanawia mnie rzecz następująca czy aby czasem nie ma przerwy pomiędzy sterownikiem silnika a zegarami i stąd takie objawy tylko który z przewodów od sterownika to komunikacja, potrzebuje dokładny schemat sterownik silnika ,zegary+imo

    sterownik (i tu co ciekawe bo auto jest z 1999r a sterownik27/08/06)
    nr sterownika 6K0 906 019 Benzin SIMOS2.1 B S073

    zestaw wskaźników to VDO
    110.008/924/006
    Dodam tylko że kluczyk z pilotem i pilot przestał działać dioda się zapala ale brak ryglowania
  • Pomocny post
    #7 11257060
    Pawel wawa
    VIP Zasłużony dla elektroda
    Masz problem z komunikacją zegary > sterownik silnika. Popatrz na piny 18 i 19 w sterowniku (idą do licznika). Posprawdzaj na ciągłość i zwarcia.
  • REKLAMA
  • #8 11257099
    szyniu
    Poziom 20  
    To i dla tego nie będzie diagnostyki sterownika silnika?
    Gdy okaże się że inst ok to coś się stało z licznikami prawda i przez nie nie dochodzi sygnał ani z imo ani diagnostyka.
  • Pomocny post
    #9 11257255
    Pawel wawa
    VIP Zasłużony dla elektroda
    szyniu napisał:
    To i dla tego nie będzie diagnostyki sterownika silnika?
    Tak.
    szyniu napisał:
    Gdy okaże się że inst ok to coś się stało z licznikami prawda i przez nie nie dochodzi sygnał ani z imo ani diagnostyka.
    Bardzo wątpliwe takie uszkodzenie zegarów, przynajmniej ja się z tym nie spotkałem.
  • #10 11258947
    szyniu
    Poziom 20  
    Po oględzinach instalacji doszedłem do wniosku że w tym samochodzie nie ma CAN nie ma skrętek a złącze diagnostyczne jest na trzy piny a trzy przewody wychodzące z sterownika które idą do licznika są drożne.
    Potrzebuje schematu tego samochodu bo nie mam pewności co do sprawdzanych parametrów.
    Seat Cordoba 1999r AKL 1,6
  • #11 11260380
    szyniu
    Poziom 20  
    Nie ma nikt schematu do tego autka
  • #12 11263872
    szyniu
    Poziom 20  
    schemat określający gdzie do tego sterownika jest podpięcie Lini K na jakim pinie
  • REKLAMA
  • Pomocny post
    #13 11264039
    adrian1201
    Poziom 29  
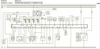
    pin 18,19 od licznika Seat Cordoba 1,6 AKL - brak połączenia z ECU, silnik nie odpala, możliwe IMO blokuje
  • #14 11267076
    emeryt2
    Poziom 42  
    Jeszcze raz podpowiadam , jest tam taki "przekombinowany" przekaźnik , on również robi podobne czary - mary!
  • #15 11274490
    szyniu
    Poziom 20  
    gdzie on się znajduje bo o nr, 10 nie ma żadnego przekaźnika
  • #16 11274531
    Pawel wawa
    VIP Zasłużony dla elektroda
    Kolega widzi na schemacie ile ma nóżek? Są nawet podpisane. Troszkę inwencji własnej...
  • #17 11279012
    szyniu
    Poziom 20  
    Problem rozwiązany, problemem był sterownik, zostało usunięte imo i autko zapaliło sterownik się nie komunikuje z zegarami czyli pozostaje bez możliwości diagnostyki (i to nie jest oczywiście winna inst.) na razie tek będzie to jeździć ale chyba trzeba pomyśleć o innym sterowniku.
REKLAMA