logo elektroda
logo elektroda
X
logo elektroda
REKLAMA
REKLAMA
Adblock/uBlockOrigin/AdGuard mogą powodować znikanie niektórych postów z powodu nowej reguły.

Grand Vitara II 2006 - podłączenie JVC R400 do sterowania z kierownicy

Kamiltzr 29 Sie 2012 21:06 4935 6
REKLAMA
  • #1 11259536
    Kamiltzr
    Poziom 10  
    Cześć

    Zmieniłem radio na JVC r400 w mojej vitarzez 2006roku i mam pewien problem. Czy ktoś może wie który kabel i gdzie go znalezc odpowiada za sterowanie radiem z kierownicy?


    Pozdrawiam Kamil
  • REKLAMA
  • Pomocny post
    #2 11263589
    Nawigator
    Poziom 33  
    Nie ma takiego radia w ofercie JVC. I ten kabel to ma być od radia czy od auta bo nie łapię problemu?

    N.
  • REKLAMA
  • #3 11266906
    Kamiltzr
    Poziom 10  
    Radio to JVC KW-R400 szukam kabla "od auta"
  • REKLAMA
  • #4 11267876
    Nawigator
    Poziom 33  
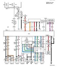
    To masz bonus - dwa kable, piny 19 i 20:

    Grand Vitara II 2006 - podłączenie JVC R400 do sterowania z kierownicy

    N.
  • REKLAMA
  • #5 11268148
    Kamiltzr
    Poziom 10  
    Mógłbyś mi powiedzieć jak to połączyć z radiem? Z radia wychodzi jeden kabel.
  • #7 11268241
    Nawigator
    Poziom 33  
    To trzeba było od razu mówić że chcesz podłączyć. Bezpośrednio się nie da bo w kierownicy jest drabinka rezystancyjna a radio JVC ma standard cyfrowy na wejściu sterowania z kierownicy. Przeszukaj forum, było o tym wielokrotnie, potrzebny jest adapter. Np. pierwszy z brzegu post n/t JVC:
    https://www.elektroda.pl/rtvforum/topic814891.html

    N.
REKLAMA