logo elektroda
logo elektroda
X
logo elektroda
REKLAMA
REKLAMA
Adblock/uBlockOrigin/AdGuard mogą powodować znikanie niektórych postów z powodu nowej reguły.

Albrecht AE2980 - brak reakcji, zasilanie dochodzi, co sprawdzić?

zenit39 05 Wrz 2012 09:45 2547 16
REKLAMA
  • #1 11280213
    zenit39
    Poziom 11  
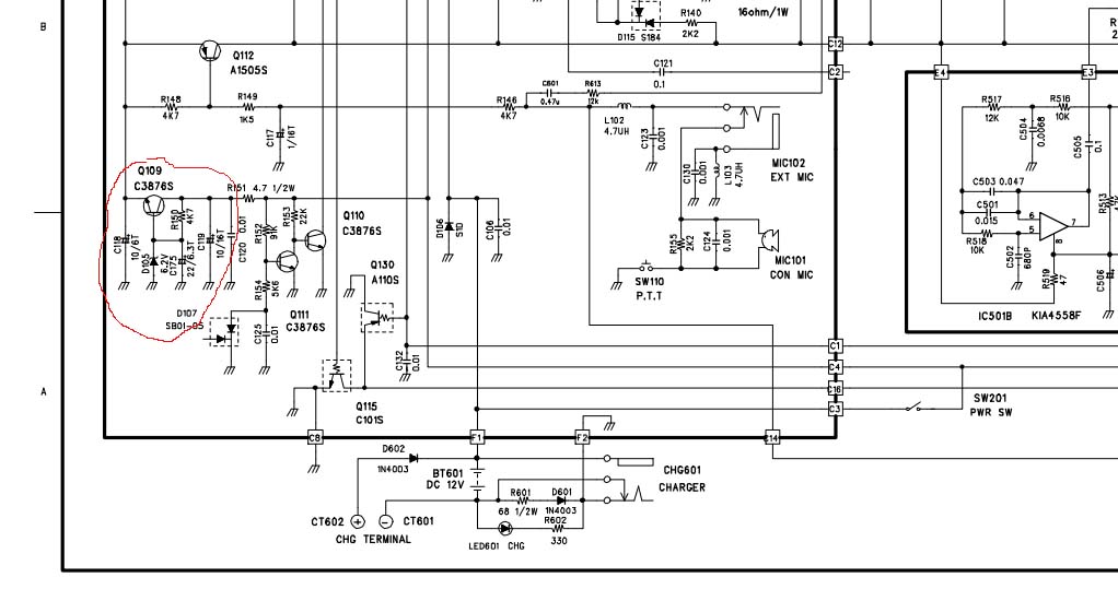
    Witam kolegów. Czy spotkał się ktoś już z takim przypadkiem, ręczniak całkowicie martwy. Zasilanie dochodzi na płytkę za włącznik, jest także na diodach podświetlających wyświetlacz . Prosiłby o jakąś podpowiedz gdzie zacząć szukać, jakiego elementu żeby ruszył wyświetlacz i całe radyjko.
  • REKLAMA
  • #2 11280884
    sp6
    Poziom 23  
    Bez schematu będzie ciężko.
  • #3 11280900
    zenit39
    Poziom 11  
    Schemat posiadam, ale to i tak jest szukanie igły w stogu siana

    3.1.13. Zabronione jest publikowanie wpisów naruszających zasady pisowni języka polskiego, niedbałych i niezrozumiałych. /Olek II/
  • REKLAMA
  • #4 11280936
    SP5ANJ
    Spoczywaj w Pokoju
    Witam.
    zenit39 napisał:
    schemat posiadam ale to i tak jest szukanie igły w stogu siana

    Zeskanuj i wklej na elektrodę.

    Prawidłowo czytając schemat ideowy radia i po paru pomiarach (przez Ciebie) - spokojnie zreperujesz to radyjko. :spoko:


    Pozdrawiam.
  • REKLAMA
  • #6 11282271
    SP5ANJ
    Spoczywaj w Pokoju
    Witam.
    zenit39 napisał:
    załączam schemat

    Piękny schemat. :sm9:

    Proponuję zacząć od "podstaw" i sprawdzić jak na rysunku - tak na początek.

    Albrecht AE2980 - brak reakcji, zasilanie dochodzi, co sprawdzić?


    Pozdrawiam.
  • #7 11282804
    zenit39
    Poziom 11  
    Jak napisałem na samym początku zasilanie jest na płytce już za włącznikiem, dodam nawet że dochodzi do stabilizatora napięcia zbudowanego na diodzie zenera i na wyjściu jest 5V. Albrecht AE2980 - brak reakcji, zasilanie dochodzi, co sprawdzić?
  • Pomocny post
    #8 11282975
    bc211
    Poziom 30  
    Jak tam sytuacja na nogach 1, 64 ?
    Zobacz czy funkcjonuje reset IC103 - ujemne zbocze 1 Vdd, 64 Vss, a dodatnie inicjuje tu po 2.5V i resztę po kolei.
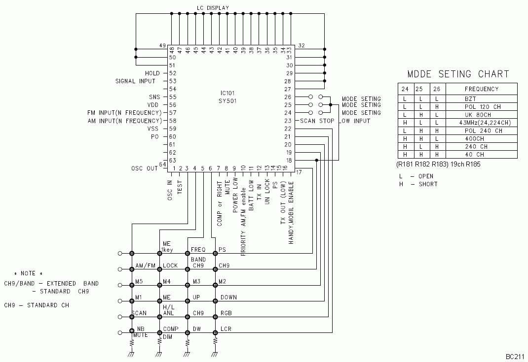
    Co by było łatwiej zajrzyj do braciszka AE5280 tam jest pinout syntezy LC7233 z maską SY-002, SY-005, SY-501

    Albrecht AE2980 - brak reakcji, zasilanie dochodzi, co sprawdzić?

    W nawiasie zwory multi-regionów, których na schematach brak. I jeszcze dataszit syntezy Link
    B. ważne: scalak wyjątkowo jak na CB-radio jest zabezpieczony w zasilaniu i nie ma możliwości, żeby sam się spalił.
  • #9 11283381
    zenit39
    Poziom 11  
    No i radio ruszyło, okazało się że napięcie na Q109 to jakieś napięcie cząstkowe wygenerowane z wewnątrz radia. Kondensator C119 miał zwarcie i właściciel przed przyniesieniem radia do naprawy wyciął R151. Po wymianie kondensatora i wstawieniu opornika radio ruszyło. DZIĘKUJE bardzo za pomoc ! Albrecht AE2980 - brak reakcji, zasilanie dochodzi, co sprawdzić?

    Dodano po 25 [minuty]:

    Prosiłbym jeszcze o podpowiedz jak radio ściągnąć w zera i odblokować całą 40 na AM

    Dodano po 5 [godziny] 28 [minuty]:

    Dodam jeszcze że jest brak reakcji na zworki miedzy nóżkami 24,25,26 a 18. A doczytałem że właśnie tym zmienia się region Używania radia
  • #10 11285480
    bc211
    Poziom 30  
    No to teraz pogłupiałem jak mam to rozumięć, że było cząstkowe 5V....
  • REKLAMA
  • #11 11285519
    zenit39
    Poziom 11  
    Musiało gdzieś się wytworzyć przez inne elementy i miernik wskazywał, ale pod obciążeniem ginęło napięcie. Teraz mam tylko problem z odblokowaniem AM i przestrojeniem w "0"
  • #12 11285661
    bc211
    Poziom 30  
    Aż mnie zmroziło przecież to jasne jak słońce - napięcie przychodzi z podtrzymania pamięci i nie może wracać się do Q109 !
    R136/D103/D108 to stabilizator podtrzymania pamięci CMOS syntezy LC7233.
    Zobacz, że Vdd przychodzi również od R136 i oba spotykają się na D103, która powinna przewodzić tylko w jedną stronę.

    Napisałeś, że
    zenit39 napisał:
    przed przyniesieniem radia do naprawy wyciął R151
    brak napięcia zasilania Q109, więc na wyjściu Q109 (emiter) nie może być więcej niż 0V
    zenit39 napisał:
    dodam nawet że dochodzi do stabilizatora napięcia zbudowanego na diodzie zenera i na wyjściu jest 5V
    oraz, że
    zenit39 napisał:
    napięcie na Q109 to jakieś napięcie cząstkowe wygenerowane z wewnątrz radia
    Z czego wynika, że D103 jest uszkodzona i przewodzi w obie strony

    Sprawdź
  • #13 11285732
    zenit39
    Poziom 11  
    jutro sprawdzę bo radio mam na warsztacie.
  • #14 11286514
    bc211
    Poziom 30  
    Kiedy wyłączasz radio, to napięcie Vdd zostaje nie odłączone od syntezy (podtrzymanie pamięci) a jednak "w jakiś dziwny sposób" wyłącza się - a w zasadzie przechodzi w stan uśpienia - i jedynym układem, który może informować go o wyłączeniu zasilania jest układ BATT LOW [Q110, Q111, D107] » wejście programowalne PF1-11pin., który musiałby być uszkodzony ażeby napięcie Vdd +5V przyszło z powrotem na emiter Q109 inną drogą, niż tą drogą z uszkodzonej diody separacji zasilania D103.
  • #15 11286580
    zenit39
    Poziom 11  
    Dioda sprawna i działa już całe radio. Przeleżało przez noc i można było zmieniać regiony na jakich ma działać za pomocą zworek. Teraz radio już śmiga aż miło. Wielkie dzięki za pomoc

    Proszę poprawić wszystkie swoje wpisy w tym temacie na zgodne z regulaminem: 3.1.13. Zabronione jest publikowanie wpisów naruszających zasady pisowni języka polskiego, niedbałych i niezrozumiałych.
    3.3. Użytkownik zobowiązany jest niezwłocznie wykonać polecenia moderatora. /Olek II/
  • Pomocny post
    #16 11286752
    bc211
    Poziom 30  
    Jak zmieniasz region zworkami to trzeba jeszcze odłączyć zasilanie żeby zresetować pamięć, ale to mało ważne.
    W takim razie rozwiązanie zagadki jest tylko jedno: błędy w pomiarach w zasilaniu. Wprowadziłeś mnie w błąd przyjacielu.
  • #17 11287663
    zenit39
    Poziom 11  
    Przepraszam za wprowadzenie w błąd, ale mnie to też zmyliło. Serdecznie dziękuje za pomoc i zamykam temat
REKLAMA