logo elektroda
logo elektroda
X
logo elektroda
Adblock/uBlockOrigin/AdGuard mogą powodować znikanie niektórych postów z powodu nowej reguły.

Dlaczego BD135 nagrzewa się przy PWM 100 w sterowaniu wentylatorami?

arktik1 05 Wrz 2012 20:14 6210 32
  • #1 11282177
    arktik1
    Poziom 27  
    Dlaczego BD135 nagrzewa się przy PWM 100 w sterowaniu wentylatorami?
    Witam.
    Mam podłączony tranzystor do sterowania 3 wentylatorami.
    Wentylatory przy wypełnieniu PWM 255, pobierają ok 190 mA.
    Przy wypełnieniu PWM 100, pobierają ok 100 mA.
    Dlaczego przy pełnym wypełnieniu BD135 jest zimny, a przy wypełnieniu 100 zaczyna się poważnie nagrzewać?
    Częstotliwość PWM to 16 KHz.
  • #2 11282223
    mareksordyl
    Poziom 12  
    Witam a do czego ma służyć cewka L1 ?
  • #3 11282263
    arktik1
    Poziom 27  
    Wiem może jej tam nie być, po prostu kombinowałem z powodu temperatury.
    Nawet jeśli wyrzucę L1 i C1 temperatura rośnie tak samo.
    C1 jest zamontowany z powodu cichej pracy silników.
    Gdy nie ma C1 silniki trochę hałasują.
    Regulacja obrotów gdy jest włączony C1 jest prawidłowa.
  • #4 11282264
    M. S.
    Poziom 34  
    Cewkę wywal. Słyszałeś o samoindukcji?
    Czy 16kHz jest ci potrzebne do zasilania silników? Nie wystarczyła by mniejsza częstotliwość?

    Cytat:
    Dlaczego przy pełnym wypełnieniu BD135 jest zimny, a przy wypełnieniu 100 zaczyna się poważnie nagrzewać?

    Bo przy przełączaniu tranzystor zmienia rezystancję pomiędzy stanem nasycenia i odcięcia. Na tej rezystancji wydziela się ciepło. Dobrze by było zobaczyć na oscyloskopie przebieg napięcia na kolektorze. Jeśli zbocza przebiegu nie będą strome to tranzystor będzie się grzał.
    Mniejsza częstotliwość przełączania da mu czas na ostygnięcie.
  • #5 11282269
    arktik1
    Poziom 27  
    Nawet jeśli wyrzucę L1 i C1 temperatura rośnie tak samo.
  • #6 11282352
    electroNICK
    Poziom 14  
    Grzeje się ponieważ C1 jest cyklicznie ładowany i rozładowywany. W momencie zera na wejściu BD135 jest zatkany C1 rozładowuje się przez silniki. W momencie otwarcia BD135 C1 jest ładowany maksymalnym prądem jaki może dać źródło. Przy dużej częstotliwości powoduje to duże straty na tranzystorze.
  • #7 11282371
    kwantor
    Poziom 38  
    Nie możesz zastosować jakiegoś mosfeta?
    Cewka i kondensator nie mają czego tam szukać.
    Nawet ta dioda, jak już, to równolegle do EK tranzystora, aby go chronić przed przepięciami.
  • #8 11282448
    mareksordyl
    Poziom 12  
    to w ramach eksperymentu wywal L1 i C1 i zmniejsz wartość rezystora w bazie bo tak na szybko licząc jest wstanie przy hFE=50 dać około 200mA Ic
  • #9 11282494
    janbernat
    Poziom 38  
    Daj równolegle do R1 kondensator ok. 560pF.
    Zmniejsz częstotliwość PWM do 1kHz.
  • #10 11282715
    arktik1
    Poziom 27  
    Cytat:
    wywal L1 i C1 i zmniejsz wartość rezystora w bazie

    Grzeje się tak samo, z tą różnicą że bez C1 głośno chodzi, rezystor na bazie 330 Ohm.
    Cytat:
    Zmniejsz częstotliwość PWM do 1kHz.

    Nie do przyjęcia, silnik grzechocze jak cholera.

    Dodano po 2 [minuty]:

    Cytat:
    Nie możesz zastosować jakiegoś mosfeta?

    Mam BUZ11, ale nie mam żadnego drivera.
    Chyba podłączenie go bezpośrednio to nie najlepszy pomysł?
  • Pomocny post
    #11 11282756
    Fredy
    Poziom 27  
    Napewno BUZ bezpośrednio podłączony to będzie lepszy pomysł aniżeli archaiczny BD135.
    Ten BD135 najprawdopodbniej nie wchodził ci w nasycenie, stąd miałeś problemy z grzaniem.
    Daj mosfeta , z rezystancją na bramce około 100omów.

    Jeszcze jedna ważna sprawa - jaką diodę używasz?
    Bo jeśli prostowniczą , to porażka.
    Daj Schotkyego szybką , taką jak w przetwornicach napięcia np 1N5819.
  • #12 11282780
    arktik1
    Poziom 27  
    Cytat:
    Daj mosfeta , z rezystancją na bramce około 100omów

    Cytat:
    Daj równolegle do R1 kondensator ok. 560pF

    Jutro to sprawdzę, bo dziś nie mam elementów. :D

    Dodano po 1 [minuty]:

    Cytat:
    Daj Schotkyego szybką

    Taka właśnie jest.
  • #13 11283525
    Konto nie istnieje
    Poziom 1  
  • #14 11283558
    xamrex
    Poziom 28  
    Tu jest schemat z książki o programowaniu Uc w Bascomie:
    Dlaczego BD135 nagrzewa się przy PWM 100 w sterowaniu wentylatorami?

    Tak jak ktoś wspomniał, lepiej użyć jakiegoś BUZ'a
  • Pomocny post
    #15 11284111
    SylwekK
    Poziom 32  
    Najlepiej użyć mosfeta LL (Logic Level), np. taniego RFD3055 (używam ich i bardzo sobie chwalę). Na bramkę tylko jakiś rezystor koło 50-100om chociaż w testach często podłączam bez rezystora i nic się złego nie dzieje.
    Nie wiem czy istnieje wersja LL tranzystora BUZ11 ale temu zwykłemu o ile się nie mylę trzeba podać około 10V do pełnego otwarcia (jeśli się mylę to niech mnie ktoś poprawi) i przy bezpośrednim sterowaniu z procesora też się może grzać.
  • #16 11285261
    kwantor
    Poziom 38  
    atom1477 napisał:
    Bzdra.

    Tak to bzdura "zajechałem się" ta cewka szeregowa wprowadziła mi mętlik ale nawet bez niej ma być tak jak piszesz- równolegle do uzwojeń.
  • #17 11285651
    arktik1
    Poziom 27  
    No niestety, żadne zabiegi nie rozwiązały problemu zwykłego tranzystora.
    BUZ11 z rezystorem 100Ohm na bramce nie grzeje się.
    Chyba nie potrzeba tam aż 10V.
    Przy zasilaniu z UC, czyli 5V jest otwarty do końca, zmierzyłem napięcie przed BUZ11 i za. C1 musiał zostać,dioda też, silniki pracują wtedy cicho i nie powoduje to wzrostu temperatury BUZ11.
    Układ był testowany ok 1 godziny, przy wypełnieniu 100PWM.
    MOS był zimny.

    Dodano po 6 [minuty]:

    Znalazłem coś takiego:
    RFD3055RLE TO-251
    Czy będzie to pasowało zamiast tego BUZ11?
    Oczywiście chodzi o wymiary, ten jest mniejszy.
  • #18 11285713
    kwantor
    Poziom 38  
    Ten kondensator niejako wygładza prostokątne przebiegi i dlatego ciszej.
  • Pomocny post
    #19 11285728
    janbernat
    Poziom 38  
    Po to aby wprowadzić tranzystor BD135 w stan nasycenia potrzebny jest odpowiedni prąd bazy.
    To jest potrzebne zarówno wtedy gdy prąd średni jest 190mA jaki wtedy gdy prąd średni jest 100mA.
    Prąd średni 100mA jest uzyskiwany za pomocą impulsów prądu maksymalnego- w naszym wypadku 190mA.
    Co do prądu bazy zdolnego wprowadzić tranzystor w nasycenie są dwie szkoły.
    Ib=1/10Ic
    Albo:
    Ib=1/20Ic
    Czyli do bazy ma wpływać 19mA albo 9.5mA.
    Krakowski targiem- powiedzmy ok. 15mA.
    Jaki opornik R1?
    Zależy od napiecia zasilania procesora.
    Powiedzmy- 5V.
    czyli- Ib=(Ucc-Ube)/R1
    Wychodzi ok. 300ohm.
    Teraz kondensator- równolegle do opornika R1.
    Nazywa się to speed-up capacitor.
    Wprew pozorom oprócz zwiększenia szybkości załączania tranzystora jego głowną rolą jest zwiększanie szybkości wyłączania tranzystora.
    Działa to znacząco.
    Dlaczego 560pF max?
    Mogło by być nawet kilka nF.
    Ano- doświadczalnie.
    Duża wartośc tego kondensatora co prawda działa dobrze na szybość wyłączania tranzystora ale ten "kopniak" wstecznego prądu z ładunku w bazie może powodować zawieszenie się procesora.
    Oczywiście zachęcam do eksperymentów z wartością tego kondensatora.
    A także z obserwacją na oscyloskopie.
  • #21 11285988
    arktik1
    Poziom 27  
    Przecież ta dioda spowoduje zwarcie na bazie, przy wypełnieniu 100%.
    Nie rozumiem?
  • #22 11286026
    krru
    Poziom 33  
    To jest klasyczny układ przyspieszający stosowany np. w układach TTL-S. Ogranicza głębokość nasycenia tranzystora, właśnie zabierając prąd z bazy. Dla tranzystorów bipalarnych większym problemem jest wyjście z nasycenia niż wejście w ten stan - płytsze nasycenie to szybsze wyjście.
  • #23 11286070
    arktik1
    Poziom 27  
    No dobra, to już wszystko wiem :D
    Pozostaje tylko jeszcze jedna sprawa:
    Cytat:
    Znalazłem coś takiego:
    RFD3055RLE TO-251
    Czy będzie to pasowało zamiast tego BUZ11?
    Oczywiście chodzi o wymiary, ten jest mniejszy.
  • #24 11286680
    SylwekK
    Poziom 32  
    To o ten tranzystor mi właśnie chodziło. Gabarytowo sam zauważyłeś, że jest mniejszy i żeby pasowało w płytkę zamiast buz'a trzeba minimalnie rozgiąć nóżki natomiast samo działanie w układzie będzie identyczne. Występuje też wersja smd tego tranzystora.
  • #25 11331742
    arktik1
    Poziom 27  
    Postanowiłem zastosować driver TC4420.
    Jaki rezystor dać między TC a RFD jeśli TC będzie zasilany 12V?
  • #26 11332209
    Nawigator
    Poziom 33  
    Ten schemat jest nieprawidłowy i każdy klucz się będzie grzał bo jak zauważył już wyżej kol. electronick kondensator zwiera obwód kolektora składową zmienną 16kHz.
    Na próbę można dodać w szereg z kolektorem rezystor rzędu kilku omów ale sprawność takiego "wygładzania" będzie oczywiście mała a grzał się będzie rezystor.
    Poprawny obwód powinien wyglądać tak:

    Dlaczego BD135 nagrzewa się przy PWM 100 w sterowaniu wentylatorami?

    i bez dławika z diodą się nie obejdzie.

    N.
  • #27 11341967
    arktik1
    Poziom 27  
    Czy w tym połączeniu musi być zwykły NPN a nie MOSFET?
  • #28 11343189
    Konto nie istnieje
    Poziom 1  
  • #29 11363861
    Nawigator
    Poziom 33  
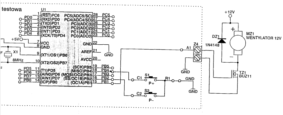
    Się mi takie jeszcze znalazło w temacie wiatraczka no i z fetem jak chce autor:
    Dlaczego BD135 nagrzewa się przy PWM 100 w sterowaniu wentylatorami?

    N.
  • #30 11364251
    Konto nie istnieje
    Poziom 1  
REKLAMA