Autor projektu użył farby przewodzącej do stworzenia prostego układu na giętkim podłożu – układ reguluje świecenie w zależności od tego, jak bardzo wygięta jest „płytka drukowana”. Autor był zaangażowany w projekt produkcji układów zintegrowanych w soczewki kontaktowe, gdzie na powierzchni giętkiego tworzywa za pomocą mikrolitografii umieszczano ścieżki przewodzące. Kiedy natrafił zaś na farbę przewodzącą marki „Bare Conductive”, postanowił użyć podobnej techniki – rzecz jasna w większej skali – do stworzenia „płytki drukowanej” dla klasycznych, przewlekanych elementów. Autor przygotował swój układ na przezroczystej folii, ale ta sama technika może być wykorzystana do umieszczania ścieżek przewodzących na innych materiałach – papierze, tkaninie czy nawet płytach karton-gipsowych.
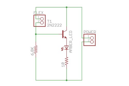
Idea samego układu jest banalna – rezystor 6,8 kΩ" i czujnik ugięcia (flex sensor) tworzą dzielnik napięcia, kiedy czujnik ugięcia jest zginany, zmienia swój opór i powoduje zmiany napięcia na wyjściu dzielnika, które z kolei jest podawane na bazę tranzystora NPN. Układ na tranzystorze jest wtórnikiem napięciowym spełniającym rolę bufora zasilającego diodę LED. Im bardziej zgięty jest sensor ugięcia, tym mniej światła będzie emitowała dioda LED.
Autor przetestował działanie układu na płytce stykowej, zanim przystąpił do wytwarzania giętkiej „płytki drukowanej”. Proces wytwarzania tejże był prosty – maska została przygotowana w Eagle’u i dopracowana w Photoshopie oraz Illustratorze.
Projekt płytki w Eagle’u został przygotowany tak, aby układ można było umieścić wzdłuż czujnika ugięcia o długości 4,5”. Szerokość ścieżek każdorazowo wynosi 0,085”. Używając farby przewodzącej, należy pamiętać, że wprowadza ona dodatkową rezystancję do układu – wąskie ścieżki będą miały większą oporność, dlatego należy zawsze stosować najszersze z możliwych ścieżek. W przypadku farby zastosowanej przez autora ścieżka miała oporność 600Ω/cal. Dlatego konieczne było zaprojektowanie układu tak, aby odległość między tranzystorem, diodą LED a ścieżką masy była jak najmniejsza. Dodatkowo można pominąć rezystor montowany szeregowo z diodą LED, z powodzeniem zastąpi go oporność ścieżki.
Po eksporcie obrazu ścieżek z Eagle’a został on obrobiony w Photoshopie. Maska została wycięta laserowo w taśmie malarskiej – w razie braku dostępu do wycinarki laserowej można spróbować wyciąć ścieżki w taśmie przy użyciu nożyka modelarskiego. Wycięte ścieżki zostały usunięte z użyciem pincety. Tak powstałą maskę przymocowano do giętkiego podłoża. Po pomalowaniu maski farbą przewodzącą i jej wyschnięciu (15 min.) autor usunął taśmę. Następnie nawiercił otwory na elementy i „przylutował” je przy użyciu kropli farby. Dodatkowo przyłącza baterii i czujnik ugięcia zabezpieczono klejem do pistoletów.
Źródło
Fajne? Ranking DIY
