logo elektroda
logo elektroda
X
logo elektroda
REKLAMA
REKLAMA
Adblock/uBlockOrigin/AdGuard mogą powodować znikanie niektórych postów z powodu nowej reguły.

Uniden PRO 510xl - Zwarcie po podłączeniu do 24V, jak naprawić?

Krakers11 07 Wrz 2012 22:15 5835 4
REKLAMA
  • #1 11289223
    Krakers11
    Poziom 13  
    Witam otóż poprzez łatwowierność a w szczególności poprzez własną głupotę podłączyłem Unidena pod 24v. Radio działało kilka minut zgasło dopiero po naciśnięciu nadawania. Oczywiście wylutowałem dla sprawdzenia diodę na wejściu. Nie posiadam jednak schematu (i nie mogę znaleźć niczego ładnego), radio na zasilaniu ma zwarcie- Rezystancja w okolicy 13Ohm. Czy ktoś może mi powiedzieć gdzie szukać rozwiązania.
  • REKLAMA
  • #2 11289269
    Konto nie istnieje
    Konto nie istnieje  
  • REKLAMA
  • REKLAMA
  • #4 11289329
    SP5ANJ
    Spoczywaj w Pokoju
    Witam.

    Koledzy ładnie i dość prosto podpowiedzieli. :spoko:

    -----

    Dotyczy to starej wersji PRO-510 - nie napisałeś jaka to wersja. :!:

    Krakers11 napisał:
    Witam otóż poprzez łatwowierność a w szczególności poprzez własną głupotę podłączyłem Unidena pod 24v.

    No to ta "głupota" wzięła "górą". :cry:
    Cytat:
    Radio działało kilka minut zgasło dopiero po naciśnięciu nadawania.

    Standardem po podłączeniu zasilania +24V jest spalenie zabezpieczeń napięciowych i układu komplementarnego na wyjściu w TDA1905 - w nowej wersji LA4446.

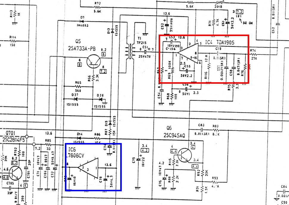
    Uniden PRO 510xl - Zwarcie po podłączeniu do 24V, jak naprawić?

    Na czerwono - TDA1905
    Na niebiesko - stabilizator +8V IC6
    Nie zapomnij o kondensatorach C51 i C52 - ważne. (dotyczy to również nowej wersji - lecz inne nazwy C)
    Cytat:
    Oczywiście wylutowałem dla sprawdzenia diodę na wejściu.

    Zauważ, że dioda (na wejściu) jest podłączona szeregowo z zasilaniem i nie służy tu jako zabezpieczenie przy "większym" napięciu zasilania +24V.

    Cytat:
    Nie posiadam jednak schematu (i nie mogę znaleźć niczego ładnego)

    Jak poszukasz na elektrodzie lub w necie - to na 100% znajdziesz.

    Cytat:
    ... radio na zasilaniu ma zwarcie- Rezystancja w okolicy 13Ohm.

    Typowy objaw spalonego IC4 (TDA1905) lub LA4446 z nowej wersji.

    Kupując TDA1905 nie daj się "nawlec" sprzedawcy, że zamiennikiem może być TDA1904.
    Jest to oczywiście "zamiennik" ale nie z tą mocą m.cz. . :cry:


    Pozdrawiam.
  • #5 11789592
    Krakers11
    Poziom 13  
    Witam i przepraszam za długą przerwę.
    Więc na płycie mojego radia jest napisane PA-402AA 1/3
    Wymieniłem scalak LA4446 i stojący obok niego tranzystor IC303 L7808,
    tranzystor w.cz. (c2078). Radio się włącza S/RF palą się cały czas trzy kreski, brak jakiejkolwiek mocy na wyjściu. Zastanawiam się jeszcze co to za układ BI423N (IC302) do czego służy może on jest przyczyną?
REKLAMA