logo elektroda
logo elektroda
X
logo elektroda
REKLAMA
REKLAMA
Adblock/uBlockOrigin/AdGuard mogą powodować znikanie niektórych postów z powodu nowej reguły.

Yosan JC2204 Turbo - Pisk przy nadawaniu, wpływ KIA4558 i Q6 na działanie radia

Wlosek 10 Wrz 2012 16:32 3288 9
REKLAMA
  • #1 11297252
    Wlosek
    Poziom 16  
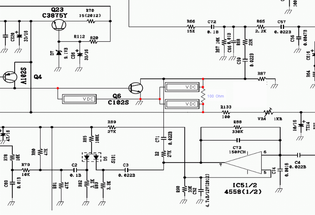
    Radio przy nadawaniu u odbiorców piszczy jakby się wzbudzało . Wymieniony mikrofon , sprawdzona antena swr 1,2 . Wzmacniacz mikrofonu zrobiony na KIA4558 , przy pomiarach multimetrem na tym układzie pisk sie zmienia , dotykając miernikiem bazy Q6 radio pracuje bez pisku.
  • REKLAMA
  • #2 11297434
    bc211
    Poziom 30  
    Zrobić z powrotem tak jak było i poczytać rosyjskie fora, na których jest wyjaśnione how-to.
  • REKLAMA
  • #3 11297675
    Wlosek
    Poziom 16  
    Nic nie było zmieniane poza wkładką elektretową , z ruskich stron mam serwisówkę. Wcisnę PTT jest ok , zaczynam mówić w drugim cb piszczy i mowy nie słychać. U towarzyszy piszą o kondesatorze zaznaczonym na zdjeciu , co z nim zrobić ? Usunąć go czy przylutować do bazy i emitera najbliższego tranzystora . Google dziwnie tłumaczy .
  • #4 11297694
    bc211
    Poziom 30  
    Piszesz, że
    Wlosek napisał:
    Wzmacniacz mikrofonu zrobiony na KIA4558
    oraz, że
    Wlosek napisał:
    Nic nie było zmieniane poza wkładką elektretową
    Znaczy się wzbudza IC502, FM. A ja myślałem, że dołożyłeś przedwzmacniacz.
  • #5 11297721
    Wlosek
    Poziom 16  
    Proszę spojrzeć na schemat , sygnał z mikrofonu wchodzi na płytę głowną do układu KIA4558 (podwójny wzmacniacz operacyjny). Piszczy w FM i AM . Na zdjeciu kondesator o którym piszą na wschodnim forum.
  • REKLAMA
  • #8 11298207
    bc211
    Poziom 30  
    A więc samsung S3C jest tu pre-amp wspólny dla FM/AM - grunt zrozumieć w czym rzecz
    Wlosek napisał:
    Piszczy w FM i AM
    Wlosek napisał:
    Wzmacniacz mikrofonu zrobiony na KIA4558. Przy pomiarach multimetrem na tym układzie pisk się zmienia.
    Jeżeli wzbudza FM, to kwestia w.cz. w kablu mikrofonowym odpada raczej
    Olek II napisał:
    Do końcówek wkładki mikrofonowej dolutuj 470 pF.
    Chyba, że z jakiegoś powodu nie przełącza na FM, albo nadaje w obu modulacjach jednocześnie

    Yosan JC2204 Turbo - Pisk przy nadawaniu, wpływ KIA4558 i Q6 na działanie radia

    Żeby uściślić wersja z TDA2003, czy KIA7217, bo mam wyszczególnione dwie ?
  • REKLAMA
  • #9 11299568
    Dzidzia85
    Poziom 12  
    Witam!
    Spotkałem się z podobnym problemem i nie rozwiązałem go jeszcze, ale może to co zaobserwowałem pomoże w znalezieniu usterki, a mianowicie jeżeli mówię cicho do mikrofonu wzbudzenia nie ma, natomiast gdy mówię normalnie to u odbiorców słychać pisk, jest on słyszalny (bardzo cicho) także w moim CB. Mam nadzieję, że te spostrzeżenia pomogą.
  • #10 11299629
    Wlosek
    Poziom 16  
    Usunięcie C77 likwiduje usterkę , pojemność 10nf z rezystorem 2,2kom gdy się wzbudzi robi za generator około 5kHz .Jest to ponoć standartowa usterka w tym modelu, przynajmniej tak opisane na forum u naszych wschodnich sąsiadów.

    Model jest na tda2003.
REKLAMA