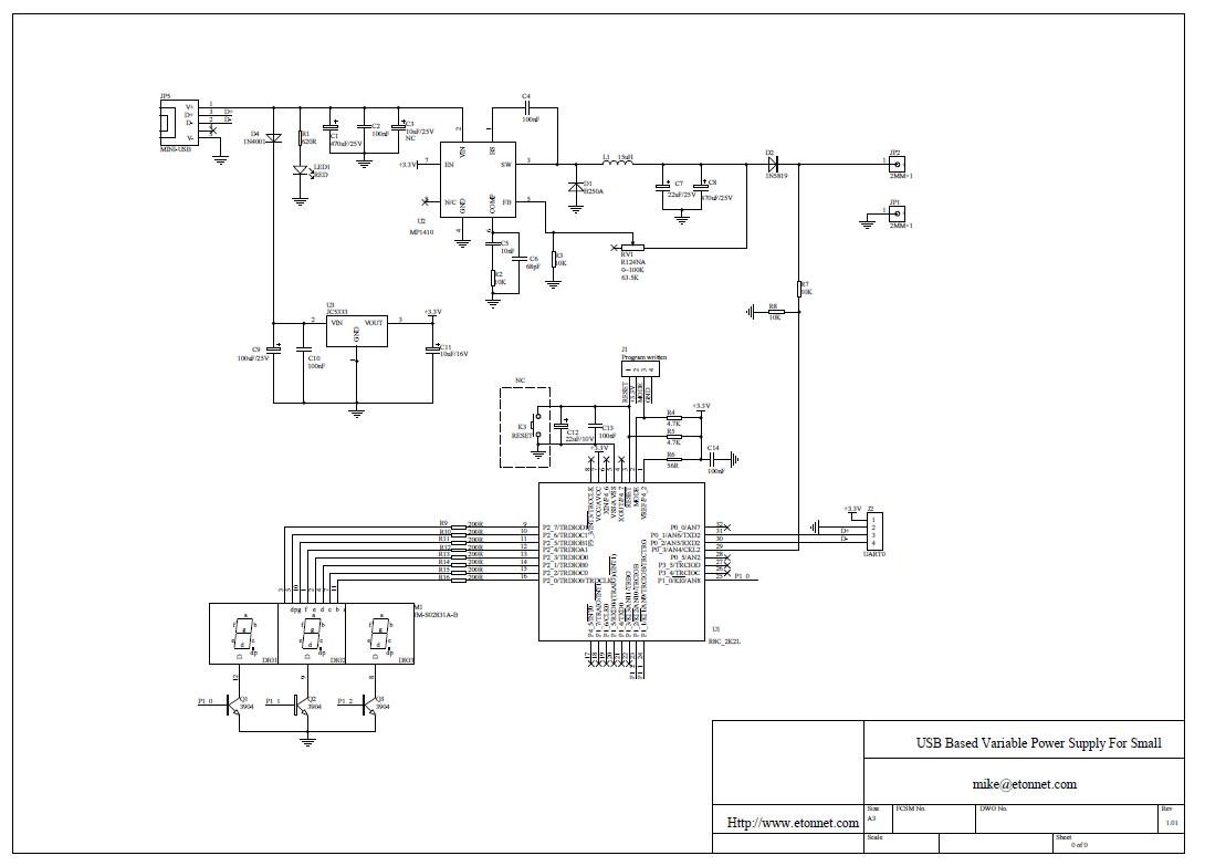
Autor projektu wiele podróżuje i często czas podróży wykorzystuje do budowy różnych projektów. Jak to w podróży bywa, nie często mamy dostęp do zasilania. Nie zawsze też, mamy pod ręką odpowiedni zasilacz. Dotychczas, autor podczas podróżowania, poprawiając kod oprogramowania wgrywanego do mikrokontrolera na płytce drukowanej, musiał zaczekać, aż wróci do domu, podepnie płytkę do zasilania i wówczas przetestuje nowy kod. Autor projektu postanowił to zmienić i zbudował regulowany zasilacz zasilany z portu USB. Niestety port USB ma pewne ograniczenia, jeżeli chodzi o napięcie, jednak do mikrokontrolerów to wystarcza. Port USB ma również ograniczenia prądowe, przez co należy zwracać uwagę na pobór prądu przez budowany układ. Projekt został opublikowany na otwartej licencji open source hardware. Pliki zostały udostępnione za darmo, link do plików znajduje się na stronie źródłowej. Ponieważ jest to projekt zasilacza regulowanego, dużą rolę odgrywa element regulujący. Tutaj pojawia się problem, ponieważ zbyt duży spadek napięcia na elemencie regulującym powoduje znacznie obniżenie napięcia wyjściowego. Należy przy tym pamiętać, że napięcie wejściowe pochodzi z USB i wynosi tylko 5V. Początkowo autor używał stabilizatora LM317T, ale okazało się to niezbyt dobrym rozwiązaniem, ponieważ spadek napięcia na stabilizatorze był dość duży. Autor przetestował kilka różnych stabilizatorów i w ostatecznej wersji użył MP1410. Dzięki temu spadek na tym elemencie to około 0,17V. Aktualny poziom napięcia wskazuje wyświetlacz LED wraz z układem monitorującym poziom napięcia wyjściowego z dokładnością do 10mV. Zasilacz jest również używany do podręcznych czynności na przykład sprawdzenia działania diody LED.
Schemat zasilacza poniżej:
Strona źródłowa
Fajne? Ranking DIY


