Cześć.
"Dziś" niestety producenci CB radii mają sobie za nic ujemny zysk anteny w samochodach i myląc czułość użytkowa/czułość radia, którą liczy się w odstępie sygnału od szumu z anteny, a nie od szumów własnych robią CB radia, które niestety nie popracują poprawnie na takich antenkach tym bardziej, że im krótsza, tym chętniej kupowana, tym bardziej szkodliwa dla radia.
I teraz w myśl powyższego trzeba rozważyć dlaczego i czy na pewno potrzebny tu wzmacniacz, np.
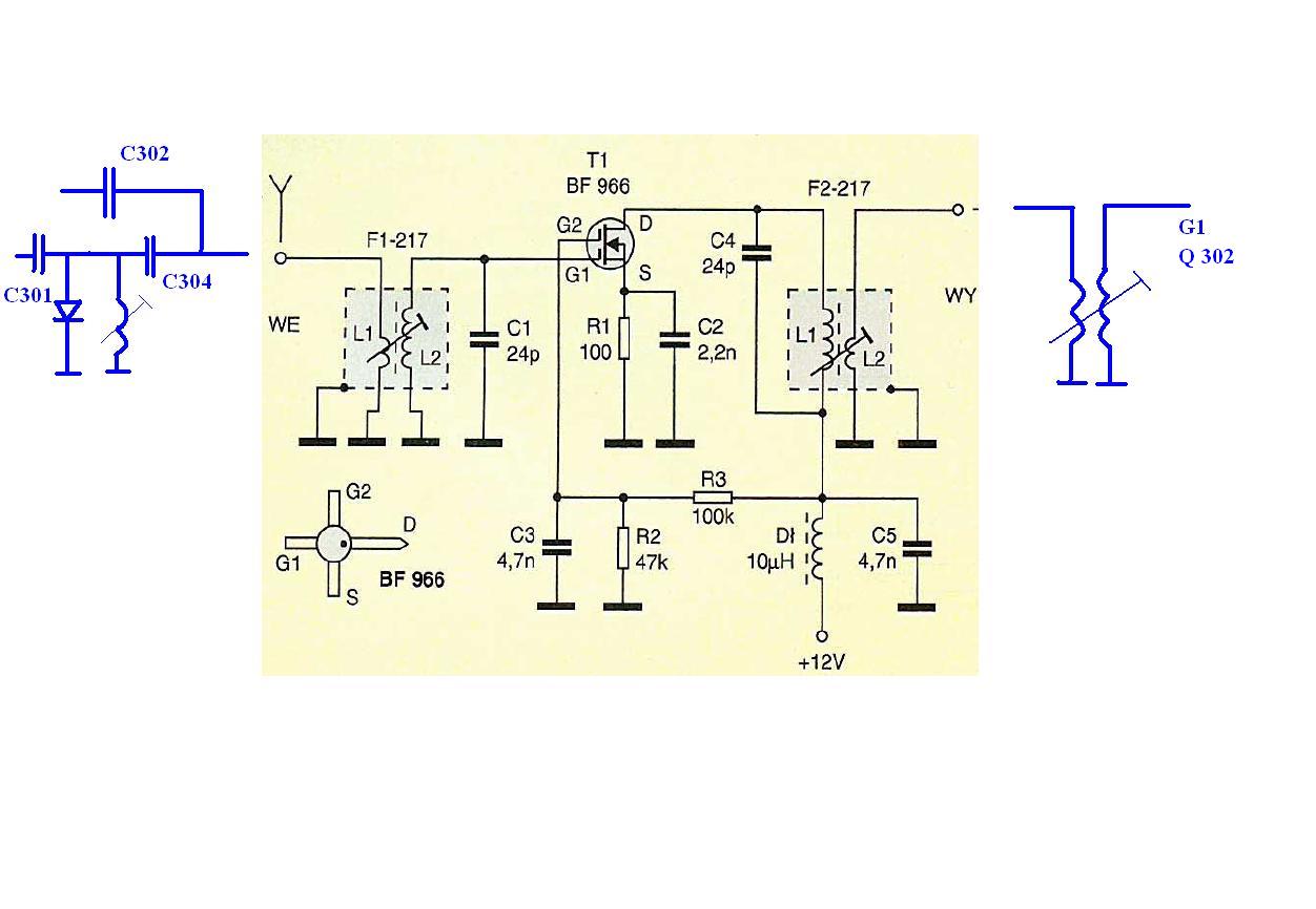
Rysunek przedstawia część toru Rx, której najprawdopodobniej producent pozbawił radia. C312a do usunięcia.
I zgodnie z tym założeniem dołożenie pre-ampa na wejściu może powodować przesterowanie radia.
Jak również włożenie go zgodnie z rysunkiem przedmówcy kol. Adama nie zadziała, ponieważ układ RLC jest pozbawiony tam jednego ze składników, kondensatora [
rezonans]. Udanych testów, które są bardziej upierdliwe, niż to na pozór wygląda
