logo elektroda
logo elektroda
X
logo elektroda
REKLAMA
REKLAMA
Adblock/uBlockOrigin/AdGuard mogą powodować znikanie niektórych postów z powodu nowej reguły.

Toshiba e-Studio 305 - Numer zielonej dźwigni pieca przy przedzie maszyny

horse667 25 Wrz 2012 20:09 939 6
REKLAMA
  • #1 11348007
    horse667
    Specjalista - kserokopiarki
    Witam, poszukuję nr części jak w temacie. Zielonej dźwigni umożliwiającej "rozwarcie" wałków pieca. Jeżeli jest asymetryczna to chodzi mi o tą bliżej przodu maszyny.
    pozdrawiam horse
  • REKLAMA
  • #2 11348451
    ABLublin
    Specjalista - kserokopiarki
    zobacz co potrzebujesz
    Toshiba e-Studio 305 - Numer zielonej dźwigni pieca przy przedzie maszyny
  • REKLAMA
  • #3 11348968
    horse667
    Specjalista - kserokopiarki
    Coś mi sie zdaje, że to nie ta maszyna.
  • Pomocny post
    #4 11349361
    ABLublin
    Specjalista - kserokopiarki
    pomyliłem modele pokazałem 350
  • REKLAMA
  • #5 11350710
    horse667
    Specjalista - kserokopiarki
    Ponawiam prośbę.
    pozdrawiam horse
  • REKLAMA
  • Pomocny post
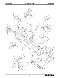
    #6 11351154
    BoBa
    Specjalista - kserokopiarki
    Może to : Toshiba e-Studio 305 - Numer zielonej dźwigni pieca przy przedzie maszyny
  • #7 11351895
    horse667
    Specjalista - kserokopiarki
    Dokładnie, chodziło mi o element nr 2.
    Wielkie dzieki BoBa.
REKLAMA