logo elektroda
logo elektroda
X
logo elektroda
REKLAMA
REKLAMA
Adblock/uBlockOrigin/AdGuard mogą powodować znikanie niektórych postów z powodu nowej reguły.

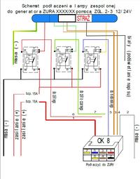
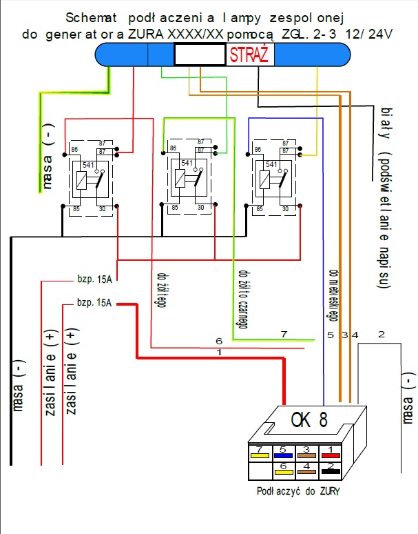
Zura 1120 - Jak podłączyć do starej instalacji Belma? Schematy i sygnały

majka41 30 Wrz 2012 14:06 9114 0
REKLAMA
  • #1 11363047
    majka41
    Poziom 8  
    Witam posiadam starą instalacje działającą belma
    Schemat:
    Zura 1120 - Jak podłączyć do starej instalacji Belma? Schematy i sygnały

    Aktualnie chcę podłączyć zura 1120 jednak mam parę problemów:
    Schemat zura 1120 Zura 1120 - Jak podłączyć do starej instalacji Belma? Schematy i sygnały

    Akutalnie ma podłączony 1 schemat wraz z 2 przełącznikami:
    Zura 1120 - Jak podłączyć do starej instalacji Belma? Schematy i sygnały coś ala takie teraz chcę go zdemontować i mam pytanie odnośnie podłączenia sygnałów jak one są podłączone bo na schemacie mam strasznie słabo pokazane jak ktos moze niech rozrysuje mi włącznik od spodu wraz z pinami i opisze co do czego jest podpięte.
  • REKLAMA
REKLAMA