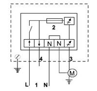
Witam,
Potrzebuję pomocy, jak połączyć falownik z wentylatorem promieniowym, żeby regulować obroty wentylatora?
falownik
http://www.qnisz.pl/pdf/falowniki/LG/iE5_dokumentacja_pl.pdf
wentylator
http://www.venture.pl/produkt,32,VENT,pl.htm
górne wejścia w falowniku
R - tu podłączamy faze
S - tu 0
T - tu uziemienie
dobrze ? i nie wiem pod jakie wejścia mam podłączyć fazę, masę i uziemienie od wentylatora
U - ?
V - ?
W - ?
dziękuję i pozdrawiam
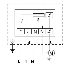
edit
Potrzebuję pomocy, jak połączyć falownik z wentylatorem promieniowym, żeby regulować obroty wentylatora?
falownik
http://www.qnisz.pl/pdf/falowniki/LG/iE5_dokumentacja_pl.pdf
wentylator
http://www.venture.pl/produkt,32,VENT,pl.htm
górne wejścia w falowniku
R - tu podłączamy faze
S - tu 0
T - tu uziemienie
dobrze ? i nie wiem pod jakie wejścia mam podłączyć fazę, masę i uziemienie od wentylatora
U - ?
V - ?
W - ?
dziękuję i pozdrawiam
edit
