logo elektroda
logo elektroda
X
logo elektroda
Adblock/uBlockOrigin/AdGuard mogą powodować znikanie niektórych postów z powodu nowej reguły.

Ocena projektu przedwzmacniacza - wzór płytki i schemat montażowy

adimax16 08 Paź 2012 20:58 2139 3
  • #1 11391466
    adimax16
    Poziom 10  
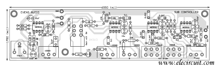
    Witam wszystkich czy mógłbym was poprosić o sprawdzenie projektu pewnego przedwzmacniacza którego znalazłem w necie ? Oto wzór płytki i schemat montażowy przykro mi lecz nie posiadam do niego schematu. Ocena projektu przedwzmacniacza - wzór płytki i schemat montażowy Ocena projektu przedwzmacniacza - wzór płytki i schemat montażowy
  • #2 11391542
    Jednorożec
    Poziom 10  
    Czyli mam zrealizować ten projekt wykładając na niego swoje pieniądze i poświęcając czas a następnie sprawdzić jego działanie i dokonać pomiarów?
  • #3 11391572
    adimax16
    Poziom 10  
    hmm nie o to się rozchodzi więc tak znalazłem ten projekt na tej stronie :http://www.free-circuit.com/2011/03/23/subwoofer-filter-gainer-auto-power-system-circuit/ złożyłem go i po prostu nie działa ...i dopiero teraz zobaczyłem że ten schemat nie odpowiada temu pcb i schematowi montażowemu i zastanawiam się czemu to nie hula
  • #4 11394921
    adimax16
    Poziom 10  
    sprawa już rozwiązana padł stabilizator napięcia na lini -15volt temat zamykam
REKLAMA