logo elektroda
logo elektroda
X
logo elektroda
REKLAMA
REKLAMA
Adblock/uBlockOrigin/AdGuard mogą powodować znikanie niektórych postów z powodu nowej reguły.

Albrecht AE 6890 - Schemat przycisków up/down oryginalnej gruszki potrzebny

ambrozy87 12 Paź 2012 23:22 4041 7
REKLAMA
  • #1 11405717
    ambrozy87
    Poziom 11  
    Czy ktoś może posiada oryginalną gruszkę do Albrechta AE 6890 i mógłby zobaczyć jak są podłączone - do czego zwierają i przez jaki ewentualnie rezystor - przyciski UP i DOWN? Mam nieoryginalną gruszkę Midland/Alan z podobnymi przyciskami, ale działa tylko DOWN.
  • REKLAMA
  • #2 11406179
    Olek II
    Moderator
    Schemat radia w sieci.
    Mam tylko tyle, może dasz radę.
    Styk 1 sygnał audio z mikrofonu
    Styk 2 PTT-RX (uziemiony przy odbiorze)
    Styk 3 PTT-TX (uziemiony przy nadawaniu)
    Styk 4 przycisk góra / dół
    Styk 5 Masa
    Styk 6 Napięcie dodatnie do zasilania mikrofonu,
    jeśli potrzeba.
  • REKLAMA
  • #3 11406623
    ambrozy87
    Poziom 11  
    Dzięki, ale zupełnie nie o to mi chodziło. Wtyczka jest podłączona dobrze. Chodziło mi o to jak to jest pospinane w samym mikrofonie w środku: co się dzieje jak nacisnę np. klawisz UP - do którego ze styków jest zwierany i przez jaki rezystor. Obecnie jest DOWN zwierany do masy (styk 5) oraz UP przez rezystor 22kOhm do styku 3. O ile DOWN działa, UP - nie.
  • REKLAMA
  • #5 11406864
    ambrozy87
    Poziom 11  
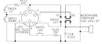
    Ciekawe to co mówisz - ale schemat, który mam i to co widziałem w mikrofonie mówią co innego.
    Z poniższego schematu wyrzuć tylko przycisk LOG i masz dokładnie to co ja obecnie.
    Albrecht AE 6890 - Schemat przycisków up/down oryginalnej gruszki potrzebny

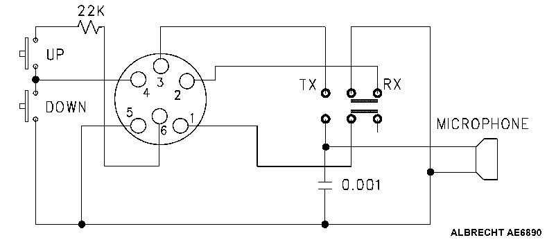
    Znalazłem jeszcze jeden alternatywny schemat podłączenia w sieci, który wypróbuję w poniedziałek, bo dopiero wtedy będę miał dostęp do lutownicy.
    Albrecht AE 6890 - Schemat przycisków up/down oryginalnej gruszki potrzebny
  • #6 11406922
    Olek II
    Moderator
    Wykonaj połączenia w/g drugiego schematu. Na pierwszym styk 3 jest połączony ze zmianą kanałów. Zobacz, że podczas nadawania jest zwierany do masy i za każdym naciśnięciem PTT, będzie zmiana kanałów. Chyba, że czegoś nie rozumiem. Zrób tak:
    Zwieraj pin 4 i 5 kawałkiem przewodu, powinny zmieniać się kanały w dół.
    Zwieraj przez rezystor 22KΩ pin 4 i 6, powinny zmieniać się kanały do góry.
  • REKLAMA
  • #7 11406965
    ambrozy87
    Poziom 11  
    Problem w tym, że mikrofon działa prawidłowo w radiu, z którego został wzięty. To że styk 3 jest zwierany podczas nadawania do masy jest dość jasne, ale co się z nim dzieje, gdy nie nadajemy - jest mniej oczywiste. Dla wyklarowania: zdecydowanie _nie_wisi_ on w powietrzu, a jest podciągnięty (odczytane ze schematu radia) do 22kOhm do +5V wewnątrz radia, ale widać to za mało, żeby udźwignąć tranzystorek przełączający.
    Za obsługę UP/DOWN odpowiedzialny jest styk 4 wtyczki. Czy nacisnęliśmy UP czy DOWN determinuje to do czego został zwarty.
    Przeanalizowałem już sobie schemat radia i wygląda na to, że faktycznie to drugie podłączenie jest słuszne. Ten link potwierdzałby trochę tę tezę.
  • #8 11430282
    ambrozy87
    Poziom 11  
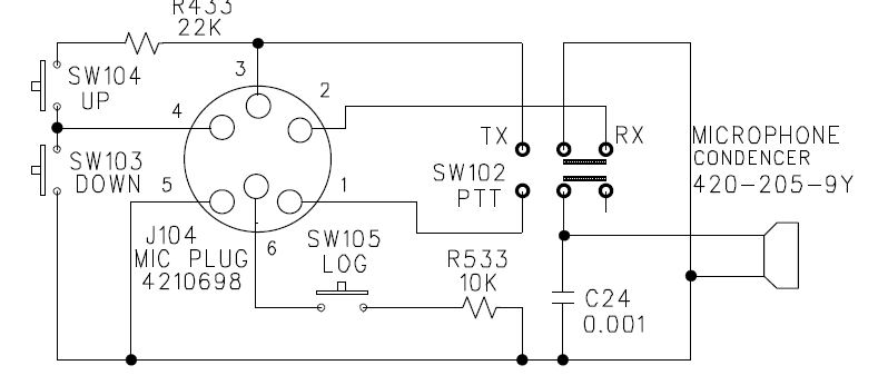
    Dla potomności wrzucam prawidłowy (sprawdziłem - wszystkie przyciski oraz PTT i mikrofon działają jak należy) schemat podłączenia gruszki do Albrechta AE6890.
    Topic uważam za rozwiązany.
REKLAMA