Niniejszy projekt jest pierwszym podejściem autora do zbudowania tak dużego urządzenia elektronicznego. Projekt jest przeznaczony dla każdego, kto chciałby wykonać swoją własną kopię vocodera. Swoje urządzenie autor nazwał Morphatronem. Skonstruowanie działającego urządzenia nie było prostą sprawą, autor wykonał większość najtrudniejszych prac – dzięki temu można teraz łatwo zbudować własny vocoder, a urządzenie może dokonywać naprawdę niesamowitych rzeczy.
Podstawową rzeczą wymagającą omówienia jest schemat układu, przedstawiony na poniższych rysunkach.
Autor, po dokonaniu wstępnego projektu i zapoznaniu się ze schematami podobnych urządzeń, skupił się na zastosowaniu w urządzeniu łatwo dostępnych i tanich podzespołów oraz postawił na zastosowanie najprostszych z możliwych rozwiązań, bez jednoczesnej utraty funkcjonalności vocodera.
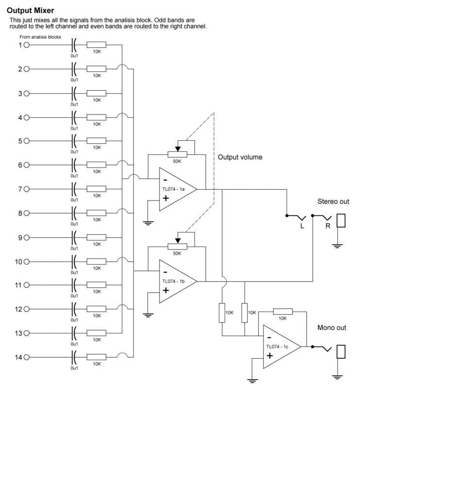
Vocodery zwykle posiadają dwa wejścia i jedno wyjście. Do pierwszego wejścia podawany jest zwyczajowo sygnał z mikrofonu; do drugiego – sygnał „nośnika”, zwyczajowo z keyboardu. Sygnał z mikrofonu podawany jest do sekcji analizatora, która odpowiada za wyodrębnienie widma sygnału i nałożenie go na sygnał „nośnika”. Zaprezentowane urządzenie dokonuje analizy sygnału w podziale na 14 pasm, ale można to łatwo zmienić, dodając (lub odejmując) kolejne kanały sekcji analizatora.
Po pierwsze, sygnały podawane na wejścia muszą być wzmocnione. Następnie sygnały przechodzą do sekcji analizatora, żeby finalnie zostały zmiksowane. Proces ten odbywa się w trzech głównych blokach urządzenia. Dodatkowo, wszystkie 14 kanałów analizatora zaprojektowano w identyczny sposób, zmienne są tylko wartości pojemności kondensatorów (takie rozwiązanie wybrano celowo, dla ułatwienia konstrukcji).
Każdy kanał analizatora składa się z dwu identycznych filtrów środkowoprzepustowych. Pierwszy odbiera sygnał z mikrofonu i przekazuje go do generatora obwiedni. Wyjście generatora kontroluje pracę obwodów VCA (wzmacniacza sterowanego napięciem), które odpowiadają za wzmacnianie sygnału „nośnika”, filtrowanego w drugim filtrze środkowoprzepustowym.
W urządzeniu zastosowano najłatwiej dostępne układy: wszystkie wzmacniacze operacyjne są typu TL074, dodatkowo potrzebna jest jeszcze garść rezystorów, kondensatorów i tranzystorów NPN (typu 2N2222 lub podobnych). Układ wymaga zasilania symetrycznego +/- 10-15V. W oryginalnym urządzeniu autor zasila vocoder z zasilacza komputerowego napięciem +/- 12V.
Przed zmontowaniem układu na płytkach autor testował działanie poszczególnych obwodów na płytce stykowej. Poszczególne bloki urządzenia zostały zlutowane na płytkach uniwersalnych. Całość zamontowano w obudowie wykonanej z pleksi i płyty MDF.
Źródło
Fajne? Ranking DIY
