Witam.
Posiadam radio K-PO DX-5000 oraz regulowany filtr dolnoprzepustowy AVT5109
Chciałem założyć go na wyjściu audio z radia ale nie uzyskałem oczekiwanego efektu - Obecnie pracując na emisjach cyfrowych zdarza się, że pojawi się jakaś stacja, która "przykrywa" pozostałe.
Niestety wycięcie w/w filtrem niewiele daje ponieważ słabsze stacje wychodzą już wytłumione z radia.
Tu pytanie do doświadczonych kolegów - czy można wstawić ten filtr wcześniej w torze audio aby rozwiązać ten problem?
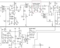
Załączam schemat radia -tor audio na stronie 17.
Piotr
Posiadam radio K-PO DX-5000 oraz regulowany filtr dolnoprzepustowy AVT5109
Chciałem założyć go na wyjściu audio z radia ale nie uzyskałem oczekiwanego efektu - Obecnie pracując na emisjach cyfrowych zdarza się, że pojawi się jakaś stacja, która "przykrywa" pozostałe.
Niestety wycięcie w/w filtrem niewiele daje ponieważ słabsze stacje wychodzą już wytłumione z radia.
Tu pytanie do doświadczonych kolegów - czy można wstawić ten filtr wcześniej w torze audio aby rozwiązać ten problem?
Załączam schemat radia -tor audio na stronie 17.
Piotr
