Tematem niniejszego projektu jest konstrukcja niedrogiej, wydajnej i w pełni programowalnej centralki domowego systemu alarmowego. W urządzeniu jako czujniki zostały wykorzystane fotorezystory – alarm aktywuje przekroczenie laserowej bariery optycznej. Podczas wystąpienia alarmu centralka może połączyć się z zaprogramowanym numerem telefonu (używając wbudowanego generatora sygnałów DTMF) i uruchomić wysokiej mocy syrenę alarmową oraz oświetlenie. Wszystkie parametry pracy urządzenia wprowadzane są przy pomocy komputera, za pośrednictwem interfejsu RS232.
W aktualnej wersji firmware’u poprzez port szeregowy można dokonać kompletnej zmiany opcji centrali alarmowej, przeprowadzić autotest systemu, wygenerować raport o zdarzeniach itp. Centrala posiada także wbudowany generator sygnału alarmu o mocy 5W (przy zastosowaniu głośnika 4Ω); dźwięki alarmu są konfigurowane przez użytkownika – do wyboru jest odgłos syreny policji, straży pożarnej albo karetki pogotowia.
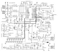
Sercem centralki alarmowej jest mikrokontroler PIC16F877A; do kontroli fotorezystorów wykorzystano układ LM339; w roli generatora sygnałów DTMF pracuje układ UM3561; w generatorze sygnałów alarmowych wykorzystano zaś układ µPC2002 (wzmacniacz audio). Zasilacz wbudowany w centralkę dostarcza napięć +5V, +12V oraz +3V dzięki odpowiednim stabilizatorom.
Zaprojektowana płytka drukowana pozwala na prosty montaż centralki. Podczas pracy należy uważać na możliwość występowania napięcia sieci w niektórych miejscach płytki. Jak pokazano też na powyższym rysunku, na płytce wyprowadzono złącza do podłączania zewnętrznych elementów systemu:
- Złącze zasilania (18-25V, 2A)
- Port RS232
- Gniazdo telefon/linia (typowe gniazdo do podłączania linii telefonicznej/aparatu telefonicznego za pomocą złącza typu RJ12/RJ11)
- Zasilanie +3V dla diody laserowej
- Złącza czujników (do przyłączania czułych fotorezystorów)
- Dioda LED sygnalizująca stan systemu
- Przycisk reset (anulujący alarm, działa tylko w przypadku alarmu dźwiękowego, nie przerywa połączenia telefonicznego)
- Przycisk aktywujący możliwość wykonywania połączeń telefonicznych
- Sensor oświetlenia zewnętrznego
- Regulator głośności alarmu
- Zwora do wyboru dźwięku alarmu
- Brzęczyk (sygnalizuje np. błędy pracy centralki)
- Przycisk aktywujący tryb programowania
- Wyjście alarmu (do przyłączania głośnika 8W/8Ω lub 10W/4Ω)
Po zmontowaniu całości urządzenia centralka wymaga kalibracji. W tym celu, po dokonaniu odpowiednich czynności na płytce drukowanej (usunięcie części układów scalonych, zwarcie odpowiednich zwór – szczegóły na stronie źródłowej) połączyć centralkę z komputerem. Za pomocą programu terminala można wprowadzić urządzenie w tryb programowania. Po dokonaniu nastaw należy wykonać autotest pracy centralki.
Na stronie źródłowej dostępne są wzory płytki drukowanej w formacie EAGLE oraz wsad do mikroprocesora.
Źródło
Fajne? Ranking DIY
