logo elektroda
logo elektroda
X
logo elektroda
REKLAMA
REKLAMA
Adblock/uBlockOrigin/AdGuard mogą powodować znikanie niektórych postów z powodu nowej reguły.

[ATtiny2313] Jak poprawnie zaprogramować dekoder RDS na TDA7330?

bf214 24 Paź 2012 00:57 1995 4
REKLAMA
  • #1 11444344
    bf214
    Poziom 16  
    Witam! :D

    Historia jak pewnie wiele innych :D Zbudowałem dekoder RDS na TDA7330 i ATtiny2313. Nie dlatego, żeby się wdrożyc w procesory, tylko dlatego, że w handlu nie ma gotowych dekoderów. No i zaprogramowanie mnie przerosło :D Zrobiłem prosty programator szeregowy, zaprogramowałem PonyProgiem i dekoder nie działa. W układzie, w którym raczej nie miałby prawa nie działać, gdyby był sprawny - sygnał biorę z wyjścia detektora w radiu z RDS, które w tym samym czasie RDS odbiera. Ponieważ wziąłem sobie do serca regulamin działu, zacząłem zgłębiać zagadnienie. Ale im dalej w las, tym więcej drzew. Najpierw doszedłem do tego, że mimo, że fusebity są podane na stronie (link poniżej), to i tak mogłem je źle ustawić. Potem okazało się, że procesor może w ogóle kwalifikować się do odblokowania AVR Doctorem, bodajże w związku z czymś określonym literowo-liczbowym skrótem (żadnych szczegółów nie pamiętam, bo to było już jakiś czas temu), którego znaczenia nie udałoby mi się od razu poznać, tylko musiałbym poświęcić na to sporo czasu. W końcu uznałem, że ten pojedynczy układ nie jest wart wkładania tyle czasu i wysiłku - jest to mój pierwszy układ na procesorze i pewnie jak na razie ostatni. Zresztą żeby wypełnić samą procedurę podaną tutaj:

    https://www.elektroda.pl/rtvforum/topic998383.html

    musiałbym się uczyć dłuższy czas. W każdym razie mam 3 sztuki ATtiny2313, co do których podejrzewam, że są zablokowane i/lub źle zaprogramowane :D Gdyby były ok, to mógłbym łatwiej sprawdzić, czy inne rzeczy są w porządku (TDA7330 na pewno jest sprawny). W związku z tym mam pytanie - czy ktoś, kto ma możliwości, mógłby je sprawdzić, odblokować i zaprogramować. Procesory włożyłbym w zwykły list (oczywiście zabezpieczone).

    Strona autora dekodera:

    http://www.mictronics.de/projects/rds-decoder/

    Wątek z fusebitami:

    https://www.elektroda.pl/rtvforum/topic1219515.html

    Pozdrawiam!
  • REKLAMA
  • Pomocny post
    #2 11444406
    oj
    Poziom 42  
    Podczas programowania ATtiny2313 przełączasz FUSE na generator zewnętrzny dlatego nie możesz ponownie je oczytać/zapisać.
    Ponowne programowanie musi być zrobione z podłączonym układem TDA7330 razem z jego kwarcem.

    Jeżeli nie można oczytać/zapisać to:
    1. Nie działa oscylator TDA7330 lub
    2. Przestawiony został FUSE RSTDISBL lub SPIEN

    Odblokować można tak, jeżeli nie działa oscylator TDA7330
    Link

    Dodano po 16 [minuty]:

    bf214 napisał:
    i dekoder nie działa


    Ale co się dzieje?

    Układ po włączeniu zasilania, powinien wyświetlić napis na pierwszej linii "RDS Decoder", druga linia czysta. W takim stanie (wyświetlony napis "RDS Decoder") zostaje do chwili odebrania ramki sygnału RDS.
  • REKLAMA
  • #3 11447644
    bf214
    Poziom 16  
    Witam, dzięki za odpowiedź!

    Cytat:
    Ponowne programowanie musi być zrobione z podłączonym układem TDA7330 razem z jego kwarcem.


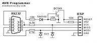
    Mam ten programator:

    [ATtiny2313] Jak poprawnie zaprogramować dekoder RDS na TDA7330?

    Z tym, że z zewnętrznym zasilaniem, bo tak, jak jest na schemacie nie działał. Plus 2 kondensatory 22 pF i kwarc 4 MHz. Nie umożliwia on (przynajmniej tak, jak ja go zrobiłem) programowania w docelowym układzie.

    Cytat:
    Układ po włączeniu zasilania, powinien wyświetlić napis na pierwszej linii "RDS Decoder", druga linia czysta. W takim stanie (wyświetlony napis "RDS Decoder") zostaje do chwili odebrania ramki sygnału RDS.


    Napis "RDS Decoder" wyświetla. A jesteś na 100% pewien, że świadczy to o prawidłowym zaprogramowaniu? :D
  • REKLAMA
  • Pomocny post
    #4 11447869
    oj
    Poziom 42  
    bf214 napisał:
    Napis "RDS Decoder" wyświetla


    Tak się zachowuje układ jak nie może odebrać ramki RDS lub jest ona zniekształcona.
    Kwarc musi być taki jak tam jest podany; 4.332MHz
  • #5 11448049
    bf214
    Poziom 16  
    Cytat:
    Tak się zachowuje układ jak nie może odebrać ramki RDS lub jest ona zniekształcona.


    Chodziło mi o to, że być może jest taka możliość, że napis "RDS Decoder" się wyświetla, ale mimo to procesor nie jest poprawnie zaprogramowany.

    Cytat:
    Kwarc musi być taki jak tam jest podany; 4.332MHz


    tzn. 4 MHz mam w programatorze, w dekoderze jest 4,332.

    [ATtiny2313] Jak poprawnie zaprogramować dekoder RDS na TDA7330?


    Witam ponownie!

    No więc tak: zabrałem się za to - początkującym polecam stronę http://mikrokontrolery.blogspot.com (do Moderatorów: jeśli podawanie linków do takich stron jest niezgodne z regulaminem, to proszę o usunięcie tego linku). Informacje tam zawarte bardzo dużo mi wyjaśniły w takich właśnie podstawowych kwestiach, które mogą utrudniać albo uniemożliwiać programowanie mikrokontrolerów.

    Ale do tej pory nie udało mi się tego attiny zaprogramować. Zrobiłem programator od nowa, w wersji podłączanej do dekodera. No i teraz w ogóle nie widział procesora. Kombinowałem, zmieniałem różne rzeczy, tym razem już w sposób bardziej świadomy, ale nic z tego.

    Ponawiam prośbę o zaprogramowanie

    Wysłałbym 3 attiny, z czego prosiłbym o zaprogramowanie 2 (o ile jeszcze działają).
REKLAMA