Witam serdecznie
zakupiłem alarm rtx am5 i powoli przymierzam się do próby podłączenia do swojej instalacji i chciał bym się od znawców dowiedzieć się jak mam to zrobić bo wszystkie poradniki które przeglądam na necie są do skuterków które odpala się (przekręcając kluczyk naciskając hamulec i przycisk startera)
w moim buggim tak nie mam u mnie odpala się tak jak w aucie pierwsza pozycja aktywny zapłon (światła itd.) i mocniejsze przekręcenie powoduje rozruch
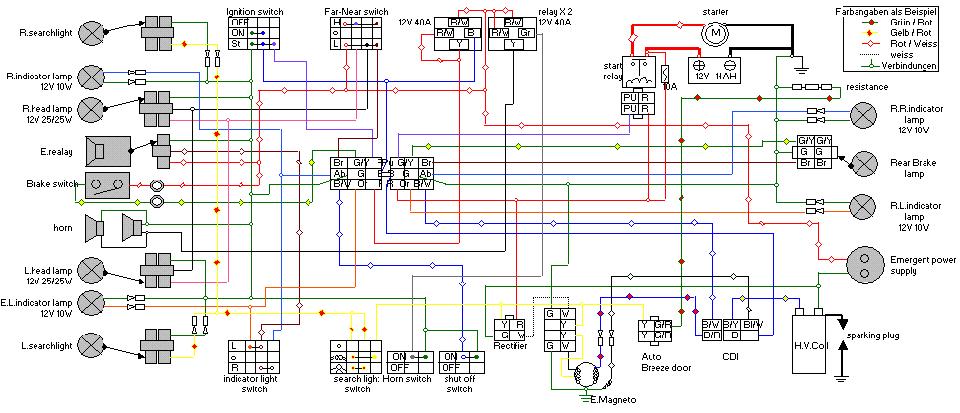
i dlatego mam wątpliwości. Przesyłam foto instrukcji którą dostałem i schemat swojej instalacji

zakupiłem alarm rtx am5 i powoli przymierzam się do próby podłączenia do swojej instalacji i chciał bym się od znawców dowiedzieć się jak mam to zrobić bo wszystkie poradniki które przeglądam na necie są do skuterków które odpala się (przekręcając kluczyk naciskając hamulec i przycisk startera)
w moim buggim tak nie mam u mnie odpala się tak jak w aucie pierwsza pozycja aktywny zapłon (światła itd.) i mocniejsze przekręcenie powoduje rozruch
i dlatego mam wątpliwości. Przesyłam foto instrukcji którą dostałem i schemat swojej instalacji
