Witam, mam zaprogramowaną Atmege8, na wejście przetwornika A/C, mam podpięty czujnik z dzielnikiem napięciowym, który prawidłowo odczytuje mi rezystancję czujnika i przetwarzam ją sobie programowo na napięcie, teraz chciałbym aby wyjście PWM uC, działało jako przetwornik C/A i na jego wyjściu był sygnał 0-10V, proporcjonalny do tego z czujnika, wiem że maksymalnie z Atmegi uzyskam 0-5V, więc pomyślałem że dam za wyjściem PWM uC, wzmacniacz operacyjny, zrobiłem nawet schemat tylko nie wiem czy to będzie działać prawidłowo, chciałbym to jutro złożyć więc proszę o opinie i pomoc.
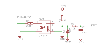
zamieszczam fragment schematu, czy to będzie działać ?

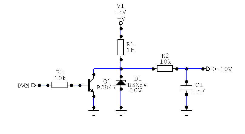
zamieszczam fragment schematu, czy to będzie działać ?