logo elektroda
logo elektroda
X
logo elektroda
REKLAMA
REKLAMA
Adblock/uBlockOrigin/AdGuard mogą powodować znikanie niektórych postów z powodu nowej reguły.

Jak sprawdzić uszkodzone podzespoły 1000W wzmacniacza samochodowego?

szym13 22 Lis 2012 15:55 1983 10
REKLAMA
  • #1 11560604
    szym13
    Poziom 9  
    Witam.
    Jestem początkujący więc proszę o wyrozumiałość.
    Otóż mam 1000W 'atowy' wzmacniacz w samochodzi. Problem polega na tym, że przy bezpiecznikach 20A, 30A i wyżej wywalało owy bezpiecznik. Teraz gdy jest wsadzony 80A Po prostu nie gra. Podejrzewam, że mógł się spalić, gdyż nie był chroniony przed większym napięciem. I teraz moje pytanie brzmi:

    1. Co może być przyczyną takiego zachowania instalacji?
    2. Mając multimetr jak mogę pomierzyć podzespoły czy spalił się, czy też nie?
  • REKLAMA
  • #2 11560617
    13adam13
    Poziom 29  
    Na jak dałem mu 80 A to nie miał szans przeżyć, daj zdjęcia wzmazniacza,a poza tym nazwa,model wzmacniacza, nie chcę Cię martwić ale się spalił jeśli się znasz to rozkręć i daj fotki wnętrza.
  • #3 11560673
    szym13
    Poziom 9  
    No to teraz inaczej. Wsadzony został bezpiecznik 50A. Wzmacniacz gra gra, lecz stopniowo się nagrzewa i wyłącza, więc raczej spalony nie jest. Czyżby za duży prąd?
  • REKLAMA
  • REKLAMA
  • #5 11560797
    Zenek1988
    Poziom 28  
    szym13 napisał:
    No to teraz inaczej. Wsadzony został bezpiecznik 50A. Wzmacniacz gra gra, lecz stopniowo się nagrzewa i wyłącza, więc raczej spalony nie jest. Czyżby za duży prąd?

    Napisz może co to za wzmacniacz i jak jest podpięty. Skoro się nagrzewa do tego stopnia że się wyłącza to coś może z nim być nie tak. Rozkręć go i zajrzyj do środka bo bez tego to nic się nie dowiesz.
  • REKLAMA
  • #6 11560851
    powalla
    Moderator CarAudio
    Może podłączyles glosniki o za niskiej impedancji?
  • #7 11563081
    szym13
    Poziom 9  
    A więc tak:
    Wzmacniacz SONY XM-2165GTX.
    Grzeje się w miejscu 1 i 2 (oznaczone na zdjęciu). Wsadzone bezpieczniki 25A i 30A.
    Trochę zdjęć:
    Jak sprawdzić uszkodzone podzespoły 1000W wzmacniacza samochodowego? Jak sprawdzić uszkodzone podzespoły 1000W wzmacniacza samochodowego? Jak sprawdzić uszkodzone podzespoły 1000W wzmacniacza samochodowego? Jak sprawdzić uszkodzone podzespoły 1000W wzmacniacza samochodowego?
  • #8 11563246
    powalla
    Moderator CarAudio
    Co pod niego podłączasz?
  • #9 11563667
    szym13
    Poziom 9  
    Tuba(1000W) pod wzmacniacz i od wzmacniacza chinch 'ami do radia, a z radia ida 4 głośniki na samochód. Niestety jeśli muszę określić moc tych głośników, to niestety na chwilę obecną nie mam takiej możliwości. A powie mi ktoś jak zbadać rezystywność na wzmacniaczu i na głośniki?
  • #10 11563783
    powalla
    Moderator CarAudio
    Jaka ta "tuba" ? Wykręć głośniki i wklej fotki .

    szym13 napisał:
    A powie mi ktoś jak zbadać rezystywność na wzmacniaczu i na głośniki?


    Nie skomentuję pisowni , a odpowiedzi znajdziesz w FAQ Nazara i na forum .
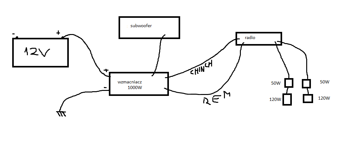
  • #11 11565159
    szym13
    Poziom 9  
    A więc schemat:
    Jak sprawdzić uszkodzone podzespoły 1000W wzmacniacza samochodowego?

    I zdjęcia subwoofera i głośników:
    Jak sprawdzić uszkodzone podzespoły 1000W wzmacniacza samochodowego?
    Jak sprawdzić uszkodzone podzespoły 1000W wzmacniacza samochodowego?
    Jak sprawdzić uszkodzone podzespoły 1000W wzmacniacza samochodowego?
    Jak sprawdzić uszkodzone podzespoły 1000W wzmacniacza samochodowego?

    3.1.17. Zabronione jest publikowanie wpisów obniżających ogólny poziom dyskusji.
REKLAMA