logo elektroda
logo elektroda
X
logo elektroda
REKLAMA
REKLAMA
Adblock/uBlockOrigin/AdGuard mogą powodować znikanie niektórych postów z powodu nowej reguły.

VW PASSAT B5 - Wzbudzenie alternatora przez żarówkę 5W

awariall 02 Gru 2012 16:28 7008 4
REKLAMA
  • #1 11601388
    awariall
    Poziom 10  
    Mam problem ze wzbudzeniem alternatora. Ładuje dopiero po przegazowaniu. Rozwiązaniem jest poprowadzenie wzbudzenia po zapłonie przez żarówkę 5W. Mam pytanie jakim rezystorem można zastąpić tę żarówkę?
  • REKLAMA
  • #2 11601822
    miler80
    Poziom 34  
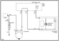
    Takim ile posiada żarówka 5W, czyli o.k 4ohm. Jak już tak kombinujesz to zrób jak na schemacie: VW PASSAT B5 - Wzbudzenie alternatora przez żarówkę 5W
  • REKLAMA
  • Pomocny post
    #3 11602805
    PREDAT
    Poziom 24  
    R=U^2 / P
    R=144 / 5 = 28,8 :-)
  • REKLAMA
  • #4 11602823
    Konto nie istnieje
    Konto nie istnieje  
  • #5 11603562
    awariall
    Poziom 10  
    Deska go nie wzbudzi bo zmieniłem alternator Valeo na Bosch 120A z chłodzeniem a ten potrzebuje inne napięcie do rozruchu. Dziękuje za pomoc.
REKLAMA