Jeden z użytkowników http://www.instructables.com wpadł na ciekawy pomysł zmodyfikowania i ulepszenia zabawki kupionej dla wnuka z "wyprzedaży garażowej". Po konsultacji z żoną zdecydował się na modyfikacje, dzięki której autobus miałby poruszać się tylko dzięki energii czerpanej ze światła słonecznego.
Długość zabawki wynosi około 10 cali, obudowa jest wykonana z metalu, przez co jej waga jest dość znacząca, a co za tym idzie wprawienie autobusu w ruch tylko przy pomocy energii światła może stanowić pewien problem. Tym bardziej, że zabawka musi działać zarówno w słoneczne, jak i pochmurne dni. Poniżej widoczny jest schemat, który umożliwia poruszanie się autobusu przy pomocy energii wytworzonej przez ogniwa słoneczne, która to jest magazynowana tak długo, aż będzie jej wystarczająco dużo, aby zabawka mogła ruszyć i przemierzyć daną odległość.
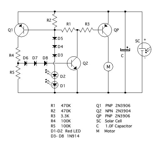
Obwód, który został wykorzystany tutaj, byłe również opisywany na http://www.instructables.com w projekcie o nazwie "Easter Solar Engine", tutaj pokazany jest tylko sposób, w który można zaadaptować to rozwiązanie do tego konkretnego przypadku.
Wyzwaniem dla autora projektu był rozmiar i waga zabawki. Na szczęście wraz z autobusem zakupiony został silnik i skrzynia biegów, których drobna, prowizoryczna modyfikacja wystarczy, aby elementy te mogły posłużyć do napędu zabawki. Silnik będzie jednak trzeba zasilić napięciem przynajmniej 3,5V.
Autor zachęca do zapoznania się z wyżej wymienionym projektem "Easter Solar Engine", który znajduje się na http://www.instructables.com, jego drobna modyfikacja polegająca na zwiększeniu ilości diod pozwala na ustawianie żądanego napięcia powodującego zamknięcie obwodu. Tabela przedstawia listę kilku kombinacji oraz ich napięcie progowe. W tym przypadku napięcie to musi być wyższe niż to, które pierwotnie założono. Autor przeprowadził eksperyment z różnymi kombinacjami diod, konfiguracja, która dała najlepsze efekty jest przedstawiona na schemacie. Ten układ diod dał satysfakcjonujące wyniki, które z resztą możecie zobaczyć na filmiku.
Po złożeniu obwodu na prototypowej płytce stykowej i przetestowaniu go, wszystkie elementy zostały przeniesione na małą uniwersalną płytkę drukowaną i polutowane. Taką płytkę można kupić w każdym sklepie zajmującym się sprzedażą elementów elektronicznych.
Egzemplarz zabawki, który posiada autor miał dużą otwartą przestrzeń na dachu, po to, by dzieci mogły wkładać do środka zabawkowych pasażerów. Element ten został wycięty, a w jego miejsce wstawiono ogniwa słoneczne, które wpasowały się tam idealnie.
Aby osiągnąć satysfakcjonujące efekty silnik musi być zasilany napięciem przynajmniej 4,1V, ogniwa powinny więc wytwarzać napięcie rzędu od 4,6V do 5V. Ogniwa, których użył autor mają formę cienkiej błony przyklejonej do szkła i są w stanie wytworzyć odpowiednie napięcie nawet w warunkach średniego zachmurzenia lub przy sztucznym oświetleniu, wewnątrz mieszkania.
Okazuje się, że wyjątkowo dobre ogniwa słoneczne są montowane w brelokach do kluczy, posiadających funkcję latarki, gadżet taki jest pokazany na zdjęciu poniżej. Ogniwo z nich można bardzo łatwo zdemontować, a napięcie przez nie generowane jest wystarczające do naszych celów - około 7V w słońcu oraz 5,5V w cieniu. 6 takich ogniw udało się zamontować autorowi na dachu autobusu. Po połączeniu ich równolegle napięcie przez nie generowane jest wystarczająco wysokie nawet w mocno zacienionych miejscach.
Zdjęcia przedstawiają sposób zamontowania układu w podwoziu zabawki od strony mechanicznej. Autor ustawił osie pod kątem w ten sposób, aby autobus poruszał się po torze małego okręgu o średnicy zaledwie kilku stup, bez zbaczania z niego, celem uniknięcia uszkodzeń wyposażenia pokoju, w którym miałaby funkcjonować zabawka. Tylko przednia oś jest napędzana, aby zachować lepszą trajektorię ruchu i uniknąć zjeżdżania zabawki z wyznaczonej trasy. Zawieszenie autobusu jest nieco podniesione, aby koła mogły swobodnie obracać się, nie zawadzając o jego "karoserię".
Silnik, który został wykorzystany w tym projekcie jest silnikiem o wysokiej wydajności. Zwykłe silniki montowane w zabawkach wymagają przyłożenia zbyt wysokiego napięcia początkowego (potrzebnego do rozpędzenia się silnika), aby móc zasilić je tylko przy pomocy ogniw słonecznych. Osoby, które chciałyby wykonać taki projekt powinny poszukać silnika przeznaczonego specjalnie do pracy z ogniwami słonecznymi albo posiadającego stałą rezystancję 10 Omów. W projekcie Easter Solar Engine kwestia doboru motoru została bardziej rozwinięta.
Ostatecznie zostały dodane jeszcze żółte pulsujące diody na dachu autobusu, aby zabawka była widoczna w nocy, jednak nie zostało to już ujęte na zdjęciach.
Pulsowanie diody jest zrealizowane za pomocą obwodu wykorzystującego niskonapięciowy timer CSS555, który również był opisywany na Instructable. Obwód ten jest zasilany z kondensatora o pojemności 1 farada, ładowanego w dzień z ogniw słonecznych.
Źródło:Instructables
Fajne? Ranking DIY
