Witam
Jako, że posiadam konsolę Sega Mega Drive 1 i wykonałem do niej przełącznik między 50Hz i 60Hz. Takowy przełącznik niestety skutkuje tym, że w przypadku 60 Hz tracimy kolor na wyjsciu kompozytowym chinch. Dlaczego tak się dzieje najlepiej opisuje wstęp do porady z której skorzystałem:
http://zipplet.co.uk/index.php/content/electronics_mdpal60Porada została sprawdzona i pokazywana na różnych forach.
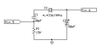
Dlatego też wykonałem układ pokazany na rysunku i podłączyłem go według porady zawartej powyżej:
I teraz zaczyna się cały cyrk. Niestety koloru jak nie było tak nie ma i synchornizacji też. Na ekranie widzę lekko rozmazany obraz czarno biały z kolorowymi pasami. Próbowałem różnych trymerów- kondensatorów strojeniowych. Skończyło się teraz na trymerze powietrznym z czasów starych telewizorów. I teraz przypadkiem podłączyłem swój multimetr w poniższy sposób:
I HURRA działa, ale tylko w przypadku gdy trzymam tak dotknięty multimetr. Pomyślałem, że jest to związane z rezystancją miernika i zacząłem zamiast miernika podłączać rezystory. Przy 200kOhm mam czarno-biały obraz z kolorowymi kropkami. Idźmy dalej zamiast rezystorów podłączyłem kabelek nawinięty na wykałaczkę - efekt idealny czarno-biały obraz.
Szczerze mówiąc nie mam wielkiego pojęcia o elektronice analogowej i o układach generowania obrazu. Czy ktoś mi może pomoc jakie zjawisko tuaj zachodzi i w przypadku podłączenia wszystko zaczyna działać i w przypadku 50Hz i 60Hz. Możliwe, że trymer jaki wykorzystałem jest zły. Najpierw wykorzystałem zwykły malutki plastikowy, a teraz duży metalowy.
Jako, że posiadam konsolę Sega Mega Drive 1 i wykonałem do niej przełącznik między 50Hz i 60Hz. Takowy przełącznik niestety skutkuje tym, że w przypadku 60 Hz tracimy kolor na wyjsciu kompozytowym chinch. Dlaczego tak się dzieje najlepiej opisuje wstęp do porady z której skorzystałem:
http://zipplet.co.uk/index.php/content/electronics_mdpal60Porada została sprawdzona i pokazywana na różnych forach.
Dlatego też wykonałem układ pokazany na rysunku i podłączyłem go według porady zawartej powyżej:
I teraz zaczyna się cały cyrk. Niestety koloru jak nie było tak nie ma i synchornizacji też. Na ekranie widzę lekko rozmazany obraz czarno biały z kolorowymi pasami. Próbowałem różnych trymerów- kondensatorów strojeniowych. Skończyło się teraz na trymerze powietrznym z czasów starych telewizorów. I teraz przypadkiem podłączyłem swój multimetr w poniższy sposób:
I HURRA działa, ale tylko w przypadku gdy trzymam tak dotknięty multimetr. Pomyślałem, że jest to związane z rezystancją miernika i zacząłem zamiast miernika podłączać rezystory. Przy 200kOhm mam czarno-biały obraz z kolorowymi kropkami. Idźmy dalej zamiast rezystorów podłączyłem kabelek nawinięty na wykałaczkę - efekt idealny czarno-biały obraz.
Szczerze mówiąc nie mam wielkiego pojęcia o elektronice analogowej i o układach generowania obrazu. Czy ktoś mi może pomoc jakie zjawisko tuaj zachodzi i w przypadku podłączenia wszystko zaczyna działać i w przypadku 50Hz i 60Hz. Możliwe, że trymer jaki wykorzystałem jest zły. Najpierw wykorzystałem zwykły malutki plastikowy, a teraz duży metalowy.