logo elektroda
logo elektroda
X
logo elektroda
REKLAMA
REKLAMA
Adblock/uBlockOrigin/AdGuard mogą powodować znikanie niektórych postów z powodu nowej reguły.

Jak zwiększyć moc wyjściową wzmacniacza Lemm L200 z radiem Yaesu FT450?

sivy21 07 Gru 2012 13:43 4377 5
REKLAMA
  • #1 11621468
    sivy21
    Poziom 11  
    Witam, interesuje mnie przerobienie tego wzmacniacza Lemm L200 tj. zwiększyć moc wyjściową oraz zwiększyć jego moc wejściową z transilwera.
    Radio jakie mam to Yaesu ft450 i skoki mocy są tam co 5 od 5W,10,15,20 i tak aż do 100W. Czy jest taka szansa?
    Schemat jego w załączniku
    Informuję iż posiadam licencję klasy 1.
  • REKLAMA
  • #2 11622100
    SP5IT
    VIP Zasłużony dla elektroda
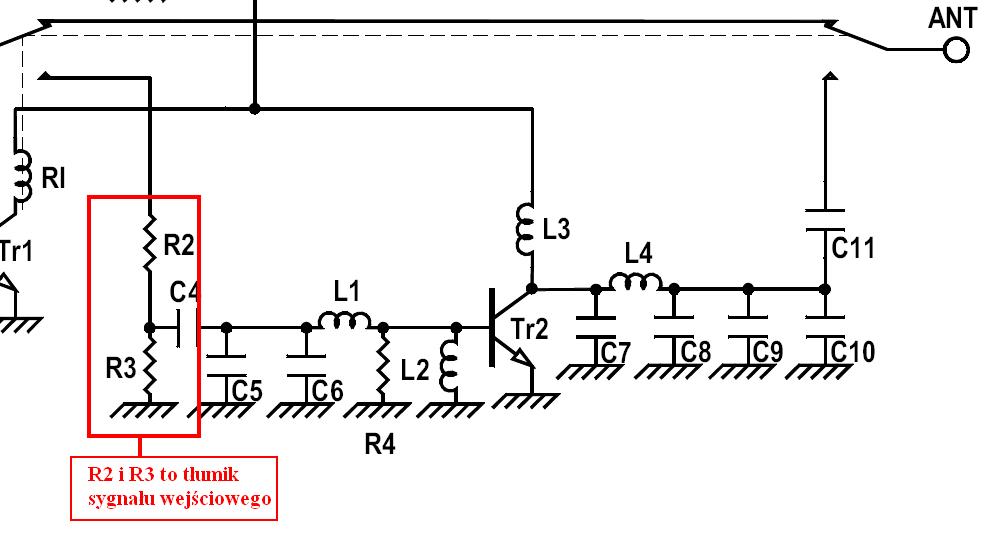
    Trzeba zainstalować tłumik na wejsćiu wzmacniacza. To pozwoli na sterowanie większą mocą.
    Należy zmienic klasę pracy wzmacniacza z C na AB1.
    Wymienić tranzystor mocy na mocniejszy albo dołożyć równolegle kolejne.
    Należy dorobić obwody wyjściowe.
    To chyba wszystko. Po tym można cieszyć się z większej mocy wyjściowej z L200.
    Pozdrawiam, Michał
  • REKLAMA
  • #3 11624213
    sivy21
    Poziom 11  
    SP5IT napisał:
    Trzeba zainstalować tłumik na wejsćiu wzmacniacza. To pozwoli na sterowanie większą mocą.
    Należy zmienic klasę pracy wzmacniacza z C na AB1.
    Wymienić tranzystor mocy na mocniejszy albo dołożyć równolegle kolejne.
    Należy dorobić obwody wyjściowe.
    To chyba wszystko. Po tym można cieszyć się z większej mocy wyjściowej z L200.
    Pozdrawiam, Michał


    Michał dzięki za odp. powiedz coś więcej na temat tego tłumika na wejściu wzmacniacza, powiedz ile tranzystorów można dołożyć aby można być zadowolonym z pracy, no i czy przy dokładaniu tranzystorów trzeba ustawiać prądy spoczynkowe czy nie?
    czy dobrze zrozumiałem żeby przejść na klasę AB1 to trzeba 2 tranzystory połączone przeciwsobnie?
  • REKLAMA
  • REKLAMA
  • #5 11624319
    Kwazor
    Poziom 32  
    Michał tłumaczysz po "łebkach"
    Sivy21 : By podnieść sygnał u korespondenta o 1 ES przea podnieść moc 4 krotnie.. wiec jedziemy : 4 16 64 256 ...

    Lepiej zainwestuj w dobra antene a nie dopał. Jak jest propagacja to i widelca poleci ...
  • #6 11624455
    SP5ANJ
    Spoczywaj w Pokoju
    Witam.
    sivy21 napisał:
    ... coś więcej na temat tego tłumika na wejściu wzmacniacza ...

    Podpowiedź :

    Jak zwiększyć moc wyjściową wzmacniacza Lemm L200 z radiem Yaesu FT450?

    Cytat:
    ... ile tranzystorów można dołożyć aby można być zadowolonym z pracy ...

    Tylko jeden aby nie zmieniać oryginalnego układu Π-filtra.

    Cytat:
    ... no i czy przy dokładaniu tranzystorów trzeba ustawiać prądy spoczynkowe czy nie?

    Oczywiście, że tak - tylko zobacz, że w tym układzie wzmacniacza nie ma czym regulować/ustawiać tego prądu spoczynkowego.
    Musiałbyś zmienić oryginalny układ i dołożyć regulację napięciową bazy stopnia mocy TR2.

    Cytat:
    czy dobrze zrozumiałem żeby przejść na klasę AB1 to trzeba 2 tranzystory połączone przeciwsobnie?

    Nieprawda.
    Klasa wzmacniacza to jego liniowość, przydatność do danej emisji oraz prąd spoczynkowy.
    Można (łopatologicznie wyjaśniając) przyjąć, że im większy prąd spoczynkowy tym wzmacniacz jest bardziej liniowy .


    Pozdrawiam.
REKLAMA