Witam,
Jestem w trakcie tworzenia quadrocoptera na 4 silnikach bezszczotkowych sterowanych przez regulatory. Zadaniem atmegi jest odebranie wypełnienia przez uart (tylko odbiór). Atmega jest zasilana 5V.
Wykonałem płytkę, zaprogramowałem atmegę, zrobiłem testy. Program nie działał do końca jak chciałem, ale serwo na którym testowałem wypełnienie odbierało sygnał. Chciałem dokończyć pracę na drugi dzień. Co się okazało atmega nie daje się zaprogramować. W końcu doszedłem, że bezpiecznik jest przepalony. Wymieniłem i nic. Serwo tak jakby dostawało jakiś sygnał (zły, ale taki jak dzień wcześniej), tylko buczy. Dzieję się tak, gdy atmega jest wyłączona z zasilania przy włączonej nie dzieje się nic. Dodatkowo jest chwilowa przerwa w działaniu gdy wyślę restart przez programator (ISP).
Serwo (HXT900) nie jest podłączone pod wyłącznik ani bezpiecznik(który znajduje się na drugiej płytce) - domyślnie cała elektronika będzie zasilana przez BEC z regulatorów. Od razu mówię, że pierwsza płytka działa dobrze, i nie ma na niej żadnych zwarć.
W związku z sytuacją mam kilka pytań:
1. Co mogło być przyczyną tej awarii? Przypadkowe zwarcie?
2. Czy atmega jest na spalona?
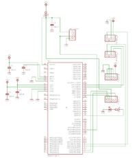
3. Czy płytka jest dobrze zaprojektowana? Chciałbym się upewnić czy przypadkiem to nie ona jest przyczyną awarii.
4. Czy to serwo może dawać przebicia? Sterowałem tym serwem przez atmege8 i wszystko działało dobrze.

Jestem w trakcie tworzenia quadrocoptera na 4 silnikach bezszczotkowych sterowanych przez regulatory. Zadaniem atmegi jest odebranie wypełnienia przez uart (tylko odbiór). Atmega jest zasilana 5V.
Wykonałem płytkę, zaprogramowałem atmegę, zrobiłem testy. Program nie działał do końca jak chciałem, ale serwo na którym testowałem wypełnienie odbierało sygnał. Chciałem dokończyć pracę na drugi dzień. Co się okazało atmega nie daje się zaprogramować. W końcu doszedłem, że bezpiecznik jest przepalony. Wymieniłem i nic. Serwo tak jakby dostawało jakiś sygnał (zły, ale taki jak dzień wcześniej), tylko buczy. Dzieję się tak, gdy atmega jest wyłączona z zasilania przy włączonej nie dzieje się nic. Dodatkowo jest chwilowa przerwa w działaniu gdy wyślę restart przez programator (ISP).
Serwo (HXT900) nie jest podłączone pod wyłącznik ani bezpiecznik(który znajduje się na drugiej płytce) - domyślnie cała elektronika będzie zasilana przez BEC z regulatorów. Od razu mówię, że pierwsza płytka działa dobrze, i nie ma na niej żadnych zwarć.
W związku z sytuacją mam kilka pytań:
1. Co mogło być przyczyną tej awarii? Przypadkowe zwarcie?
2. Czy atmega jest na spalona?
3. Czy płytka jest dobrze zaprojektowana? Chciałbym się upewnić czy przypadkiem to nie ona jest przyczyną awarii.
4. Czy to serwo może dawać przebicia? Sterowałem tym serwem przez atmege8 i wszystko działało dobrze.
