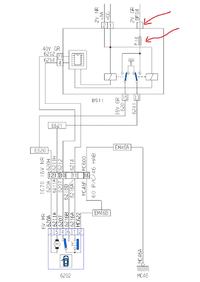
Problem dotyczy 307 cc rok 2006.Nie działa centralny z pilota i z przycisku wewnątrz auta.Centralny z pilota otwiera klape bagaznika ,dzwi natomiast juz nie.W srodku slychac jak pstyka przekazniczki w BSI od zamykania i otwierania.Moje pytanie czy ktoś posiada rozpiske pinow BSI.Bo nie wiem gdzie wychodza impulsy na silowniki od tegp centrala. 