logo elektroda
logo elektroda
X
logo elektroda
REKLAMA
REKLAMA
Adblock/uBlockOrigin/AdGuard mogą powodować znikanie niektórych postów z powodu nowej reguły.

BMW e 34 2.5 tds '93 - Pracująca non-stop pompa paliwa

henry63 02 Sty 2013 18:06 6258 12
REKLAMA
  • #1 11730263
    henry63
    Poziom 9  
    Witam. Pomóżcie koledzy bo już mi brak koncepcji. Przeszukałem forum w te i we wte i nie znalazłem podobnego problemu nawet w innych modelach. BMW e 34 2.5 tds touring z 93. Trzy lata bezawaryjnej eksploatacji, ani kapcia, ani padniętej żarówki aż do wigili kiedy się skończył akumulator. Zmierzylem napięcie - 2.1 Volta. Wyjąłem i podłączyłem a wsadziłem zastępczy z dostawczego. Zabrałem się za poszukiwanie problemu bo na chłopski rozum musi gdzieś być upływność prądu. Szybciutko znalazłem ( wieczorami cicho) więc szumu pracującej w baku pompy nie trudno usłyszeć. Acha dodam tylko że kluczyki w kieszeni i wszystko wyłączone. Myślę - no dobra skleiło przekaźnik, w końcu 19 lat robi swoje. A tu niespodzianka, sam przekażnik sprawny. Po wyjęciu styki się rozeszły i są czyste. Oczywiście w tym momencie pompa stanęła. No to zapodałem zworkę między pinem 30 a 87 i pompa poszła. Teraz sprawdziłem pin 86 - sygnałowy i tu jest problem, bo cały czas podaje napięcie i po wsadzeniu przekaźnika od razu rusza pompa. Trochę to przydługie ale za to oddaje wiernie moje wypociny. Jeżeli ktoś wie skąd na pinie 86 stale jest napięcie to POMOCY!!!

    Dodano po 47 [minuty]:

    Już Ci mogę powiedzieć, jest to pin 30 i 86.
  • REKLAMA
  • #3 11731186
    henry63
    Poziom 9  
    Niestety, pin 30 ma stałe napięcie, pinu 15 wogóle nie ma na tym przekaźniku, a zasilanie pompki jest z bezpiecznika F23. To tyle co już wiem. Poza tym są tam jeszcze piny 86 na którym jest napięcie a nie powinno po wyłączeniu stacyjki, oraz 85, 86a i 87 na który 30stka ma przekazać prąd.
  • REKLAMA
  • #5 11731271
    ladamaniac
    Poziom 40  
    Mylisz kolego oznaczenia nòg przekaźnika z ogòlnymi oznaczeniami w instalacji samochodowej.Mamy więc w przekaźniku nóżki 30,87 i 87a jako zestyki oraz 85 i 86 jako zaciski cewki.
    W instalacji mamy zacisk 30 czyli plus stały, 15 plus po zapłonie 31 jako masa, 50 rozrusznik i tak dalej.

    To się z kolegą zdublowaliśmy :-)
  • #6 11731543
    henry63
    Poziom 9  
    A.... teraz kumam. O to mi chodziło, czyli rozumiem że na "styk " 86 przychodzi + bezpośrednio ze stacyjki !!! Mam tylko nadzieję że między stacyjką a podstawą przekaźnika nie ma więcej ustrojstwa które mogło by się spier.... Jest taka opcja żeby się skleiła stacyjka ? Może uda mi się jutro do południa to posprawdzać, bo dzisiaj mi już dupsko wymarzło. Wielkie dzięki koledzy za podpowiedź.
  • #7 11732750
    vitorio
    Poziom 17  
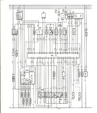
    Zacząłem pisać koledze jak to sprawdzić, ale musiałem odejść i wysłałem nie do końca wszystko co miałem. Teraz macie schemat sterowania tej jednostki i popatrzcie skąd ten plus wychodzi.
    BMW e 34 2.5 tds '93 - Pracująca non-stop pompa paliwa
  • REKLAMA
  • #8 11733661
    wladek1114
    Poziom 11  
    Wygląda na uszkodzony alternator.
  • #9 11734529
    henry63
    Poziom 9  
    Witam kolegów ponownie. Nie macie który przypadkiem legendy do tego schematu ? Z tego co tu widzę to pin 86 ma dostać + z szóstej świecy żarowej. I tu znowu niespodzianka bo przekaźnik świec żarowych w kieszeni a + na 86 dalej jest, chyba że to nie K 20 tylko K 46. Muszę porównać wszystkie numery pinów schematu z przekaźnikami bo teraz jestem głupszy niż wczoraj.
  • REKLAMA
  • #10 11734717
    vitorio
    Poziom 17  
    A próbowałeś odłączyć pin 86b. Ja również podejrzewam alternator.
  • #11 11735041
    carrot
    Moderator Samochody
    Przebita główna dioda "+" w alternatorze, na to wygląda patrząc na schemat
    Ps. tak porąbanego sterowania pompą paliwa to jeszcze nie widziałem (pomijając 3 pinowy czujnik ciśnienia oleju w Daewoo)
  • #12 11736783
    vitorio
    Poziom 17  
    henry63 napisał:
    Witam kolegów ponownie. Nie macie który przypadkiem legendy do tego schematu ? Z tego co tu widzę to pin 86 ma dostać + z szóstej świecy żarowej. I tu znowu niespodzianka bo przekaźnik świec żarowych w kieszeni a + na 86 dalej jest, chyba że to nie K 20 tylko K 46. Muszę porównać wszystkie numery pinów schematu z przekaźnikami bo teraz jestem głupszy niż wczoraj.

    Przekaźniki K20 i K46 mają tylko wspólną linię masy "-". Natomiast zasilanie sterownia K20 / "+"/ jest realizowane po włączeniu zapłonu przez obwód grzania świecy VI cyl. a po uruchomieniu silnika przez D+ alternatora. Dlatego wcześniej pisałem o odłączeniu przewodu z pin 86b przekaźnika K20. Jeżeli wówczas pompa nie będzie pracowała na wyłączonym zapłonie - to jest uszkodzony alternator.

    P.S. Czy jeszcze potrzebna legenda do tego schematu?
  • #13 11741941
    henry63
    Poziom 9  
    Nie, już to ogarniam. To jednak K 20. Rano sprawdzę odpinając pin 86. Ciekawy jestem efektu. Pozdrawiam.
REKLAMA