logo elektroda
logo elektroda
X
logo elektroda
REKLAMA
REKLAMA
Adblock/uBlockOrigin/AdGuard mogą powodować znikanie niektórych postów z powodu nowej reguły.

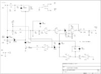
Roger Beep na HEF 40106 - Jak zrobić dwutonowy schemat do CB?

pietia434 02 Sty 2013 23:20 3480 6
REKLAMA
  • #1 11732480
    pietia434
    Poziom 22  
    Witam,
    Szukam schematu jakiegoś ciekawego rogera do CB.
    Znalazłem w necie coś takiego:
    Roger Beep na HEF 40106 - Jak zrobić dwutonowy schemat do CB?
    Zrobiłem ale lipa.
    Jak w ogóle on działa? To jednotonowiec?
    Czy wartości C nie za małe na czas opóźnienia?
    Zależało by mi żeby to było właśnie na HEF 40106 bo mam sporo tych scalaków.

    Jakaś może pomoc w zrobieniu schematu dwutonowego? na wspomnianym 40106(nawet na dwóch kostkach).
  • REKLAMA
  • #2 11732884
    multihunter
    Poziom 26  
    Kilkutonowe były robione na licznikach dziesiętnych johnsona tylko, że firmy co je produkowały zdzierały napisy z TTL-ów.
    Reszta to jakaś poczwórna bramka dwuwejściowa była, tzn. 1,2,3 ton + 4 zegar licznika + przekaźnik do podtrzymania.
    Cała zabawa polega na tym, żeby czwarty "pusty" ton liczony przez licznik resetował sam siebie, tzn. układ licznika.
  • REKLAMA
  • #3 11734078
    pietia434
    Poziom 22  
    Witam,
    No zgodzę się, że 3 tony potrzebowały by licznika, ale dwa?
    Zrobiłem kiedyś rogera dwutonowego bez licznika, były tam 4093.
    Myślałem że na 40106 coś się wykombinuje...
    Tak jak mówiłem to by mogły być nawet scalaki.
    Mniej więcej tak:
    1.podtrzymanie(opóźnienie)
    2.generator ton1
    3.generator ton2
    4.przerzutnik czasowy wyzwalany razem z podtrzymaniem
    Przerzutnik miałby na celu włączenie najpierw pierwszego tonu a po upływie określonego czasu drugiego tonu.
    Czyli wciskamy PTT, załącza się przekaźnik, po puszczeniu włącza się podtrzymanie i przerzutnik czasowy(ton1 potem ton2) i przekaźnik puszcza.
    Ale zrobienie schematu już trudniejsze;)
  • REKLAMA
  • #4 11734195
    multihunter
    Poziom 26  
    Do narysowania sch. można użyć symulacji układów logicznych Electronic Workbench Wewb32, albo podobnego.
    Ciekawe tylko jak chcesz na inwerterach zrobić synchronizację: gotowość » włącz » 1-ton » 2-ton » wyłącz :D

    ps.
    użycie układu z licznikiem 4017 pozwala na uzyskanie nadania krótkiego znaku, np.

    K - koniec nadawania
    AR - koniec komunikatu
    KN - wywołanie kierunkowe, koniec nadawania (czyt. nie przeszkadzać !)

    pozdrawiam
  • #5 11734658
    pietia434
    Poziom 22  
    No właśnie, dlatego pytam. Na bramkach kiedyś zrobiłem, i było ok.
    Z inwerterami gorzej.
    Ale może...

    Dodano po 3 [minuty]:

    multihunter napisał:
    Ciekawe tylko jak chcesz na inwerterach zrobić synchronizację: gotowość » włącz » 1-ton » 2-ton » wyłącz

    Problem z przełączeniem tonów jedynie by był.
    W ogóle da rade zrobić przerzutnik na inwerterach?;)
  • REKLAMA
  • #6 11738120
    multihunter
    Poziom 26  
    Taki układ inwerterów musiałby być jednocześnie układem posiadającym 1 bit pamięci,
    tzn. pamiętać impuls na czas potrzebny do prawidłowej pracy tak, aby można go było w każdej chwili skasować.

    Na marginesie

    Na przekaźniku też można zrobić przerzutnik, bo przekaźnik to również jedno bitowa komórka pamięci.
    A licznik, o którym Ci klepię znajduje się np. w płytce +/- 40 Onwa Link widzę, że naprawiasz CB i pewnie wiesz jak to wygląda.
  • #7 11738787
    pietia434
    Poziom 22  
    Jestem hobbystą więc pytałem.
    Prawie 90% rzeczy które robię to wyluty.
    A się uczepiłem inwerterów bo dostałem tych układów cały karton i robię z nich co się tylko da:)
    Ale inwerter to nie bramka;)
    Dzięki za odpowiedzi.

    PS. Myślę że jakby nad tym posiedział to by wyszło...
REKLAMA