Witam.
W radiu Intek M550 chciałem dorobić sobie dziury (+10KHz) do rozmów prywatnych ze znajomymi którzy posiadają w swoich radiach takie funkcje.
Po przestawieniu radia na dodatkowe bandy (zmiana kodu kraju z 08 na 13)
pojawiły się dziury lecz niestety wszystko pracuje w piątkach.
Długo siedziałem nad przestrojeniem radia w polskie zera
Wprowadziłem następujące modyfikacje:
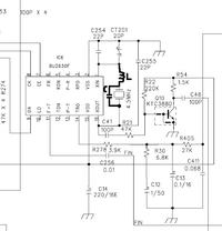
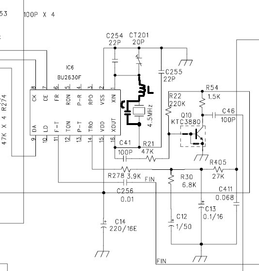
1. W szereg z kwarcem 4,5MHz dałem dławik 10uh
2. równolegle z kwarcem zamontowany kondensator 12nF
Radio elegancko stoi teraz w 0.
Moje pytanie brzmi czy przez taką modyfikację możliwe jest abym uzyskał słabszy odbiór na odbiorniku czy zaingerowałem jedynie w ustalenie częstotliwości pracy.
Gdyż mam wrażenie jakbym stacje odbierał teraz słabiej.
Jeśli popełniłem jakiś błąd prosił bym o wskazówki w jaki sposób sprowadzić radio z piątek do zer tak aby było to wykonane prawidłowo
Zamieszczam schemat oryginału i z moją modyfikacją.
Za pomoc bardzo dziękuję

W radiu Intek M550 chciałem dorobić sobie dziury (+10KHz) do rozmów prywatnych ze znajomymi którzy posiadają w swoich radiach takie funkcje.
Po przestawieniu radia na dodatkowe bandy (zmiana kodu kraju z 08 na 13)
pojawiły się dziury lecz niestety wszystko pracuje w piątkach.
Długo siedziałem nad przestrojeniem radia w polskie zera
Wprowadziłem następujące modyfikacje:
1. W szereg z kwarcem 4,5MHz dałem dławik 10uh
2. równolegle z kwarcem zamontowany kondensator 12nF
Radio elegancko stoi teraz w 0.
Moje pytanie brzmi czy przez taką modyfikację możliwe jest abym uzyskał słabszy odbiór na odbiorniku czy zaingerowałem jedynie w ustalenie częstotliwości pracy.
Gdyż mam wrażenie jakbym stacje odbierał teraz słabiej.
Jeśli popełniłem jakiś błąd prosił bym o wskazówki w jaki sposób sprowadzić radio z piątek do zer tak aby było to wykonane prawidłowo
Zamieszczam schemat oryginału i z moją modyfikacją.
Za pomoc bardzo dziękuję