Witam, napotkałem na pewien problem przy budowie dużego zegara LED opartego na module RTC i procesorze AVR Attiny2313, w związku z tym liczę na waszą pomoc.
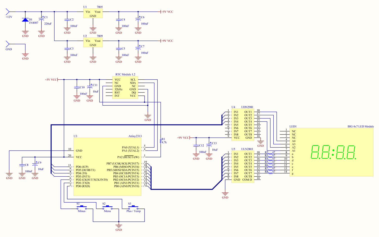
Układ przedstawiony jest na załączonym zdjęciu, jest to klasyczne rozwiązanie z tym, że gotowy moduł wyświetlaczy jaki posiadam jest dużych wymiarów stad konieczność zasilania jednego segmentu napięciem ok. 6-7V. Postanowiłem zatem zastosować dwa drivery ULN 2803 oraz UDN 2981. O ile z pierwszym nie ma żadnego problemu, to z drugim nie potrafię sobie poradzić. Rozchodzi się oczywiście o multipleksowanie czterech "8", napięcie wychodzące z portów procka jest na poziomie 1,2-1,3V co otwiera driver tylko do poziomu ok 2,5, co jest stanowczo za mało aby ładnie pełną jasnością świeciły segmenty.
Dodam, że pomijając multipleksowanie lub zmniejszając częstotliwość pracy timera, napięcie na driverze rośnie, jednocześnie widać już efekt migotania wyświetlaczy, uniemożliwiając tym samym prawidłowe działanie. Wysterowując jeden z portów ręcznie w stan wysoki 5V, na wyjściu drivera mam praktycznie pełnie napięcie zasilające driver czyli +9V. Niestety nie wiem jak to rozegrać przy multipleksowaniu, liczę na wasze rady.
Testowałem też rozwiązanie z tranzystorami NPN+PNP (znalezione na forum) i tutaj nie miałem takich problemów, mimo wszystko jednak chciałbym rozwiązać zagadkę z UDN-em.
Za wszelkie sugestie i uwagi będę niezmiernie wdzięczny.
Załączam schemat i listing programu (samo sterowanie wyświetlaniem)
Układ przedstawiony jest na załączonym zdjęciu, jest to klasyczne rozwiązanie z tym, że gotowy moduł wyświetlaczy jaki posiadam jest dużych wymiarów stad konieczność zasilania jednego segmentu napięciem ok. 6-7V. Postanowiłem zatem zastosować dwa drivery ULN 2803 oraz UDN 2981. O ile z pierwszym nie ma żadnego problemu, to z drugim nie potrafię sobie poradzić. Rozchodzi się oczywiście o multipleksowanie czterech "8", napięcie wychodzące z portów procka jest na poziomie 1,2-1,3V co otwiera driver tylko do poziomu ok 2,5, co jest stanowczo za mało aby ładnie pełną jasnością świeciły segmenty.
Dodam, że pomijając multipleksowanie lub zmniejszając częstotliwość pracy timera, napięcie na driverze rośnie, jednocześnie widać już efekt migotania wyświetlaczy, uniemożliwiając tym samym prawidłowe działanie. Wysterowując jeden z portów ręcznie w stan wysoki 5V, na wyjściu drivera mam praktycznie pełnie napięcie zasilające driver czyli +9V. Niestety nie wiem jak to rozegrać przy multipleksowaniu, liczę na wasze rady.
Testowałem też rozwiązanie z tranzystorami NPN+PNP (znalezione na forum) i tutaj nie miałem takich problemów, mimo wszystko jednak chciałbym rozwiązać zagadkę z UDN-em.
Za wszelkie sugestie i uwagi będę niezmiernie wdzięczny.
Załączam schemat i listing programu (samo sterowanie wyświetlaniem)
Kod: text
